Водонагреватели Gorenje GBK120LNB6 - инструкция пользователя по применению, эксплуатации и установке на русском языке. Мы надеемся, она поможет вам решить возникшие у вас вопросы при эксплуатации техники.
Если остались вопросы, задайте их в комментариях после инструкции.
"Загружаем инструкцию", означает, что нужно подождать пока файл загрузится и можно будет его читать онлайн. Некоторые инструкции очень большие и время их появления зависит от вашей скорости интернета.

61
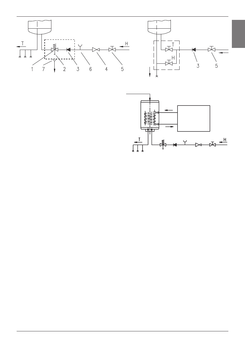
Slēgtā (uzkrāšanas) sistēma Atklātā (caurteces sistēma)
Elementi:
1 – drošības vārsts
2 – pārbaudes vārst
3 – pretvārsts
4 – spiediena reducēšanas vārsts
5 – slēgvārsts
6 – pārbaudes uzgalis
7 – piltuve ar pieslēgumu notekcaurulei
H – auksts ūdens
T – karsts ūdens
Nedrīkst iemontēt slēgvārstu starp sildītāju un drošības pretvārstu, jo tādā veidā Jūs padarīsiet par neiespējamu
drošības pretvārsta darbību.
Sildītāju var pieslēgt mājas ūdensvada tīklam arī bez spiediena reducēšanas vārsta, ja spiediens šai tīklā ir zemāks
par 0,5 MPa. Ja spiediens ūdensvada tīklā pārsniedz 1,0 MPa, ir nepieciešams secīgi iemontēt divus spiediena
reducēšanas vārstus. Pirms pieslēgt sildītāju elektrotīklam, tas obligāti jāpiepilda ar ūdeni. Pie pirmās uzpildīšanas
pagrieziet karstā ūdens rokturi uz maisītāja. Sildītājs ir piepildīts, kad ūdens sāk tecēt no maisītāja izplūdes caurules.
Kombinētais ūdenssildītājs GBK darbojas tāpat kā elektriskais ūdenssildītājs GB, bet viņā papildus ir iemontēts citu
enerģijas avotu(piem.centrālās apkures, saules bateriju vai siltuma sūknis) ūdens uzsildes, siltumapmaņas elements.
Šī iepriekš pieminētā elektriskās un siltumapmaiņas elements var darbotie gan kopā, gan atsevišķi. Kombinētais
ūdenssildītājs GBK peislēdzas pie elektrības tāpat kā elekriskai ūdenssildītājs GB, kā arī līdztekus viņu vajag pievienot
papildus enerģijas avotam. Ūdens pievada un izejas caurules ir apzīmētas ar dažādu krāsu. Zilā – auksts ūdens,
sarkanā – karsts ūdens. Ūdenssildītājs GBK var tikt pieslēgts pie karstā ūdens atpakļejoša atzara. Atpakālejošais
atzars nodrošina karstā ūdens padevi visās tā izejas vietās. Viņa pieslēgums atrodas uz ūdenssildītāja augšējā vāciņa.
Pirms pieslēgšanas nepieciešams noņemt plstikāta vāciņum un atskrūvēt ieblīvējamo ielikni. Elementus karstā ūdens
atpakļejošā atzara peslēgšanai var iegādāties pie musu izsradājuma pārdevējiem.
PIESLĒGŠANA ELEKTROTĪKLAM
Pirms pieslēgt sildītāju elektrotīklam, sildītājam jāpievieno pieslēgšanas kabelis. Lai to izdarītu, jānoņem plastika
aizsargvāks. Noņemiet plāksnīti vāka priekšējā pusē, ieliekot skrūvgriezi šķirbā starp šo plāksnīti un aizsargvāku
termostata roktura priekšā, bet pēc tam arī pretējā pusē attiecībā pret minēto rokturi. Pēc tam, kad Jūs aizķerat šo
plāksnīti no abām pusēm, to var viegli noņemt ar roku. Lai noņemtu plastika aizsargvāku, Jums jānoņem termostata
rokturis un jāizskrūvē abas stiprinājuma skrūves. Plastika aizsargvāka uzstādīšana tiek veikta pretējā secībā. Sildītāja
pieslēgšana elektrotīklam jāveic saskaņā ar elektrotīklu noteiktajiem standartiem. Tā kā sildītājam nav elementa, kas to
pastāvīgi atslēgtu no elektrotīkla, starp to un elektrotīkla rozeti jāuzstāda divpolu slēdzis ar atstatumu starp atvērtiem
kontaktiem ne mazāku par 3 mm.
UZMANĪBU: Pirms izjaukt sildītāju, pārliecinieties, kas tas ir atvienots no elektrotīkla!
LVL
Atpakalgaita
Siltuma nesejs
Содержание
- 11 Уважаемый покупатель, благодарим Вас за покупку нашего изделия.; монтдж; ТЕХНИЧЕСКИЕ ХАРАКТЕРИСТИКИ АППАРАТА; входящей температуре холодной воды из водопровода 15°C.; ТЕХНИЧЕСКИЕ ХАРАКТЕРИСТИКИ ТЕПЛООБМЕННИКА; US
- 12 Соединительные и монтажные размеры водонагревателя [мм]; ПОДКЛЮЧЕНИЕ K ВОДОПРОВОДУ; от выбранной системы подключения. B открытой проточной системе
- 13 ПОДKЛЮЧЕНИЕ K ЭЛЕКТРОСЕТИ
- 14 ИСПОЛЬЗОВАНИЕ И УХОД













