Водонагреватели Gorenje GBK120LNB6 - инструкция пользователя по применению, эксплуатации и установке на русском языке. Мы надеемся, она поможет вам решить возникшие у вас вопросы при эксплуатации техники.
Если остались вопросы, задайте их в комментариях после инструкции.
"Загружаем инструкцию", означает, что нужно подождать пока файл загрузится и можно будет его читать онлайн. Некоторые инструкции очень большие и время их появления зависит от вашей скорости интернета.

49
ALB
Sistemi (me shtypje) i mbyllur
Sistemi (pa shtypje) i çelë
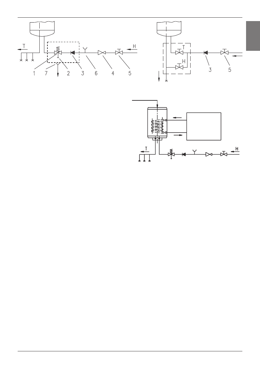
Legjenda:
1 -Ventili kthyes sigurues
2 -Ventili provues
3 -Ventili kundërkthyes
4 -Ventili reduktiv i shtypjes
5 -Ventili mbyllës
6 -Mbaresa për provë
7 -Taftari me kyçësin në tubacion
H -Uji i ftohtë
T -Uji i ngrohtë
Ujëngrohësi i kombinuar GBK funksionon njëlloj sikur ujëngrohësi elektrik GB, por, ai përmban të instaluar shtojcë edhe
alternues të ngrohjes për ngrohjen e ujit sanitar me burimet tjera të energjisë (p. sh. ngrohja qëndrore, kolektorët e diellit
ose pompa e ngrohjes). Sistemi i ngrohjes me nxehës elektrik dhe alternuesin e ngrohjes, mund të punojnë njëkohësisht
ose veças. Ujëngrohësin e kombinuar e kyçni në rrjetën e ujësjellësit njëlloj sikur ujëngrohësin GB, përveç kësaj, ate e
kyçni edhe në burimin tjetër shtojcë të energjisë. Hyrja e mediumit ngrohës në alter-nuesin e ngrohjes është e shenjuar
kuq, kurse dalja e kaltërt.
Ujëngrohësit GBK mund të lidhni edhe në tubën kthyese të ujit të ngrohtë. Tuba kthyese e ujit të ngrohtë mundëson,
që në të gjithë vendet shfrytëzuese të jetë njëkohësisht uji i ngrohët në disponim menjëherë dhe gjithmonë. Tubën
kthyese e vendoni në kyçësin në anën e sipërme të ujëngrohësit. Para kyçjes, nevojitet evitimi i kapakëzës nga plastiku
dhe të zhvidhohet çepi i tendosjes në anën e sipërme të ujëngrohësit. Me elementet e tubës kthyese keni mundësi të
furnizoheni shtojcë pranë shitësve të autorizuar të prodhimeve tona.
KYÇJA NË RRJETËN ELEKTRIKE
Para kyçjes në rrjetën elektrike, në ujëngrohës nevojitet instalimi i kabllosë kyçëse.
Për këte ndërhyrje, nevojitet evitimi i kapakut mbrojtës nga plastiku. Veproni ashtu, që të evitoni pllakën e cila është
e instaluar në anën ballore të kapakut. Pllakën e lironi në ate mënyrë, që në vanë ndërmjet të pllakëzës dhe kësulëzës
mbrojtëse së pari pranë pullës së termostatit dhe pastaj në anën kundër pullës me kujdes të futni kaçavidhën. Kur e
lironi pllakëzën në të dy anët, ate mund të evitoni me dorë. Për të evituar kapakun mbrojtës nga plastiku, nevojitet edhe
evitimi i pullës së termostatit dhe zhvidhimi i vidhave përforcuese. Proçesi i montimit të kapakut mbrojtës nga plastiku
rrjedh në mënyrë anasjelltase.
Kyçja e ujëngrohësit në rrjetën elektrike duhet të rrjedh në ujdi me standardet për instalimet elektrike. Për shkak se
ujëngrohësi nuk përmban element i cili do të ndante ate nga rrjeta elektrike, në lidhjen kabllovike nevojitet, që ndërmjet
të tij dhe instalacionin e përherëshëm, të instalohet ashtu shallter, i cili ndan dy polet për furnizim dhe ndërmjet të
kontakteve të hapur përban së paku 3 mm largësi.
Tuba kthyese
Burimi i energjisë
Содержание
- 11 Уважаемый покупатель, благодарим Вас за покупку нашего изделия.; монтдж; ТЕХНИЧЕСКИЕ ХАРАКТЕРИСТИКИ АППАРАТА; входящей температуре холодной воды из водопровода 15°C.; ТЕХНИЧЕСКИЕ ХАРАКТЕРИСТИКИ ТЕПЛООБМЕННИКА; US
- 12 Соединительные и монтажные размеры водонагревателя [мм]; ПОДКЛЮЧЕНИЕ K ВОДОПРОВОДУ; от выбранной системы подключения. B открытой проточной системе
- 13 ПОДKЛЮЧЕНИЕ K ЭЛЕКТРОСЕТИ
- 14 ИСПОЛЬЗОВАНИЕ И УХОД













