Водонагреватели Gorenje GBK120LNB6 - инструкция пользователя по применению, эксплуатации и установке на русском языке. Мы надеемся, она поможет вам решить возникшие у вас вопросы при эксплуатации техники.
Если остались вопросы, задайте их в комментариях после инструкции.
"Загружаем инструкцию", означает, что нужно подождать пока файл загрузится и можно будет его читать онлайн. Некоторые инструкции очень большие и время их появления зависит от вашей скорости интернета.

36
MK
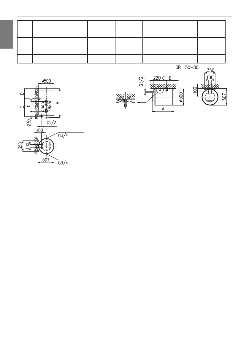
GBL 50
GBL 80
GBK 80
GBK 100
GBK 120
GBK 150
GBK 200
A
583
803
803
948
1103
1318
1510
B
187
207
207
202
207
222
430
C
145
345
565
715
865
1065
1050
D
340
416
416
416
416
Мерки на апаратот за вградување и приклучување во [mm]
GBK 80 - 200
ПРИКЛУЧУВАЊЕ НА ВОДОВОДНА МРЕЖА
Цевките за довод и одвод на вода се обоени. Доводот на студена вода е
обаев со модра а одводот на топла вода пак со црвена боја. Греалката
можете да ја приклучите на водоводна мрежа на два начина. Затворениот,
притисен систем на приклучување овозможува употреба на вода од повеќе
изливни места, отворениот систем без притисок пак дозволува само едко
изливно место. Зависно од избраниот систем на приклучување морате
да обезбедите и соодветни мешалки батерии. Кај отворениот систем
без притисок, прея греалката морате да вградите сигурносе нвентил
кој го спречува истечувањето на водата од котелот ако во водоводната мрежа нема вода. Кај тој систем на
приклучување морате да употребите проточна мешалка батерија. Во греалката зараяи загревање се зголемува
волуменот на водата а тоа предизвикува капење од цевката на мешалната батерија. Капењето не можете да го
спречите нишу со затегање на рачката на мешалната батерија. Со таа можете батеријата само да ја оштетите.
Кај затворениот притисен систем на приклучување морате на изливните места да употребите притисни
мешалки батерии. На доводната цевка поради безбедност на работењето задолжително треба да се вграяи
сиryryрносен вентил или сигугурносна груда, која спречува повишување на притисокот во котелот за повеќе од
0,1 МРа над nominalniot. Кај загревањето на водата во греалката, притисокот на водата во котелот се зголемува
до границата која е регугулирана во сиryryрносниот вентил. Бидејќи враќањето на водата назад во водводната
мрежа е спречено, може да се појави капење на вода од изливниот отвар на сиryryрносниот вентил. Водата која
кале можете да ја насочите во одводот преку ловецот, кој морате да го наместите под сиryryрносниот вентил.
Одводната цевка наместена под испустот на сиryryрносниот вентил мора да биде наместена во насока право
наяолу и во место каяе што не замрзува.
Во случај ако поради несоодветно изведената инсталација немате можност водата што кали од повратниот
безбедносен вентил да ја спроведете во одводот, капењето можете да го избегнете ако кај доводната цевка
на грејачот вградите експанзионен сад со волумен од З І. За правилна работа на повратниот безбедносен
вентил, самите вршите редовни контроли на секои 14 декя. При проверката треба со поместување на рачката
или со одвртување на матицата на вентилот (зависно од видом на вентилот) да го отворите истекувањето од
повратниот безбедносен вентил. При тоа, низ млазницата на вентилот за истекување треба да протече вода,
што е знак дека вентилот е беспрекорен.
Помеѓу греалката и сиryryрносен вентил не смеета да вградите затворен вентил бидејќи со тоа ќе го
оневозможите делувањето на повратниот сиryryрносен вентил.
Греалката можете да ја приклучите на
водоводна мрежа без редуцирен вентил ако притисокот во мрежата е понизок од 0,5 МПа. Ако притисокот во
мрежата е над 1,0 МПя морате да вградите два редуцирна вентиля едко подруга. Пред приклучувањето на
електрична мрежа греалката морате најпрвин да ја наполните со вода. Кај првото полнење отворете ја рачката
за топла вода на батеријата за мешање. Греалката е наполнета кого водата протечува низ изливната цевка на
мешалната батерија.
����� ���������
��� ���������
Содержание
- 11 Уважаемый покупатель, благодарим Вас за покупку нашего изделия.; монтдж; ТЕХНИЧЕСКИЕ ХАРАКТЕРИСТИКИ АППАРАТА; входящей температуре холодной воды из водопровода 15°C.; ТЕХНИЧЕСКИЕ ХАРАКТЕРИСТИКИ ТЕПЛООБМЕННИКА; US
- 12 Соединительные и монтажные размеры водонагревателя [мм]; ПОДКЛЮЧЕНИЕ K ВОДОПРОВОДУ; от выбранной системы подключения. B открытой проточной системе
- 13 ПОДKЛЮЧЕНИЕ K ЭЛЕКТРОСЕТИ
- 14 ИСПОЛЬЗОВАНИЕ И УХОД













