Водонагреватели Gorenje GBK120LNB6 - инструкция пользователя по применению, эксплуатации и установке на русском языке. Мы надеемся, она поможет вам решить возникшие у вас вопросы при эксплуатации техники.
Если остались вопросы, задайте их в комментариях после инструкции.
"Загружаем инструкцию", означает, что нужно подождать пока файл загрузится и можно будет его читать онлайн. Некоторые инструкции очень большие и время их появления зависит от вашей скорости интернета.

4
SL
O
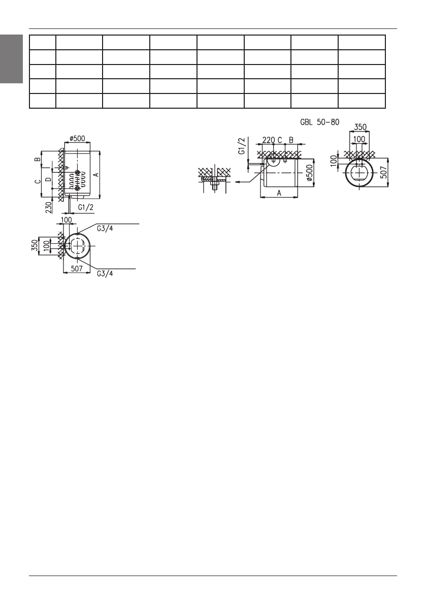
GBL 50
GBL 80
GBK 80
GBK 100
GBK 120
GBK 150
GBK 200
A
583
803
803
948
1103
1318
1510
B
187
207
207
202
207
222
430
C
145
345
565
715
865
1065
1050
D
340
416
416
416
416
Priključne in montažne mere (mm).
GBK 80 - 200
Desni priključek
Levi priključek
PRIKLJUČITEV NA VODOVODNO OMREŽJE
Dovod in odvod vode sta na ceveh grelnika barvno označena. Dovod hladne
vode je označen modro, odvod tople vode pa rdeče. Grelnik lahko priključite na
vodovodno omrežje na dva načina. Zaprti, tlačni sistem priključitve omogoča
odjem vode na več odjemnih mestih, odprti, netlačni sistem pa dovoljuje samo eno
odjemno mesto. Glede na izbrani sistem priključitve morate nabaviti tudi ustrezne
mešalne baterije. Pri odprtem, netlačnem sistemu je treba pred grelnik vgraditi
varnostni ventil, ki preprečuje iztekanje vode iz kotla, če v omrežju zmanjka vode.
Pri tem sistemu priključitve morate uporabiti pretočno mešalno baterijo. V grelniku se zaradi segrevanja prostornina
vode povečuje, to pa povzroči kapljanje iz cevi mešalne baterije. Z močnim zategovanjem ročaja na mešalni bateriji
kapljanja vode ne morete preprečiti, temveč lahko baterijo le pokvarite. Pri zaprtem, tlačnem sistemu priključitve morate
na odjemnih mestih uporabiti tlačne mešalne baterije. Na dotočno cev je zaradi varnosti delovanja obvezno treba vgraditi
varnostni ventil ali varnostno grupo, ki preprečuje zvišanje tlaka v kotlu za več kot 0,1 MPa nad nominalnim.
Pri segrevanju vode v grelniku se tlak vode v kotlu zvišuje do meje, ki je nastavljena v varnostnem ventilu. Ker je
vračanje vode nazaj v vodovodno omrežje preprečeno, lahko pride do kapljanja vode iz odtočne odprtine varnostnega
ventila. Kapljajočo vodo lahko speljete v odtok preko lovilnega nastavka, ki ga namestite pod varnostni ventil. Odtočna
cev nameščena pod izpustom varnostnega ventila mora biti nameščena v smeri naravnost navzdol in v okolju, kjer ne
zmrzuje.
V primeru, da zaradi neustrezno izvedene inštalacije nimate možnosti, da bi kapljajočo vodo iz povratnega varnostnega
ventila speljali v odtok, se lahko kapljanju izognete z vgradnjo ekspanzijske posode volumna 3 l na dotočni cevi grelnika.
Za pravilno delovanje povratnega varnostnega ventila morate sami izvajati redne kontrole vsakih 14 dni. Ob preverjanju
morate s premikom ročke ali odvitjem matice ventila (odvisno od tipa ventila) odpreti iztok iz povratnega varnostnega
ventila. Pri tem mora priteči skozi iztočno šobo ventila voda, kar je znak, da je ventil brezhiben.
Med grelnik in varnostni ventil ne smete vgraditi zapornega ventila, ker bi s tem delovanje
povratnega varnostnega ventila onemogočili.
Grelnik lahko priključite na hišno vodovodno omrežje brez redukcijskega ventila, če je tlak v omrežju nižji od 0,5 MPa.
Če tlak v omrežju presega 1,0 MPa, morate vgraditi zaporedoma dva redukcijska ventila. Pred električno priključitvijo
morate grelnik obvezno najprej napolniti z vodo. Pri prvi polnitvi odprete ročico za toplo vodo na mešalni bateriji. Grelnik
je napolnjen, ko voda priteče skozi izlivno cev mešalne baterije.
Содержание
- 11 Уважаемый покупатель, благодарим Вас за покупку нашего изделия.; монтдж; ТЕХНИЧЕСКИЕ ХАРАКТЕРИСТИКИ АППАРАТА; входящей температуре холодной воды из водопровода 15°C.; ТЕХНИЧЕСКИЕ ХАРАКТЕРИСТИКИ ТЕПЛООБМЕННИКА; US
- 12 Соединительные и монтажные размеры водонагревателя [мм]; ПОДКЛЮЧЕНИЕ K ВОДОПРОВОДУ; от выбранной системы подключения. B открытой проточной системе
- 13 ПОДKЛЮЧЕНИЕ K ЭЛЕКТРОСЕТИ
- 14 ИСПОЛЬЗОВАНИЕ И УХОД