Водонагреватели Gorenje GBK120LNB6 - инструкция пользователя по применению, эксплуатации и установке на русском языке. Мы надеемся, она поможет вам решить возникшие у вас вопросы при эксплуатации техники.
Если остались вопросы, задайте их в комментариях после инструкции.
"Загружаем инструкцию", означает, что нужно подождать пока файл загрузится и можно будет его читать онлайн. Некоторые инструкции очень большие и время их появления зависит от вашей скорости интернета.

6
SL
O
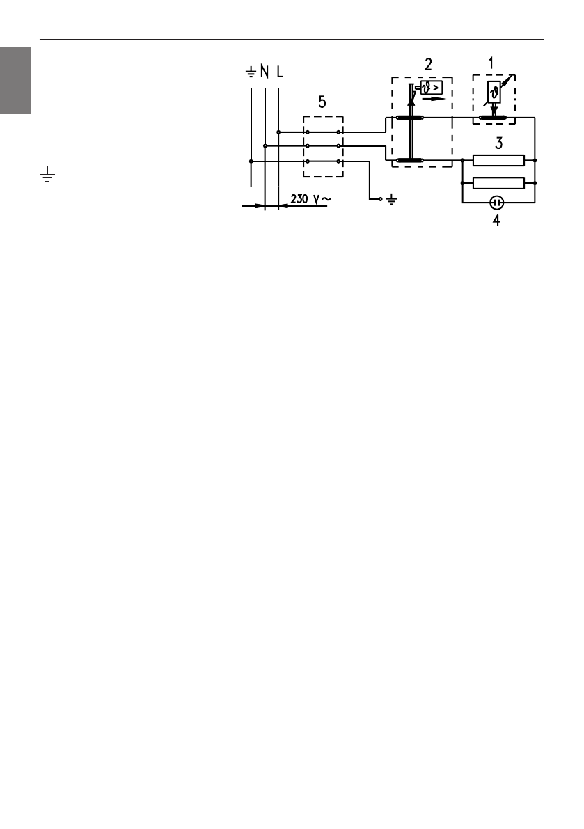
Legenda:
1 - Termostat
2 - Bimetalna varovalka
3 - Grelo (2 x 1000 W)
4 - Kontrolna svetilka
5 - Priključna sponka
L - Fazni vodnik
N - Nevtralni vodnik
- Zaščitni vodnik
OPOZORILO: Pred vsakim posegom v njegovo notranjost morate grelnik obvezno izključiti
iz električnega omrežja!
UPORABA IN VZDRŽEVANJE
Po priključitvi na vodovodno in električno omrežje je grelnik pripravljen za uporabo.
Z vrtenjem gumba na termostatu, ki je na prednji strani zaščitnega pokrova, izbirate željeno temperaturo
vode med 25°C in 75°C. Priporočamo nastavitev gumba na položaj “E”; Takšna nastavitev je najbolj varčna;
pri njej bo temperatura vode približno 55°C, izločanje vodnega kamna in toplotna izguba pa bosta manjša
kot pri nastavitvah na višjo temperaturo.
Delovanje električnega grela pokaže kontrolna svetilka. Grelniki imajo na obodu vgrajen tudi termometer,
ki kaže temperaturo vode. Če grelnika ne mislite uporabljati dalj časa, zavarujete njegovo vsebino pred
zmrznitvijo na ta način, da elektrike ne izklopite, gumb termostata pa nastavite na položaj “*”. Pri tej
nastavitvi bo grelnik vzdrževal temperaturo vode pri približno 10°C. Če boste grelnik iz električnega omrežja
izklopili, morate ob nevarnosti zmrznitve vodo iz njega iztočiti. Pred izpustom vode je grelnik obvezno
treba izključiti iz električnega omrežja. Po tem odpremo ročico za toplo vodo na eni od mešalnih baterij, ki
je priključena na grelnik. Vodo iz grelnika izpustimo skozi dotočno cev. V ta namen priporočamo, da med
varnostni ventil in dotočno cev vgradite ustrezen izpustni ventil ali T kos. Če temu ni tako, grelnik lahko
izpraznite tudi skozi izpust na varnostnem ventilu na ta način, da postavite vzvod oziroma vrtljivo kapico
ventila v položaj kot pri testiranju ventila. Po izpustu vode iz grelnika skozi dotočno cev vam bo v grelniku
ostala še manjša količina preostale vode, ki jo izpraznite ob odvitju prirobnice grelnika. Zunanjost grelnika
čistite z blago raztopino pralnega praška. Ne uporabljajte razredčil in grobih čistilnih sredstev.
Z rednimi servisnimi pregledi boste zagotovili brezhibno delovanje in dolgo življenjsko dobo grelnika.
Garancija za prerjavenje kotla velja le, če ste izvajali predpisane redne preglede izrabljenosti zaščitne anode.
Obdobje, med posameznimi rednimi pregledi, ne sme biti daljše od 36 mesecev. Pregledi morajo biti izvedeni
s strani pooblaščenega serviserja, ki Vam pregled evidentira na garancijskem listu proizvoda. Ob pregledu
preveri izrabljenost protikorozijske zaščitne anode in po potrebi očisti vodni kamen, ki se glede na kakovost,
količino in temperaturo porabljene vode nabere v notranjosti grelnika. Servisna služba vam bo po pregledu
grelnika glede na ugotovljeno stanje priporočila tudi datum naslednje kontrole.
Prosimo Vas, da morebitnih okvar na grelniku ne popravljate sami, ampak o njih
obvestite najbližjo pooblaščeno servisno službo.
Содержание
- 11 Уважаемый покупатель, благодарим Вас за покупку нашего изделия.; монтдж; ТЕХНИЧЕСКИЕ ХАРАКТЕРИСТИКИ АППАРАТА; входящей температуре холодной воды из водопровода 15°C.; ТЕХНИЧЕСКИЕ ХАРАКТЕРИСТИКИ ТЕПЛООБМЕННИКА; US
- 12 Соединительные и монтажные размеры водонагревателя [мм]; ПОДКЛЮЧЕНИЕ K ВОДОПРОВОДУ; от выбранной системы подключения. B открытой проточной системе
- 13 ПОДKЛЮЧЕНИЕ K ЭЛЕКТРОСЕТИ
- 14 ИСПОЛЬЗОВАНИЕ И УХОД