Водонагреватели Bosch WTD24 AME 7703311077 - инструкция пользователя по применению, эксплуатации и установке на русском языке. Мы надеемся, она поможет вам решить возникшие у вас вопросы при эксплуатации техники.
Если остались вопросы, задайте их в комментариях после инструкции.
"Загружаем инструкцию", означает, что нужно подождать пока файл загрузится и можно будет его читать онлайн. Некоторые инструкции очень большие и время их появления зависит от вашей скорости интернета.
Загружаем инструкцию

6 720 646 305 (2016/10)
Therm 6000S
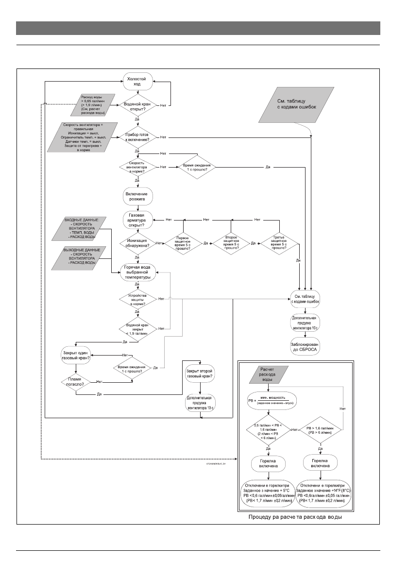
42 | Функциональная схема
11
Функциональная схема
Рис. 50
Содержание
- 2 Оглавление; Регулировка скорости вращения вентилятора
- 3 Пояснения символов и указания по технике безопасности | 3; Пояснения условных обозначений; Знак
- 4 Декларация о соответствии; Модель
- 5 Технические характеристики и габариты | 5; Дополнительное оборудование
- 6 | Технические характеристики и габариты; Вид прибора; [1] Дополнительное оборудование для подключения
- 7 Технические характеристики и габариты | 7; Электрическая схема
- 8 | Технические характеристики и габариты; Технические данные; Технические характеристики
- 9 Инструкция по эксплуатации; Горячая вода; вентилятор начинает работать; Защитное отключение вследствие перегрева воды; Для повторного пуска после защитного отключения:; Нормы
- 10 0 | Инструкция по эксплуатации; Индикатор температуры
- 11 Инструкция по эксплуатации | 11; Перед включением прибора; Подключение; Регулировка температуры воды
- 12 2 | Инструкция по эксплуатации; Эксплуатация; Активация нового ПДУ
- 13 Кнопка программирования; Использование функции программы; Функция приоритета
- 14 Продувка прибора; Код ошибки
- 15 Инструкции по установке | 15; Блокировка; Инструкции по установке; Важные замечания; Выбор места установки
- 16 Минимальные расстояния; Установка крепежного кронштейна; Установите крепежный кронштейн; Монтаж
- 17 Инструкции по установке | 17; Ослабьте два винта; Соединение воды
- 19 Инструкции по установке | 19; ▶ Затяните 4 винта дополнительного оборудования для; Монтаж дополнительного оборудования для; ▶ Установите прокладку между прибором и
- 20 Инструкция по сборке; Тип
- 22 2 | Дополнительное оборудование дымохода и подвода воздуха; Рекомендованные конструкции дымоходов
- 24 4 | Электрические подключения; Электрические подключения; ▶ Подключите питающий кабель к заземленной; Силовой кабель; Подключение силового кабеля
- 25 Электрические подключения | 25; Расположение предохранителей
- 26 6 | Инструкция по монтажу; Инструкция по монтажу; Заводские указания; Подтверждение давления газа после установки.; Показание статического давления газа
- 27 Инструкция по монтажу | 27; Режим настройки подачи газа; Регулировка CO; Если давление газа правильное:; Отверстие для измерения; Тип газа
- 28 Регулировка уровня P1 CO; Программа
- 29 Регулировка уровня P2 CO; Завершение регулировки; Нормативные значения CO
- 30 0 | Инструкция по монтажу; Программируемые значения; Описание
- 31 Инструкция по монтажу | 31; Диагностика платы управления; Диагностическое меню
- 33 Регулировка скорости вращения вентилятора
- 34 Обслуживание; Периодические работы по обслуживанию; Проверка работоспособности
- 35 Положение предохранителей; Пуск после обслуживания
- 36 6 | Устранение неисправностей; Устранение неисправностей; Код на дисплее; Замените датчик температуры дымового газа.
- 37 * Выполняется только монтажником или сервисным специалистом.
- 38 8 | Устранение неисправностей; первичного воздуха
- 40 Сбой ионизации при работе.













