Обогреватели Ballu-Biemmedue GP 85А C - инструкция пользователя по применению, эксплуатации и установке на русском языке. Мы надеемся, она поможет вам решить возникшие у вас вопросы при эксплуатации техники.
Если остались вопросы, задайте их в комментариях после инструкции.
"Загружаем инструкцию", означает, что нужно подождать пока файл загрузится и можно будет его читать онлайн. Некоторые инструкции очень большие и время их появления зависит от вашей скорости интернета.

38
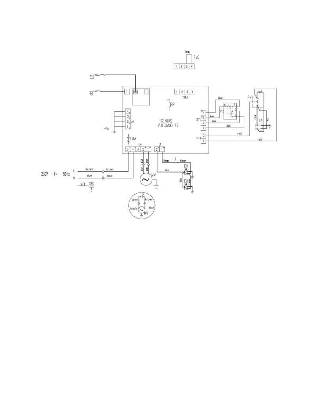
SCHEMA ELETTRICO - SCHEMA ELECTRIQUE
–
SCHALTSCHEMA - WIRING DIAGRAM - ESQUEMA
ELETRICO -
- ELEKTRISCH SCHEMA - SCHEMAT ELEKTRYCZNY
CO
CONDENSATORE
CONDENSATEUR
KONDENSATOR
CONDENSER
CONDENSADOR
CONDENSATOR
KONDENSATOR
MV
MOTORE VENTILATORE
MOTEUR DU VENTILATEUR
VENTILATOR MOTOR
FAN MOTOR
MOTOR VENTILADOR
VENTILATORMOTOR
SILNIK W ENTYLATORA
FUA
FUSIBILE
FUSIBLE
SICHERUNG
FUSE
FUSIBLE
FUSIBILE
BEZPIECZNIK
RV
INTERRUTTORE RISCALDAMENTO
INTERRUPTEUR CHAUFFAGE
SCHALTER HEIZUNG
HEATING SW ITCH
INTERRUPTOR DE LA CALEFACCIÓN
SCHAKELAAR VERW ARMING
АВŁ CГNIK OGRГEАANIA
EV
ELETTROVALVOLA GAS
ELECTROVANNE GAZ
GASMAGNETVENTIL
GAS SOLENOID VALVE
ELECTROVÁLVULA GAS
MAGNEETKLEP GAS
ГAАÓR ELEKTROMAGNETВCГNВ GAГU
LI
TERMOSTATO DI SICUREZZA
THERMOSTAT DE SURCHAUFFE
SICHERHEITSTHERMOSTAT
OVERHEAT THERMOSTAT
TERMOSTATO DE SEGURIDAD
VEILIGHEIDSTHERMOSTAAT
TERMOSTAT ГABEГPIECГAJ CВ
PR
PULSANTE DI RIARMO
BOUTON REARMEMENT
RESET KNOPF MIT KONTROLLAMPE
RESET BUTTON
PULSADOR RESTABLECIMIENTO
RESETKNOP MET CONTROLELAMPJE
PRZYCISK RESETOW ANIA
AP
APPARECCHIATURA DI CONTROLLO
COFFRET DE SECURITE
STEUEREINHEIT
CONTROL BOX
APARATO DE CONTROL
CONTROLEAPPARATUUR
APARATURA STEROW NICZA
TA
PRESA TERMOSTATO AMBIENTE
PRISE THERMOSTAT D’AMBIANCE
STECKBUCHSE RAUMTHERMOSTAT
ROOM THERMOSTAT PLUG
ENCHUFE TERMOSTATO AMBIENTE
STOPCONTACT VOOR KAMERTHERMOSTAAT
GNIAZDO TERMOSTATU OTOCZENIA
EI
ELETTRODO DI IONIZZAZIONE
лLECTRODE D'IONISATION
IONISATIONSELEKTRODE
IONISATION ELECTRODE
ELECTRODO DE IONIГACIÓN
IONISATIE-ELEKTRODE
ELEKTRODA JONIZACYJNA
EL
ELETTRODO ACCENSIONE
лLECTRODE D'IONISATION
ГоNDEL
EKTRODE
IGNITION ELECTRODE
ELECTRODO DE ENCENDIDO
ГоNDELEKTRODE
ONTSTEKINGSELEKTROD
ELEKTRODA ГAPŁONOАA
RP
RESISTENZA L-L / L-N
RESISTANCE L-L / L-N
WIDERSTAND L-L / L-N
RESISTOR L-L / L-N
RESISTENCIA L-L/L-N
L
-L / L-N
WEERSTAND L-L / L-N
REZYSTOR L-L / L-N
PVC
CONNETTORE POST-VENTILAZIONE
CONNECTEUR DE POST-VENTILATION
STECKVERBINDER NACHLоFTUNG
POST-VENTILATION CONNECTOR
CONECTOR POST-
VENTILACIÓN
-
CONNECTOR POSTVENTILATIE
APARATURA STEROW NICZA
GP 30A C
–
GP 45A C
GP 65A C
–
GP 85A C
GP 85A