Материнские платы MSI B550M PRO-VDH - инструкция пользователя по применению, эксплуатации и установке на русском языке. Мы надеемся, она поможет вам решить возникшие у вас вопросы при эксплуатации техники.
Если остались вопросы, задайте их в комментариях после инструкции.
"Загружаем инструкцию", означает, что нужно подождать пока файл загрузится и можно будет его читать онлайн. Некоторые инструкции очень большие и время их появления зависит от вашей скорости интернета.

13
Компоненты материнской платы
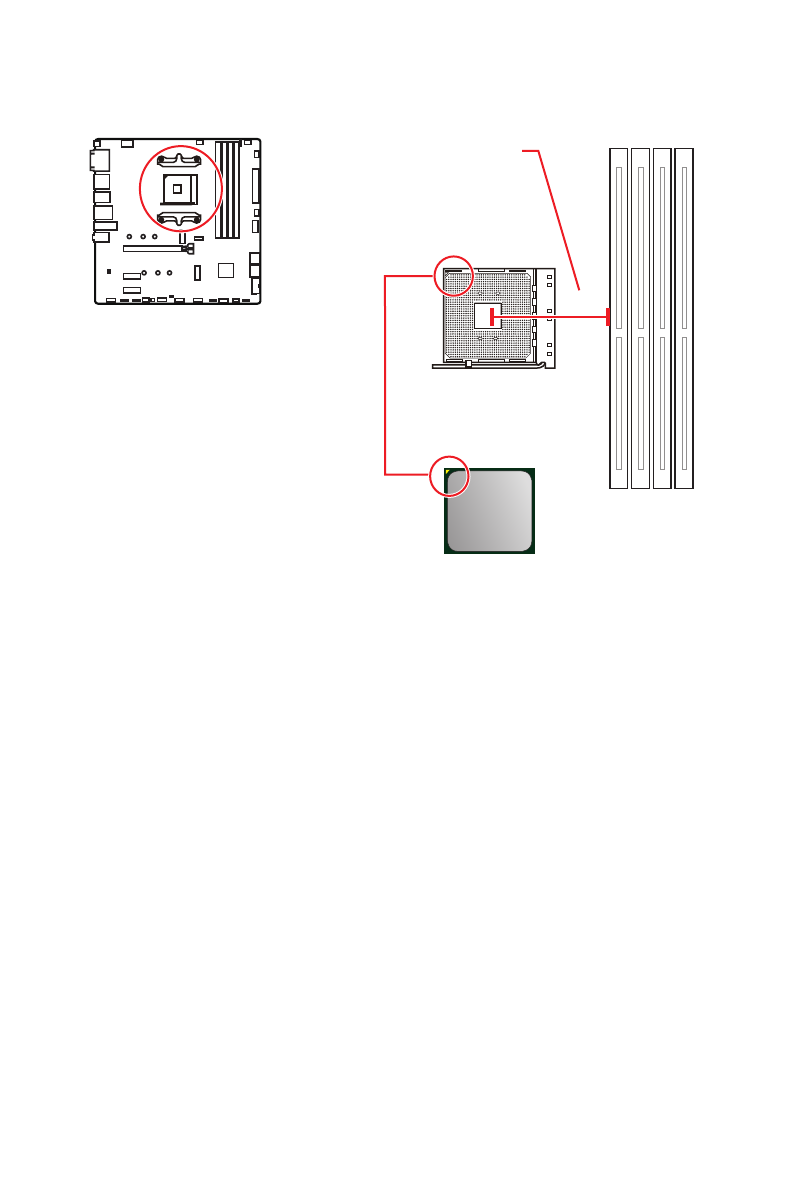
Процессорный сокет
Процессор AM4
На поверхности процессора AM4
имеется золотой треугольник для
правильной установки процессора
относительно процессорного
сокета материнской платы.
Золотой треугольник указывает на
контакт 1.
53.8 мм
Расстояние от центра
процессора до ближайшего
слота DIMM.
⚠
Внимание!
∙
Из-за особенностей архитектуры процессоров АМ4, замена процессора может
привести к сбросу настроек BIOS до значений по умолчанию.
∙
Перед установкой или заменой процессора, необходимо отключить кабель
питания.
∙
При установке процессора обязательно установите процессорный кулер. Кулер,
представляющий собой систему охлаждения процессора, предотвращает перегрев
и обеспечивает стабильную работу системы.
∙
Перед включением системы проверьте герметичность соединения между
процессором и радиатором.
∙
Перегрев может привести к серьезному повреждению процессора и материнской
платы. Всегда проверяйте работоспособность вентилятора для защиты процессора
от перегрева. При установке кулера нанесите ровный слой термопасты (или
термоленту) на крышку установленного процессора для улучшения теплопередачи.
∙
Если вы приобрели отдельно процессор и процессорный кулер, подробное
описание установки см. в документации в данному кулеру.
∙
Данная системная плата разработана с учетом возможности ее «разгона». Перед
выполнением разгона системы убедитесь в том, что все компоненты системы
смогут его выдержать. Производитель не рекомендует использовать параметры,
выходящие за пределы технических характеристик устройств. Гарантия
MSI® не распространяется на повреждения и другие возможные последствия
ненадлежащей эксплуатации оборудования.
Содержание
- 6 Installing the Motherboard/ Installation des Motherboards/
- 7 VII; Connecting the Power Connectors/ Stromanschlüsse
- 127 Содержание
- 128 Безопасное использование продукции
- 129 Технические характеристики
- 130 Подключение; SATA; USB; Realtek® ALC892 Codec; LAN
- 131 Разъемы на плате
- 132 Center
- 133 Эксклюзивные
- 134 Комплект поставки
- 135 Задняя панель портов ввода/ вывода; ∙ Порт/Кнопка Flash BIOS; Таблица состояний индикатора порта LAN; BIOS
- 136 ∙ Выбор устройства
- 139 Процессорный сокет; Процессор AM4
- 140 Слоты DIMM; Рекомендации по установке модулей памяти
- 141 MSI Gaming Series Graphics Card Bolster
- 142 Видео Инструкция; Смотрите видео, чтобы узнать как; Установка устройства в разъем M2_1; Удалите винты для радиатора M.2 SHIELD FROZR.
- 143 Стойка для радиатора; Установка устройства в разъем M2_2; соответствии с длиной вашего M.2 SSD. Если модуль M.2 SSD и радиатор
- 144 JAUD1: Разъем аудио передней панели; расположенных на передней панели.
- 145 подключения всех кабелей питания к блоку питания АТХ.
- 146 правильно относительно разъема.
- 147 контакты VCC и земли.; JTPM1: Разъем модуля ТРМ
- 148 Переключение режимов работы и скорости вращения вентилятора; Назначение контактов разъема для подключения вентилятора; Разъем
- 149 JCI1: Разъем датчика открытия корпуса; Использование датчика открытия корпуса
- 150 Сброс настроек BIOS до значений по умолчанию; JCOM1: Разъем последовательного порта
- 151 обесточить систему и отключить кабель питания.; Подключение RGB светодиодных лент
- 152 светодиодных лент 5В к разъему JRGB приведет к их повреждению.; Подключение адресных RGB светодиодных лент
- 153 Индикаторы отладки EZ; - память DRAM не обнаружена или повреждена.; - устройство загрузки не обнаружено или; LED_SW1: Переключатель для управления индикаторами EZ; на материнской плате.
- 154 Установка ОС, драйверов и утилит; Установка Windows® 10
- 155 Преимущества UEFI; ∙ 32-битная ОС Windows; Как проверить режим BIOS?; Режим загрузки UEFI
- 156 Настройка BIOS; всегда устанавливайте настройки по умолчанию; Вход в настройки BIOS; Функциональные клавиши
- 157 Сброс BIOS; очистки данных CMOS; Обновление BIOS; Обновление BIOS при помощи M-FLASH; Yes
- 158 Обновление BIOS при помощи кнопки Flash BIOS; порт Flash BIOS
- 159 Режим EZ
- 161 ▪ Добавление пункта BIOS в меню Избранное
- 162 Режим разгона; переключатель режимов установки; ∙ Выбор меню BIOS
- 163 Меню OC
- 166 ii
Характеристики
Остались вопросы?Не нашли свой ответ в руководстве или возникли другие проблемы? Задайте свой вопрос в форме ниже с подробным описанием вашей ситуации, чтобы другие люди и специалисты смогли дать на него ответ. Если вы знаете как решить проблему другого человека, пожалуйста, подскажите ему :)