Материнские платы GIGABYTE 8S661FXME RZ - инструкция пользователя по применению, эксплуатации и установке на русском языке. Мы надеемся, она поможет вам решить возникшие у вас вопросы при эксплуатации техники.
Если остались вопросы, задайте их в комментариях после инструкции.
"Загружаем инструкцию", означает, что нужно подождать пока файл загрузится и можно будет его читать онлайн. Некоторые инструкции очень большие и время их появления зависит от вашей скорости интернета.

- 8 -
8S661FXME-RZ Motherboard
English
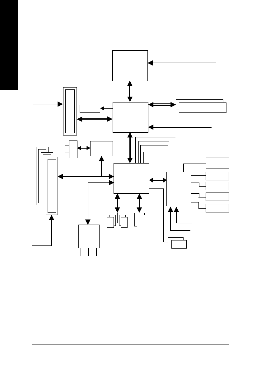
Block Diagram
SiS 661FX
SiS 963L
CPUCLK+/- (100/133/200MHz)
System Bus
800/533/400MHz
MCHCLK (100/133/200MHz)
66 MHz
33 MHz
14.318 MHz
48 MHz
LPC BUS
AGP 4X/8X
AGPCLK
(66MHz)
3 PCI
PCICLK
(33MHz)
RJ45
AC97 Link
6 USB
Ports
ATA33/66/100/133
IDE Channels
R T L
8100C
IT8705
24 MHz
33 MHz
Game Port
Floppy
LPT Port
PS/2 KB/Mouse
Pentium 4
Socket 478
C P U
266/333/400MHz
DDR RAM
BIOS
MIC
LINE-IN
LINE-OUT
AC97
CODEC
VGA Port
COMA