Котел Stropuva S15P - инструкция пользователя по применению, эксплуатации и установке на русском языке. Мы надеемся, она поможет вам решить возникшие у вас вопросы при эксплуатации техники.
Если остались вопросы, задайте их в комментариях после инструкции.
"Загружаем инструкцию", означает, что нужно подождать пока файл загрузится и можно будет его читать онлайн. Некоторые инструкции очень большие и время их появления зависит от вашей скорости интернета.

18
Wespe Heizung Industrial, Wespe Heizung Industrial C/W
ТЕХНИЧЕСКИЕ ДАННЫЕ ДЛЯ ЭЛЕКТРОКОТЛОВ Wespe
Heizung Industrial, Wespe Heizung Industrial C/W
Мощ-
ность,
кВт
Объем,
л
Размеры,
мм
Вес,
кг
Максималь-
ное рабочее
давление
MПа (бар)
Трубы
БСТ с
наруж.
резьбой
Источник
питания
6
6
A 330
B 750
C 230
D 100
E 57
F 126
21,4
0,25 (2,5)
3/4”
400V 3N
~ 50/60
Hz
9
12
14
16
18
10
A 400
B 750
C 230
D 150
E 57
F 126
30
1”
22
24
28
32
36
19
A 400
B 750
C 310
D 126
E 115
F 109
42
6/4”
40
44
48
51
Продолжение
…
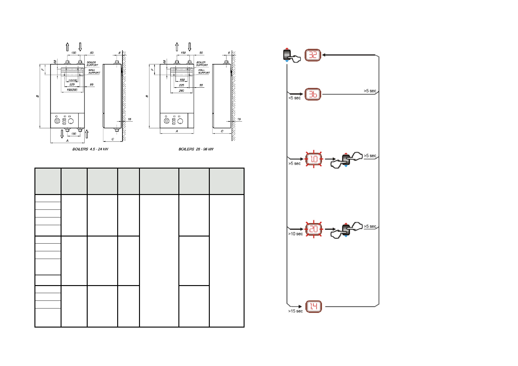
Отображение текущей температу-
ры в резервуаре санитарной воды
Нажав клавишу (8) пользователь
может выбрать функцию отображе-
ния текущей температуры в баке.
Значение отображается в течение 5
секунд, после чего дисплей возвра-
щается к индикации фактической
температуры воды в котле.
Установка времени выбега насоса
санитарной воды
При нажатии клавиши (8), пользова-
тель может установить время выбега
насоса санитарной воды.
Показание времени выбега циркуля-
ционного насоса мигает.
Нажав клавишу, время меняется от
0,1 мин до 19 мин. В приращение 0,1.
Если в течении 5 секунд клавиша (8)
не будет нажата, значение на дис-
плее запоминается и становится ак-
тивным.
По умолчанию: 1 м ин.
Настройка температу ры котла в
режиме ожидания
При нажатии клавиши (8), пользова-
тель может установить температуры
котла в режиме ожидания.
На дисплее отобразится текущая
температура котла в режиме ожида-
ния.
Нажатие клавиши (8) будет изменять
температуры ожидания на 1°C. Если
в течении 5 секунд клавиша (8) не
будет нажата, значение на дисплее
будут сохранено в памяти и стано-
вится активным.
Диапазон регулировки: 10°C - 50°C
Заводская установка по умолча-
нию: 15°C
Возврат к заводским настройкам
Нажав клавишу (8) более чем на 15
Содержание
- 2 Дата продажи
- 3 Протокол изменений; СОДЕРЖАНИЕ
- 4 ских регуляторов...............................................................34; WH Industrial; Отметки сервисного центра
- 6 Печать торговой организации
- 8 Условия гарантии; первоначальном пуске
- 11 Список возможных неисправностей и сбоев в работе; НЕИСПРАВНОСТЬ ПРИЧИНА
- 12 отопительным сезоном). Данное обслуживание не входит в гарантию.
- 13 Техническое обслуживание
- 15 Технические характеристики электрокотла; Wespe Heizung Complete U; ТЕХНИЧЕСКИЕ ДАННЫЕ ДЛЯ ЭЛЕКТРОКОТЛОВ Wespe
- 16 Wespe Heizung Complete Only; Функциональные характеристики центрального отопления с
- 17 Hz
- 18 Wespe Heizung Industrial, Wespe Heizung Industrial C/W; Продолжение
- 19 бытового водоснабжения (панель управления тип 2); Характеристики расширительного бака (Электрокотлы; Значения относятся к диапазону рабочей температуры от 10 С до 90 С.
- 20 Внутри; Продолжение...
- 21 Функциональные элементы котлов Wespe Heizung
- 22 Вывод линии подачи
- 24 Компоненты, входящие в объем поставки; Наименование; Таблица компонентов комплекта поставки; Тип 1 – Внешний температурный регулятор Industrial С
- 25 Предварительные замечания
- 26 Минимальные расстояния; Обеспечить доступ к панели управления в нижней части котла; Работа со стандартной панелью управления; Стандартная электромеханическая панель управления
- 27 Выбор скорости работы насоса
- 28 Заполнение отопительной системы; Ввод в эксплуатацию; Проверка системы центрального отопления
- 29 Расположение двухрядного переключателя на задней панели; Диаграмма подбора циркуляционного насоса
- 30 Порядок установки котла; Котел не подвергался риску погружения в воду; Установка котла на подвесной кронштейн; Соединительная планка
- 31 Heizung; Установка на стену
- 32 WH Industrial, WH Complete U, WH Complete Only; Датчик температуры емкости с
- 33 Подключение источника питания
- 34 Подключение устройства защитного отключения (RCD); электрических регуляторов; Доступ к соединительной планке; Датчик температуры внешней