Котел Stropuva S15P - инструкция пользователя по применению, эксплуатации и установке на русском языке. Мы надеемся, она поможет вам решить возникшие у вас вопросы при эксплуатации техники.
Если остались вопросы, задайте их в комментариях после инструкции.
"Загружаем инструкцию", означает, что нужно подождать пока файл загрузится и можно будет его читать онлайн. Некоторые инструкции очень большие и время их появления зависит от вашей скорости интернета.

16
18
10
10/0,8
A 400
B 930
C 290
D 150
E 65
F 305
41,5
1”
20
22
24
28
22
12/0,8
A 474
B 930
C 290
D 226
E 65
F 305
51
32
36
40
Wespe Heizung Complete Only
подвесной
кронштейн
котла
подвесной
кронштейн
на стене
53
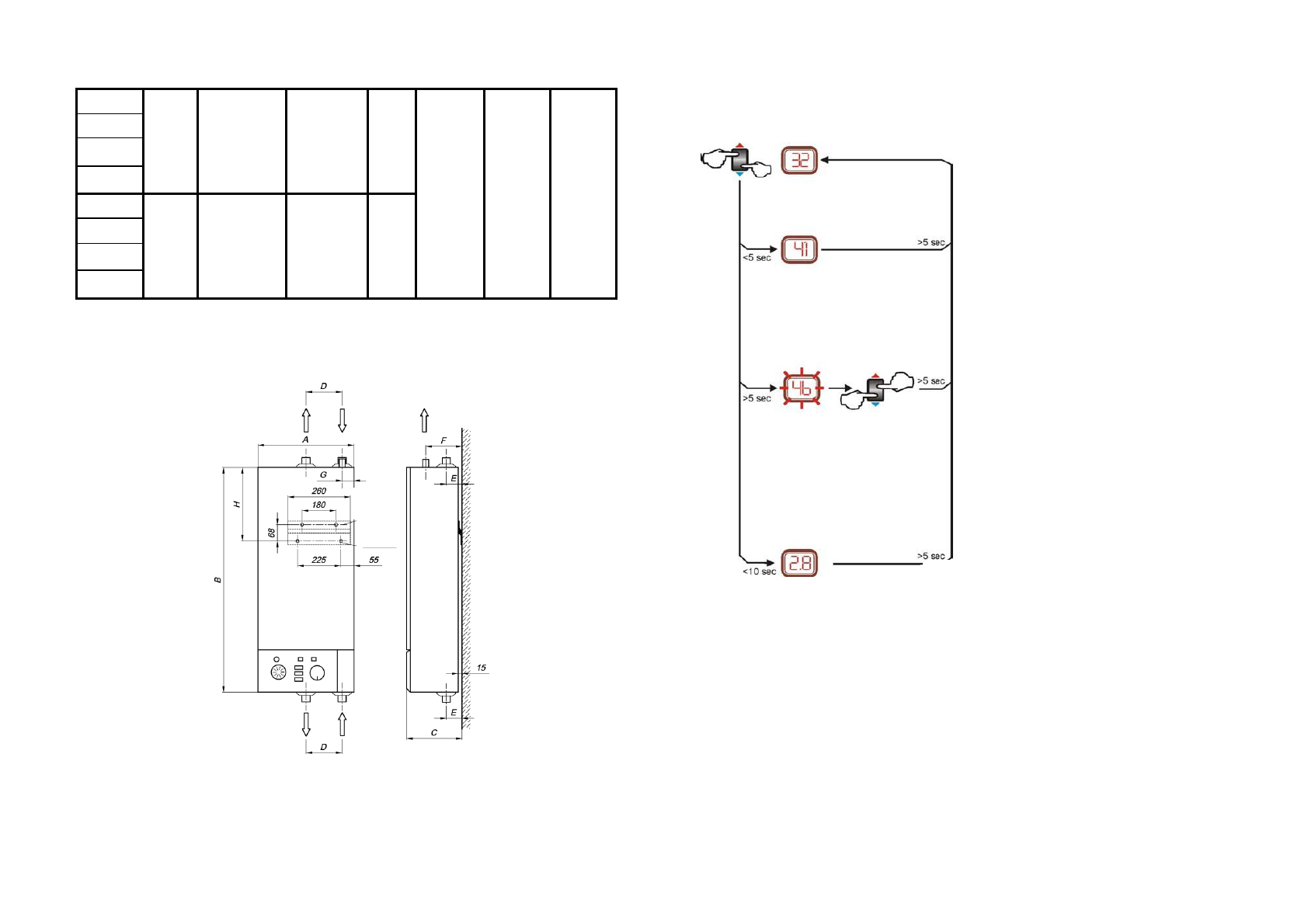
5.5.4 Функциональные характеристики центрального отопления с
отключенными кривыми нагрева
Отображение желаемой темпера-
туры котла
Если клавиша (6) нажата менее 5
секунд дисплей покажет нужную
температуру котла. Значение ото-
бражается в течение 5 секунд, после
чего дисплей обычно показывает
фактическую температуру воды в
котле.
Установка нужной температуры
котла
Нажав клавишу (6), пользователь
может войти в меню температуры
котла.
Нужная температуры котла замига-
ет.
Нажав клавишу (6) вверх или вниз,
может быть установлена, нужная
котла температура с шагом в 1°C.
Если в течении 5 секунд клавиша (6)
не будет нажата, значение на дис-
плее будут сохранены в памяти и
станут активными.
Диапазон
Радиаторное отопления:
диапазон
регулирования 27°C - 80°С, по умол-
чанию 60° C
Теплые полы
: диапазон регулиров-
ки 20°C - 45°C, по умолчанию 40°C
Возврат к заводским настройкам
Нажав клавишу (8) более чем на 15
секунд, все параметры будут вер-
нуться заводским значениям, и кон-
троллер будет сброшен.
>5 с
Содержание
- 2 Дата продажи
- 3 Протокол изменений; СОДЕРЖАНИЕ
- 4 ских регуляторов...............................................................34; WH Industrial; Отметки сервисного центра
- 6 Печать торговой организации
- 8 Условия гарантии; первоначальном пуске
- 11 Список возможных неисправностей и сбоев в работе; НЕИСПРАВНОСТЬ ПРИЧИНА
- 12 отопительным сезоном). Данное обслуживание не входит в гарантию.
- 13 Техническое обслуживание
- 15 Технические характеристики электрокотла; Wespe Heizung Complete U; ТЕХНИЧЕСКИЕ ДАННЫЕ ДЛЯ ЭЛЕКТРОКОТЛОВ Wespe
- 16 Wespe Heizung Complete Only; Функциональные характеристики центрального отопления с
- 17 Hz
- 18 Wespe Heizung Industrial, Wespe Heizung Industrial C/W; Продолжение
- 19 бытового водоснабжения (панель управления тип 2); Характеристики расширительного бака (Электрокотлы; Значения относятся к диапазону рабочей температуры от 10 С до 90 С.
- 20 Внутри; Продолжение...
- 21 Функциональные элементы котлов Wespe Heizung
- 22 Вывод линии подачи
- 24 Компоненты, входящие в объем поставки; Наименование; Таблица компонентов комплекта поставки; Тип 1 – Внешний температурный регулятор Industrial С
- 25 Предварительные замечания
- 26 Минимальные расстояния; Обеспечить доступ к панели управления в нижней части котла; Работа со стандартной панелью управления; Стандартная электромеханическая панель управления
- 27 Выбор скорости работы насоса
- 28 Заполнение отопительной системы; Ввод в эксплуатацию; Проверка системы центрального отопления
- 29 Расположение двухрядного переключателя на задней панели; Диаграмма подбора циркуляционного насоса
- 30 Порядок установки котла; Котел не подвергался риску погружения в воду; Установка котла на подвесной кронштейн; Соединительная планка
- 31 Heizung; Установка на стену
- 32 WH Industrial, WH Complete U, WH Complete Only; Датчик температуры емкости с
- 33 Подключение источника питания
- 34 Подключение устройства защитного отключения (RCD); электрических регуляторов; Доступ к соединительной планке; Датчик температуры внешней