Котел Stropuva S15P - инструкция пользователя по применению, эксплуатации и установке на русском языке. Мы надеемся, она поможет вам решить возникшие у вас вопросы при эксплуатации техники.
Если остались вопросы, задайте их в комментариях после инструкции.
"Загружаем инструкцию", означает, что нужно подождать пока файл загрузится и можно будет его читать онлайн. Некоторые инструкции очень большие и время их появления зависит от вашей скорости интернета.

54
5.5.5. Доступ к специальному меню сервиса
Доступ к специальному меню
услуг
Чтобы получить доступ к специаль-
ному меню нажмите одновременно
кнопку(6) во время включения глав-
ного выключателя на котле - УЗО (в
этот момент кнопка(7) должен быть
выключен)
Ограничение максимальной тем-
пературы котла
Нажав клавишу (6), пользователь
может ограничить максимальный
температуру котла.
Дисплей показывает максимальную
температуру, которая начинает ми-
гать
Нажав вверх или вниз, пользователь
может установить новый максимум
температуры.
Если в течении 5 секунд клавиша (6)
не будет нажата, значение на дис-
плее будет сохранено в памяти и
станет активным.
Радиаторное отопления: Диапа-
зон 60°C-90°C, по умолчанию за-
вода 80°C
Теплые полы: Диапазон 30°C-50°
C, по умолчанию завода 45°C
Установка минимальной темпера-
туры котла
Нажав клавишу (6) пользователь
может
установить
минимальную
температуру котла.
Минимальная температура котла
начнет мигать.
При нажатии клавиши пользователь
может выбрать нужную минималь-
ную температуру котла. Изменения
температуры с шагом в 1°C. Если в
течении 5 секунд клавиша (6) не
будет нажата, значение на дисплее
будет сохранено в памяти и стано-
вится активным.
Радиаторное отопления: Диапа-
зон 20°C-45°C по умолчанию за-
вода 45°C
Теплые полы: Диапазон 15°C-
30°C, по умолчанию завода 30°C
15
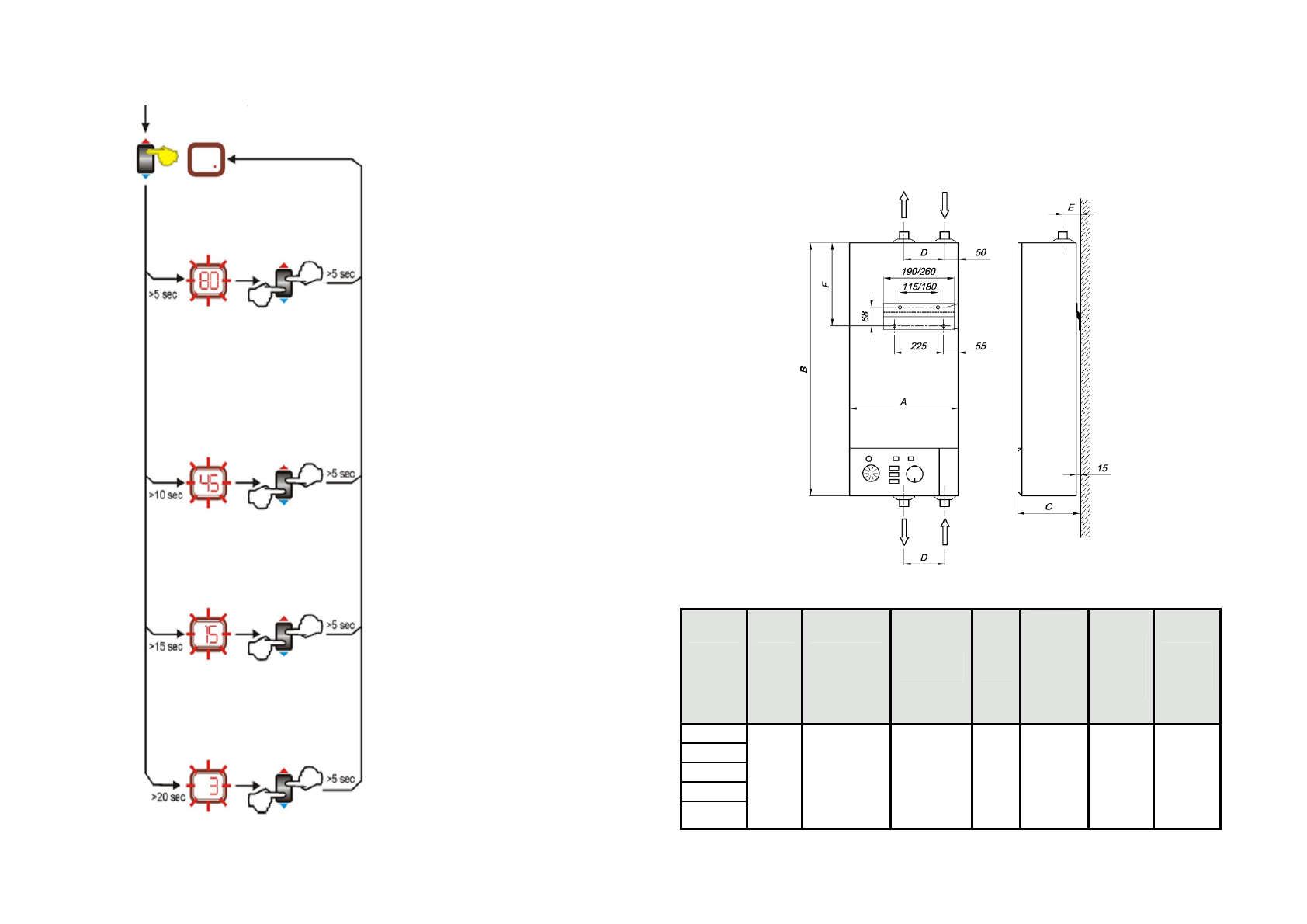
2. Технические характеристики электрокотла
2.1 Размеры
Wespe Heizung Complete U
ТЕХНИЧЕСКИЕ ДАННЫЕ ДЛЯ ЭЛЕКТРОКОТЛОВ Wespe
Heizung Complete U
Мощ-
ность,
кВт
Объ-
ем,
л
Расшири-
тельный
бак, л/бар
Размеры,
мм
Вес,
кг
Макси-
мальное
рабочее
давле-
ние
MПа
(бар)
Трубы
БСТ с
наруж.
резьбой
Источ-
ник
питания
6
6
8/0,8
A 330
B 930
C 290
D 100
E 65
F 320
34,4
0,25
(2,5)
3/4”
400V
3N ~
50/60
Hz
9
12
14
16
подвесной
кронштейн
подвесной
кронштейн
на стене
Содержание
- 2 Дата продажи
- 3 Протокол изменений; СОДЕРЖАНИЕ
- 4 ских регуляторов...............................................................34; WH Industrial; Отметки сервисного центра
- 6 Печать торговой организации
- 8 Условия гарантии; первоначальном пуске
- 11 Список возможных неисправностей и сбоев в работе; НЕИСПРАВНОСТЬ ПРИЧИНА
- 12 отопительным сезоном). Данное обслуживание не входит в гарантию.
- 13 Техническое обслуживание
- 15 Технические характеристики электрокотла; Wespe Heizung Complete U; ТЕХНИЧЕСКИЕ ДАННЫЕ ДЛЯ ЭЛЕКТРОКОТЛОВ Wespe
- 16 Wespe Heizung Complete Only; Функциональные характеристики центрального отопления с
- 17 Hz
- 18 Wespe Heizung Industrial, Wespe Heizung Industrial C/W; Продолжение
- 19 бытового водоснабжения (панель управления тип 2); Характеристики расширительного бака (Электрокотлы; Значения относятся к диапазону рабочей температуры от 10 С до 90 С.
- 20 Внутри; Продолжение...
- 21 Функциональные элементы котлов Wespe Heizung
- 22 Вывод линии подачи
- 24 Компоненты, входящие в объем поставки; Наименование; Таблица компонентов комплекта поставки; Тип 1 – Внешний температурный регулятор Industrial С
- 25 Предварительные замечания
- 26 Минимальные расстояния; Обеспечить доступ к панели управления в нижней части котла; Работа со стандартной панелью управления; Стандартная электромеханическая панель управления
- 27 Выбор скорости работы насоса
- 28 Заполнение отопительной системы; Ввод в эксплуатацию; Проверка системы центрального отопления
- 29 Расположение двухрядного переключателя на задней панели; Диаграмма подбора циркуляционного насоса
- 30 Порядок установки котла; Котел не подвергался риску погружения в воду; Установка котла на подвесной кронштейн; Соединительная планка
- 31 Heizung; Установка на стену
- 32 WH Industrial, WH Complete U, WH Complete Only; Датчик температуры емкости с
- 33 Подключение источника питания
- 34 Подключение устройства защитного отключения (RCD); электрических регуляторов; Доступ к соединительной планке; Датчик температуры внешней