Страница 3 - Содержание; Название
i Содержание Название Страница Введение ............................................................................................................... 1 Контактная информация ....................................................................................... 1 Информация о безопасности ...........
Страница 4 - ii
80 Series V Руководство пользователя ii Измерение емкости ............................................................................................ 21 Тестирование диодов ........................................................................................ 22 Измерение силы постоянного или пер...
Страница 5 - iii; Список; Таблица
iii Список таблиц Таблица Название Страница 1. Электрические обозначения ........................................................................................ 5 2. Входы .......................................................................................................................... 6 3....
Страница 7 - Рисунок
v Список рисунков Рисунок Название Страница 1. Функции дисплея ( модель 87)...................................................................................... 11 2. Измерение напряжения переменного и постоянного тока ............................................ 14 3. Фильтр низких частот r .........
Страница 9 - Multimeters; Введение; XW; Предупреждение; Контактная
Multimeters Введение 1 Введение XW Предупреждение Перед использованием мультиметра ознакомьтесь с " Информацией по технике безопасности ". Если не указано иное , описания и инструкции , содержащиеся в настоящем руководстве , относятся к мультиметрам серии V моделей 83 и 87 ( далее называемым...
Страница 10 - Информация
80 Series V Руководство пользователя 2 Информация о безопасности Прибор соответствует требованиям : • EN61010-1:2001 • ANSI/ISA S82.01-2004 • CAN/CSA C22.2 No. 1010.1:2004 • UL610101-1 • Категория измерений III, 1000 В , степень загрязнений 2 • Категория измерений IV, 600 В , степень загрязнений 2 В...
Страница 13 - CAT
Multimeters Информация о безопасности 5 Таблица 1. Электрические обозначения B AC ( переменный ток ) J Заземление F DC ( постоянный ток ) I Предохранитель X Опасное напряжение P Соответствие требованиям директив Европейского союза . W Опасность . Важная информация . См . руководство . $ Соответствие...
Страница 14 - Функции; mA
80 Series V Руководство пользователя 6 Функции прибора В таблицах 2 – 5 представлено краткое описание функций прибора . Таблица 2. Входы Клемма Описание A Вход для измерений силы тока в диапазоне 0 А – 10,00 А ( перегрузка 20 А в течение максимум 30 с ), частоты тока и коэффициента заполнения . mA μ...
Страница 15 - для
Multimeters Функции прибора 7 Таблица 3. Положения поворотного переключателя Положение переключателя Функция Любое положение При включении прибора номер модели на короткое время появляется на дисплее . J Измерение напряжения переменного тока Нажмите A для включения фильтра низких частот ( K ) ( толь...
Страница 16 - PoFF; MIN MAX; обслуживанию
80 Series V Руководство пользователя 8 Таблица 4. Кнопки Кнопка Положение переключателя Функция N Выбор емкости M Выбор температуры ( только модель 87) J Выбор функции фильтра низких частот переменного тока ( только модель 87) P Переключение постоянный / переменный ток Q Переключение постоянный / пе...
Страница 18 - mV
80 Series V Руководство пользователя 10 Таблица 4. Кнопки ( продолжение ) Кнопка Положение переключателя Функция F ( относите льный режим ) Любое положение переключателя Power-up Сохранение текущего значения в качестве эталона для последующих значений . Дисплей обнуляется и сохраненное значение вычи...
Страница 19 - RS; MAX MIN
Multimeters Функции прибора 11 aom1_af.eps Рисунок 1. Функции дисплея ( модель 87) Таблица 5. Функции дисплея Номер Функция Индикация Y Индикатор полярности аналоговой гистограммы . A Trig Y Индикатор положительной / отрицательной крутизны запускающего сигнала для запуска измерения Гц / коэффициента...
Страница 21 - Âíèìàíèå; Выполнение
Multimeters Выполнение измерений 13 Функции Power-Up Удержанием кнопки включения прибора активируется функция power-up. См . таблицу 4. Автоматическое отключение питания Питание прибора автоматически отключается , если поворотный переключатель или кнопки устройства не используются в течение 30 мин ....
Страница 22 - Коммутационная
80 Series V Руководство пользователя 14 При измерении напряжения , прибор действует примерно как сопротивление 10 М Ω (10 000 000 Ω ), подключенное параллельно с проверяемой цепью . В цепях высокого сопротивления указанный эффект нагрузки может вызвать ошибки при измерении напряжения . В большинстве...
Страница 24 - eG; Проверка
80 Series V Руководство пользователя 16 Измерение температуры (87) Прибор измеряет температуру термопары типа К (type- K) ( в комплекте ). Выбор шкалы – по Цельсию ( ° C)/ Фаренгейту ( ° F) – осуществляется нажатием кнопки C . W Âíèìàíèå Во избежание повреждения прибора или другого оборудования помн...
Страница 25 - Для проверки цепи необходимо обесточить цепь.
Multimeters Выполнение измерений 17 ВКЛ (замкнуто) Для проверки цепи необходимо обесточить цепь. MI N MAX RA N GE REL Hz % A u toHOLD Peak MI N MAX 4½ DIGITS 1 Second ° C/ ° F OFF mA A mV V V A A mA COM V 400mA FUSED 10A MAX FUSED A TRUE RMS MULTIMETER 87 V LO LO Включает зуммер электропровод ВКЛ (з...
Страница 26 - Измерение
80 Series V Руководство пользователя 18 Измерение сопротивления W Âíèìàíèå Во избежание повреждения прибора или тестируемого оборудования перед измерением сопротивления необходимо обесточить цепь и разрядить все высоковольтные конденсаторы . Прибор измеряет сопротивление , пропуская слабый ток через...
Страница 27 - Питание цепи; Изолировать потенциометр; Изолировать резистор
Multimeters Выполнение измерений 19 MI N MAX RA N GE REL Hz % A u toHOLD Peak MI N MAX 4½ DIGITS 1 Second ° C/ ° F OFF mA A mV V V A A mA COM V 400mA FUSED 10A MAX FUSED A TRUE RMS MULTIMETER 87 V LO LO Питание цепи oткл Измерение coпрoтивления в цепи Отcoединить 1 2 3 Изолировать потенциометр 1 3 2...
Страница 28 - MIN
80 Series V Руководство пользователя 20 Использование проводимости при проверке высокого сопротивления и изоляции Проводимость , как обратное сопротивлению явление , есть способность цепи проводить электрический ток . Высокие значения проводимости соответствуют низким значениям сопротивления . В диа...
Страница 30 - Тестирование
80 Series V Руководство пользователя 22 Тестирование диодов W Âíèìàíèå Во избежание повреждения измерительного прибора или тестируемого оборудования необходимо перед тестированием диодов отключить питание цепей и разрядить все высоковольтные конденсаторы . Режим проверки диодов используется для тест...
Страница 31 - или
Multimeters Выполнение измерений 23 MI N MAX RA N GE REL Hz % A u toHOLD Peak MI N MAX ° C/ ° F OFF mA A mV V V A A mA COM V 400mAFUSED 10A MAX FUSED A TRUE RMS MULTIMETER 87 V LO LO + Обычные Iпоказания + Прямые измерения Обратное измерение MI N MAX RA N GE REL Hz % A u toHOLD Peak MI N MAX ° C/ ° ...
Страница 33 - ВЫКЛ при подсоединении прибора
Multimeters Выполнение измерений 25 MI N MAX RA N GE REL Hz % A u toHOLD Peak MI N MAX 4½ DIGITS 1 Second ° C/ ° F OFF mA A mV V V A A mA COM V 400mA FUSED 10A MAX FUSED A TRUE RMS MULTIMETER 87 V LO LO Питание цепи: ВЫКЛ при подсоединении прибора ВКЛ при измерении ВЫКЛ при отсоединении прибора Ток ...
Страница 37 - Hz
Multimeters Выполнение измерений 29 Измерение коэффициента заполнения ( импульсной последовательности ) Коэффициент заполнения ( коэффициент заполнения периода импульса ) - это процент времени , в течение которого сигнал находится выше или ниже уровня срабатывания в течение одного периода ( Рисунок ...
Страница 38 - Определение; Гистограмма
80 Series V Руководство пользователя 30 Определение длительности импульса Для периодических волновых сигналов ( их форма повторяется через равные промежутки времени ) вы можете определить количество времени , в течение которого сигнал имеет высокий или низкий уровень , следующим образом : 1. Измерьт...
Страница 39 - Режим
Multimeters Режим высокого разрешения HiRes ( Модель 87) 31 Режим масштабирования ( опция только при включении питания ) Для использования масштабированной измерительной гистограммы : 1. При включении измерительного прибора нажмите и удерживайте F . На дисплее появится 2rEL . 2. Выберите режим относ...
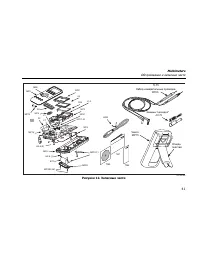
Страница 43 - Обслуживание; Руководстве; Общий
Multimeters Обслуживание 35 Обслуживание XW Предупреждение Во избежание возможного электрического удара или нанесения травмы персоналу , ремонт и обслуживание , не описанные в данном руководстве , должны осуществляться только квалифицированным персоналом согласно указаний , изложенных в Руководстве ...
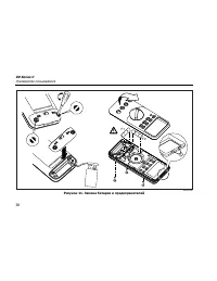
Страница 44 - Замена; NEDA; bAtt
80 Series V Руководство пользователя 36 MI N MAX RA N GE REL Hz % A u toHOLD Peak MI N MAX 4½ DIGITS 1 Second ° C/ ° F OFF mA A mV V V A A mA COM V 400mAFUSED 10A MAX FUSED A TRUE RMS MULTIMETER 87 V LO LO MI N MAX RA N GE REL Hz % A u toHOLD Peak MI N MAX 4½ DIGITS 1 Second ° C/ ° F OFF mA A mV V V...
Страница 50 - TPAK
80 Series V Руководство пользователя 42 Таблица 9. Принадлежности Позиция Описание AC72 Зажимы типа " крокодил " для использования с набором измерительных проводов TL75 AC220 Безопасный зажим типа " крокодил " с широкой вилкой TPAK Магнитный подвес ToolPak H87 Чехол , желтый C25 Сумк...
Страница 51 - Технические
Multimeters Технические характеристики 43 Технические характеристики Максимальное напряжение между любой клеммой и заземлением : 1000 В среднеквадратичного значения W Защитный предохранитель для входов mA или μ A: 44/100 A, 1000 В , быстрого срабатывания W Защитный предохранитель для входа A: 11 A, ...
Страница 52 - Подробные
80 Series V Руководство пользователя 44 Подробные технические характеристики Для всех подробных характеристик : Точность приведена как ± ([% показаний ] + [ количество последних значащих цифр ]) при 18° C до 28° C, относительной влажности до 90 %, в течение одного года после поверки . Для модели 87 ...
Страница 54 - nS
80 Series V Руководство пользователя 46 Таблица 12. Характеристики функций напряжения постоянного тока , сопротивления и проводимости Точность Функция Диапазон Resolution Модель 83 Модель 87 L 6,000 B 60,00 B 600,0 B 1000 B 0,001 B 0,01 B 0,1 B 1 B ± (0,1 % + 1) ± (0,1 % + 1) ± (0,1 % + 1) ± (0,1 % ...
Страница 55 - От
Multimeters Технические характеристики 47 Таблица 13. Характеристики режима температуры ( только модель 87) Температура Разрешение Точность 1,2 От -200 ° C до +1090 ° C от -328 ° F до +1994 ° F 0,1 ° C 0,1 ° F 1 % + 10 1 % + 18 1. Не включена погрешность датчика термопары . 2. Указанная точность под...
Страница 56 - мк
80 Series V Руководство пользователя 48 Таблица 14. Характеристики функции измерения тока Точность Функция Диапазон Разрешение Модель 83 1 Модель 87 2, 3 Провал напряжения ( обычно ) м A \ ( от 45 Гц до 2 кГц ) м A [ 60,00 м A 400,0 м A 6 6,000 A 10,00 A 4 60,00 м A 400,0 м A 6 6,000 A 10,00 A 4 0,0...