Страница 2 - Fluke
ОГРАНИЧЕННАЯ ГАРАНТИЯ И ОГРАНИЧЕНИЕ ОТВЕТСТВЕННОСТИ Fluke гарантирует отсутствие дефектов материала и изготовления на период 3 года с момента приобретения . Настоящая Гарантия не распространяется на предохранители , разовые батарейки , а также на случаи повреждения в результате несчастных случаев , ...
Страница 3 - Содержание; Название
i Содержание Название Страница Введение ............................................................................................................... 1 Как связаться с Fluke ............................................................................................. 1 Информация по безопасности ....
Страница 4 - ii; Auto Ramping
789 Руководство пользователя ii Подача автоматического пилообразного сигнала Auto Ramping и выходной сигнал в мА ........................................................................................ 26 Варианты включения питания .......................................................................
Страница 5 - iii; Список; Таблица
iii Список таблиц Таблица Название Страница 1. Международные обозначения ...................................................................................... 4 2. Входные / выходные клеммы ......................................................................................... 7 3. Положения пово...
Страница 7 - Рисунке; Fluke 789 ProcessMeter
v Список рисунков Рисунке Название Страница 1. Fluke 789 ProcessMeter ................................................................................................ 5 2. Входные / выходные клеммы ......................................................................................... 6 3. Положен...
Страница 9 - ProcessMeterTM; Введение; Предупреждение; Как
1 ProcessMeter™ Введение Предупреждение Перед началом использования прибора ознакомьтесь с " Информацией по технике безопасности " Ваш мультиметр - калибратор Fluke 789 ProcessMeter™ ( далее " прибор ") представляет собой портативный , работающий от батарей прибор для измерения эле...
Страница 10 - Информация
789 Руководство пользователя 2 Информация по безопасности Предупреждение определяет условия и процедуры , которые опасны для пользователя . Предостережение означает условия и действия , которые могут привести к повреждению прибора или проверяемого оборудования . В таб . 1 приводятся международные об...
Страница 11 - AutoHold
ProcessMeter™ Информация по безопасности 3 • Подключайте общий измерительный вывод до подключения вывода к цепи под напряжением . При отсоединении измерительных выводов отключайте находящийся под напряжением вывод первым . • Не используйте функцию AutoHold для определения наличия опасного напряжения...
Страница 12 - Пот
789 Руководство пользователя 4 Таблица 1. Международные обозначения Символ Значение Символ Значение Пот енциальная опасность . Важная информация См . руко водство Опасное напряжение Соответствует директивам ЕС . Соответствует стандартам электромагнитной совместимости (EMC) Южной Кореи Соот...
Страница 13 - Начало; Рисунок
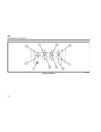
ProcessMeter™ Начало работы с прибором 5 Начало работы с прибором Если вы знакомы с цифровым мультиметром Fluke серии 80, то прочтите " Использование функций источника тока ", просмотрите таблицы и рисунки в разделе " Ознакомление с прибором " и приступайте к использованию прибора . ...
Страница 14 - Знакомство
789 Руководство пользователя 6 Знакомство с устройством Для ознакомления с характеристиками и функциями прибора изучите следующие рисунки и таблицы . • Входные / выходные клеммы показаны на Рисунке 2 и описаны в Таблице 2. • Функции изменения входного сигнала для первых шести положений поворотного ф...
Страница 15 - COM
ProcessMeter™ Знакомство с устройством 7 Таблица 2. Входные / выходные клеммы Позиция Клемма Функции измерений Ток источника Функция Моделирование функции передатчика A c Вход для тока до 440 мА ( постоянный ). (1 A до 30 секунд ) Защита с помощью предохранителя 440 мА . Выход для постоянного тока...
Страница 17 - Измерительный
ProcessMeter™ Знакомство с устройством 9 Таблица 3. Положения поворотного функционального переключателя для проведения измерений Номер Положение переключателя Функция ( функции ) Применение Действие кнопок ВЫКЛ Измерительный Прибор выключен S По умолчанию : Измерение напряжения ( переменный ток ...
Страница 19 - OUTPUT
ProcessMeter™ Знакомство с устройством 11 Table 4. Положения поворотного функционального переключателя для подачи тока ( мА ) Номер Полож ение Функция по умолчанию Действие кнопок OUTPUT X Измерительные провода вставлены в клемму SOURCE: Источник тока 0 % мА Измерительные провода вставлены в клемм...
Страница 24 - MAX MINAVG
789 Руководство пользователя 16 Таблица 7. Дисплей Номер Элемент Значение % ( Процентная индикация ) Показывает измеренное значение тока ( мА ) или уровень выходного тока в %, шкала 0-20 мА или 4-20 мА ( изменение шкалы с опцией включения питания ) OUTPUT Высвечивается при активизации выходного ...
Страница 26 - Измерение; Входное; OL; Проверка
789 Руководство пользователя 18 Измерение электрических параметров Должна быть соблюдена правильная последовательность операций при проведении измерений : 1. Вставьте измерительные провода в соответствующие клеммы 2. Установите поворотный функциональный переключатель на требуемую функцию 3. Коснитес...
Страница 28 - Использование
789 Руководство пользователя 20 Компенсация сопротивления измерительного провода Используйте функцию относительного показания ( Q на дисплее ) для установки существующего измерения в качестве относительного нуля . Данная функция широко используется для компенсации сопротивления измерительного провод...
Страница 30 - Режим; Изменение
789 Руководство пользователя 22 Режим моделирования Режим моделирования называется так из - за того , что прибор моделирует преобразователь контура тока . Используйте режим моделирования тогда , когда внешнее напряжение от 15 до 48 В подключено последовательно к испытываемому контуру тока . Осторо...
Страница 31 - В постоянного тока
ProcessMeter™ Использование функций подачи постоянного тока 23 В постоянного тока Источник питания COM +24B gdi011f.eps Рисунок 8. Моделирование преобразователя
Страница 32 - Подача
789 Руководство пользователя 24 Подача стабильного выходного тока ( мА ) Когда поворотный функциональный переключатель установлен в положение OUTPUT [ mA, и клеммы OUTPUT подключены к соответствующей нагрузке , прибор генерирует стабильный постоянный ток ( мА ). Прибор начинает работать в качестве и...
Страница 33 - Ручное
ProcessMeter™ Использование функций подачи постоянного тока 25 Таблица 8. Кнопки регулировки выходного тока ( мА ) Кнопка Регулировка X R COARSE Регулировка ( увеличение ) на 0,1 мА X M FINE Регулировка ( увеличение ) на 0,001 мА FINE h W Регулировка ( уменьшение ) на 0,001 мА COARSE r W Регулировка...
Страница 35 - Варианты
ProcessMeter™ Варианты включения питания 27 Когда поворотный функциональный переключатель установлен в положение OUTPUT Ymonp , и выходные клеммы подключены к соответствующей нагрузке , прибор производит непрерывно повторяющееся пилообразное изменение выходного тока 0 % -100 % - 0 % с ( по выбору ) ...
Страница 39 - Срок; Калибровка
ProcessMeter™ Срок службы батареи 31 Срок службы батареи Предупреждение Во избежание ошибочных показаний , приводящих к поражению электрическим током или травмам , замените батареи , как только на индикаторе заряда батарей отобразится ( b ). В Таблице 12 приведены типовые значения срока службы щел...
Страница 40 - Замена
789 Руководство пользователя 32 Замена батарей ! Предупреждение Во избежание поражения электрическим током : • Отсоедините измерительные провода от измерительного прибора перед открытием крышки батарейного отсека . • Закройте и защелкните крышку батарейного отсека перед использованием прибора . Заме...
Страница 43 - Запасные
ProcessMeter™ Запасные части и аксессуары 35 Если прибор по прежнему не работает , то свяжитесь с центром технического обслуживания компании Fluke. Если прибор находится на гарантии , то он будет бесплатно отремонтирован или заменен ( по усмотрению компании Fluke) и возвращен Вам . Условия гарантии ...
Страница 47 - Технические
ProcessMeter™ Технические характеристики 39 Технические характеристики Всех характеристики приводятся для температуры от +18 ° C до +28 ° C ( если не указано иное ). Все технические характеристики предполагают 5- минутный период прогрева . Стандартный интервал калибровки - 1 год Примечание " Отс...
Страница 51 - Погрешность
ProcessMeter™ Технические характеристики 43 Погрешность частотомера Диапазон Разрешение Погрешность , ± (% считываемого значения + отсчеты ) 199,99 Гц 0,01 Гц 0,005 % + 1 1999,9 Гц 0,1 Гц 0,005 % + 1 19,999 кГц 0,001 кГц 0,005 % + 1 Обновление изображения на экране дисплея : 3 раза в секунду при час...
Страница 53 - Общие
ProcessMeter™ Технические характеристики 45 Общие технические характеристики Максимальное напряжение между любым разъемом и заземлением ................ 1000 В Тип элементов питания ................................. 1,5 В , 0-15 мА , AA, щелочные Температура хранения ...................................