Водонагреватели Thermex Champion ER 300 V - инструкция пользователя по применению, эксплуатации и установке на русском языке. Мы надеемся, она поможет вам решить возникшие у вас вопросы при эксплуатации техники.
Если остались вопросы, задайте их в комментариях после инструкции.
"Загружаем инструкцию", означает, что нужно подождать пока файл загрузится и можно будет его читать онлайн. Некоторые инструкции очень большие и время их появления зависит от вашей скорости интернета.

N
E
230
V
~
S1
S2
S3
3
1
2
11
21
31
12
22
32
L
2
L
1
L
3
3
1
2
3
1
2
L
N
E
400
V
~
S1
S2
S3
3
1
2
11
21
31
12
22
32
L
2
L
1
L
3
3
1
2
3
1
2
blue
red
brown
black
yellow-green
Thermostat
with
adjustable
protective
shutdown
Heater case
1. Basic operating requirements according to GOST PMEK 335-1-94
2. S1, S2, S3 - switch with indication 16 A, 250 V
Heating
element
2 kW, 230 V~
Heating
element
2 kW, 230 V~
Heating
element
2 kW, 230 V~
blue
red
brown
black
yellow-green
PVS 5x2,5
Heating
element
2 kW, 230 V~
Heating
element
2 kW, 230 V~
Heating
element
2 kW, 230 V~
Thermostat
with
adjustable
protective
shutdown
Heater case
400 V
Connection
Wires
L1
1 phase
L2
2 phase
L3
3 phase
N
Neutral wire
E
Grounding
Red
Brown
Black
Blue
Yellow-
green
230 V
Connection
Wires
L(L1+L2+L3) 1 phase
Red, brown and black
N
Neutral wire
Blue
E
Grounding
Yellow-
green
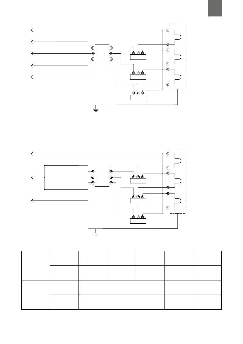
Fig. 4.
Wire diagram of connection to 230 V – 400 V mains.
8
EN
Frequent activation
of thermal switch
Thermostat tube is coved by
scale
Withdraw removable flange and
clean the tube from scale
Disconnect the Heater from mains,
remove protective cover and push
the button of thermal switch until
it
«
clicks
»
(
Fig. 3
). Put the cover
back and switch on power supply
Thermal switch is activated
or not turned on
Energized heater docs
not heat water.
«
On
»
button is not illuminated
Push
Fig. 3.
Rod location on thermal switch of
thermostat
The abovementioned failures are not EWH defects and shall be recovered by means of a specialized
organization users own expense. In case of failure to recover the faults using the abovementioned
recommendations or on case of detection some other faults, it is necessary to contact the service
center, specified in the user manual.
8.
Product warranty
8.1.
Manufacturer sets warranty period
3
years for water tank and
1
year for electric components.
Warranty period starts the date of the Heater sale. If the date of sale or shop stamp is absent or
corrected, the warranty period starts from the date of manufacture indicated on the nameplate
attached to Heater case. Warranty claims are accepted with this manual with marks about sale and
connection.
8.2.
Warranty covers only the Heater. Warranty for installation and connection is provided by
installation contractor according to the data given in subsection
«
Note About Connection
»
.
8.3. During mounting and operation the user should follow the requirements that provide
failsafe operation of the Hater during warranty period:
8.3.1. to follow safety regulations and rules for mounting, connection, operation and
maintenance given in this operation manual;
8.3.2. to exclude mechanical damages from improper storage, transportation and
mounting;
8.3.3. to exclude the Heater damage from water freezing;
8.3.4. use water without mechanical or chemical impurities.
8.4. Manufacturer is not liable for drawbacks appeared due to violation by user of the rules
for mounting, operation and maintenance of the Heater stated in this operation manual.
8.5. Repair, change of components within warranty period does not prolong warranty period
in total. Warranty period for changes or repaired components is one month.
9
EN
Содержание
- 10 Назначение; начен для работы в непрерывно проточном режиме.; Основные технические характеристики; таблице 1; Комплект поставки; Таблица 1; Transportation and storage of electric water heaters; Heating Equipment LTD
- 12 Канал соединения с атмосферой предохрани-тельного клапана; Установка и подключение; Все сантехнические и электромонтажные работы должны прово-; Размещение и установка
- 14 ксплуатация; II; Описание функций управляющей панели; кВт
- 16 Гарантия изготовителя; комплекта поставки ЭВН; Возможные неисправности и способы их устранения
- 18 Рис
- 20 mail; Комплект постачання; Призначення
- 44 Warranty certificates /
- 46 Заполняется сервисным центром
- 47 Отопление; Водоснабжение
Характеристики
Остались вопросы?Не нашли свой ответ в руководстве или возникли другие проблемы? Задайте свой вопрос в форме ниже с подробным описанием вашей ситуации, чтобы другие люди и специалисты смогли дать на него ответ. Если вы знаете как решить проблему другого человека, пожалуйста, подскажите ему :)













