Водонагреватели Thermex Champion ER 300 V - инструкция пользователя по применению, эксплуатации и установке на русском языке. Мы надеемся, она поможет вам решить возникшие у вас вопросы при эксплуатации техники.
Если остались вопросы, задайте их в комментариях после инструкции.
"Загружаем инструкцию", означает, что нужно подождать пока файл загрузится и можно будет его читать онлайн. Некоторые инструкции очень большие и время их появления зависит от вашей скорости интернета.

Жоғарыда аталған ақаулар ЭСЖ ақаулары болып табылмайды жəне тұтынушы өз бетімен
немесе мамандандырылған ұйымның күшімен оның есебінен жояды.
Ақаулықты жоғарыда сипатталған ұсынымдардың көмегімен жою мүмкін болмаған жағдайда
немесе басқалары анықталған жағдайда пайдалану жөніндегі басшылықта көрсетілген сервис
орталығына жүгіну керек.
Дайындаушының кепілдігі
Дайындаушы су жылытқыштың кепілдік мерзімін 1 жыл деп белгілейді.
Су қамтитын сыйымдылыққа (ішкі бак) – 3 жыл;
Кепілдік мерзімі ЭСЖ сату күнінен есептеледі. Дүкеннің сатылған күні мен мөртаңбасы
болмаған немесе түзетілген жағдайда кепілдік мерзімі ЭСЖ шығарылған күннен бастап
есептеледі.
Кепілдік мерзімі кезеңіндегі шағымдар сатушы фирманың белгісі бар кепілдік талоны
жəне ЭСЖ корпусындағы сəйкестендіру тақтайшасы болған кезде қабылданады.
Кепілдік тек ЭСЖ-ге қолданылады. Орнату жəне қосу қағидаларын қадағалау үшін
жауапкершілік сатып алушыға (дербес қосылған жағдайда) немесе қосуды жүзеге асырған
монтаждау ұйымына жүктеледі.
ЭСЖ-ні орнату жəне пайдалану кезінде тұтынушы кепілдік мерзімі ішінде аспаптың
тоқтаусыз жұмысын қамтамасыз ететін талаптарды сақтауға міндетті:
осы нұсқаулықта баяндалған қауіпсіздік шараларын жəне орнату, қосу, пайдалану
џ
жəне қызмет көрсету қағидаларын орындау
ұқыпсыз сақтау, тасымалдау жəне монтаждаудан механикалық зақымды жою
џ
ЭСЖ-де судың қатуына жол бермеу
џ
ЭСЖ-де суды механикалық жəне химиялық қоспасыз жылыту үшін пайдалану
џ
ЭСЖ жеткізу жиынтығынан ақаусыз жұмыс істейтін сақтандырғыш клапаны бар ЭСЖ
џ
пайдалану
Дайындаушы осы нұсқаулықта баяндалған ЭСЖ-ні орнату, пайдалану жəне техникалық
қызмет көрсету қағидаларын тұтынушының бұзушылықтары салдарынан, оның ішінде бұл
кемшіліктер ЭСЖ пайдаланылатын желілердің (электр жəне сумен жабдықтау) жол
берілмейтін параметрлерінен жəне үшінші тұлғалардың араласуынан туындаған жағдайларда
т уындаған кемшіліктер үшін жауапкершілік көтермейді. ЭСЖ сыртқы түрі бойынша
наразылықтарға өндірушінің кепілдігі қолданылмайды.
Кепілдік мерзімі шегінде құрамдас бөліктер мен толымдаушыларды жөндеу, ауыстыру жалпы
ЭСЖ-ге к епілдік мерзімін ұзартпайды, бұл ретте ауыстырылған немесе жөнделген
толымдаушыларға кепілдік мерзімі ЭСЖ-ге кепілдік мерзімі аяқталған кезде аяқталады.
НАЗАР АУДАРЫҢЫЗ!
Сақтандырғыш клапанның немесе қуат көзі бауының ақауы ЭСЖ-нің
ақауы болып табылмайды жəне ЭСЖ-ні ауыстыруға əкеп соқтырмайды. Орнату жəне қосу
қағидаларын қадағалау үшін жауапкершілік сатып алушыға (дербес қосылған жағдайда)
немесе қосуды жүзеге асырған монтаждау ұйымына жүктеледі.
KZ
KZ
N
E
400
В~
S1
S2
S3
3
1
2
11
21
31
12
22
32
L
2
L
1
L
3
3
1
2
3
1
2
Көгілдір
Қызыл
Қоңыр
Қара
Сары-жасыл
S
1,
S
2,
S
3 – 16 А, 250 В қосу индикациясы бар ажыратқыш
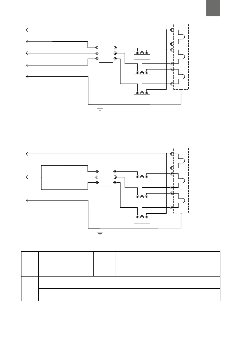
4 сур.
230 — 400 В желісіне қосылудың электр схемасы.
Қорғағыш
ажыратқышы
бар реттелетін
термостат
ТЭН, 2
кВт
2
3
0
V
~
ТЭН, 2
кВт
2
3
0
V
~
ТЭН, 2
кВт
2
3
0
V
~
ЭСЖ корпусы
N
E
S1
S2
S3
3
1
2
11
21
31
12
22
32
L
2
L
1
L
3
3
1
2
3
1
2
Көгілдір
Қызыл
Қоңыр
Қара
Сары-жасыл
ТЭН, 2
кВт
2
3
0
V
~
ТЭН, 2
кВт
2
3
0
V
~
ТЭН, 2
кВт
2
3
0
V
~
PVS 5x2,5
230
В~
230
В
L (L1+L2+L3) –
фаза
Қызыл, қоңыр, қара
N
Нөлдік сым
Көгілдір
E
Жерге тұйықтау
N
Нөлдік сым
Көгілдір
E
Жерге тұйықтау
Сары-жасыл
40
0
В
Қосылыс
Сымдар
L1
1
фаза
L
2
2
фаза
L
3
3
фаза
Қызыл
Қоңыр
Қара
Қосылыс
Сымдар
Сары-жасыл
Қорғағыш
ажыратқышы
бар реттелетін
термостат
ЭСЖ корпусы
40
41
Содержание
- 10 Назначение; начен для работы в непрерывно проточном режиме.; Основные технические характеристики; таблице 1; Комплект поставки; Таблица 1; Transportation and storage of electric water heaters; Heating Equipment LTD
- 12 Канал соединения с атмосферой предохрани-тельного клапана; Установка и подключение; Все сантехнические и электромонтажные работы должны прово-; Размещение и установка
- 14 ксплуатация; II; Описание функций управляющей панели; кВт
- 16 Гарантия изготовителя; комплекта поставки ЭВН; Возможные неисправности и способы их устранения
- 18 Рис
- 20 mail; Комплект постачання; Призначення
- 44 Warranty certificates /
- 46 Заполняется сервисным центром
- 47 Отопление; Водоснабжение
Характеристики
Остались вопросы?Не нашли свой ответ в руководстве или возникли другие проблемы? Задайте свой вопрос в форме ниже с подробным описанием вашей ситуации, чтобы другие люди и специалисты смогли дать на него ответ. Если вы знаете как решить проблему другого человека, пожалуйста, подскажите ему :)













