Памяти и накопители Seagate (ST16000NM002G) - инструкция пользователя по применению, эксплуатации и установке на русском языке. Мы надеемся, она поможет вам решить возникшие у вас вопросы при эксплуатации техники.
Если остались вопросы, задайте их в комментариях после инструкции.
"Загружаем инструкцию", означает, что нужно подождать пока файл загрузится и можно будет его читать онлайн. Некоторые инструкции очень большие и время их появления зависит от вашей скорости интернета.

Seagate Exos X16 SAS Product Manual, Rev. K
57
www.seagate.com
Interface requirements
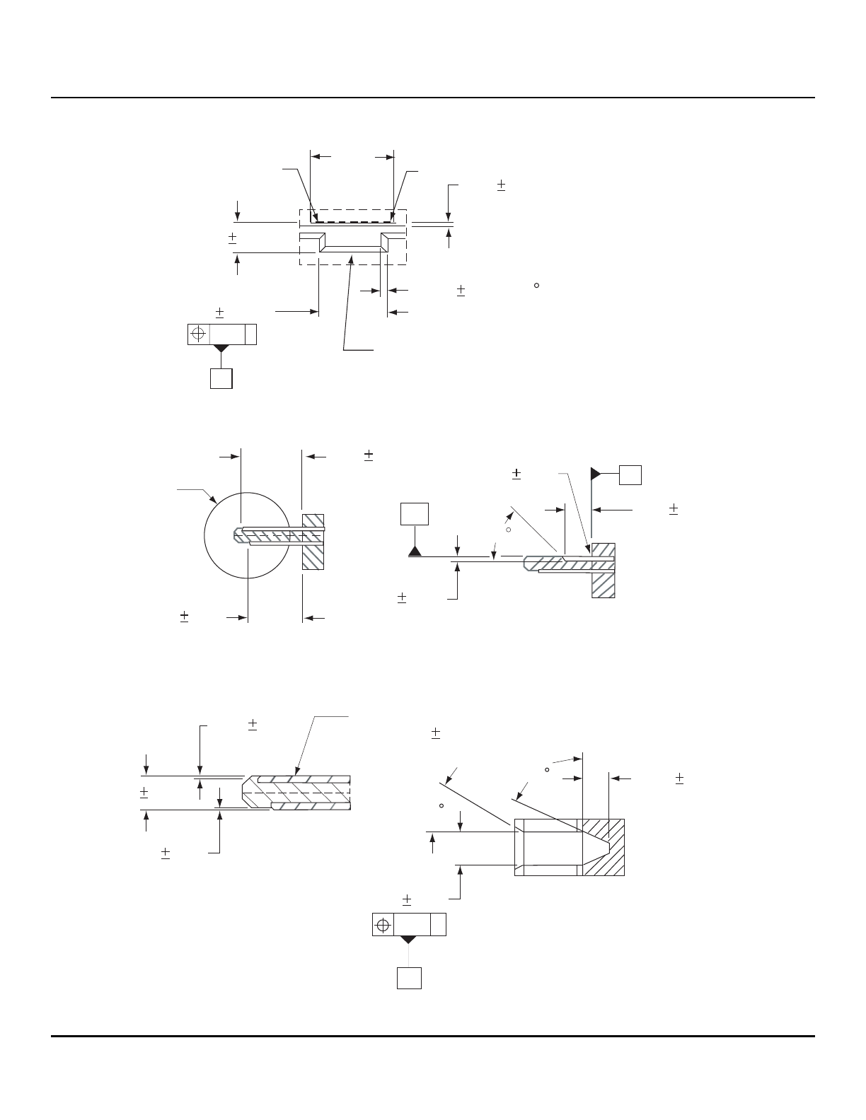
Figure 9.
SAS device plug dimensions (detail)
6.10
Detail A
0.30 0.05 x 45 (5X)
0.40 0.05 X 45 (3X)
CORING ALLOWED
IN THIS AREA.
2.25 0.05
4.85 0.05
0.10 B
E
S14
S8
4.40 0.15
SEE Detail 2
3.90 0.15
SECTION A - A
SECTION C - C
A
0.35 0.05
45
R0.30 0.08
C
1.95 0.08
0.08 0.05
1.23 0.05
0.08 0.05
Detail 2
CONTACT SURFACE FLUSH
TO DATUM A 0.03
65
30
1.90 0.08
SECTION B - B
2.40 0.08
0.10 A
D
Характеристики
Остались вопросы?Не нашли свой ответ в руководстве или возникли другие проблемы? Задайте свой вопрос в форме ниже с подробным описанием вашей ситуации, чтобы другие люди и специалисты смогли дать на него ответ. Если вы знаете как решить проблему другого человека, пожалуйста, подскажите ему :)