Обогреватели TIMBERK THC WT1 5M - инструкция пользователя по применению, эксплуатации и установке на русском языке. Мы надеемся, она поможет вам решить возникшие у вас вопросы при эксплуатации техники.
Если остались вопросы, задайте их в комментариях после инструкции.
"Загружаем инструкцию", означает, что нужно подождать пока файл загрузится и можно будет его читать онлайн. Некоторые инструкции очень большие и время их появления зависит от вашей скорости интернета.

IM2020
15
11.
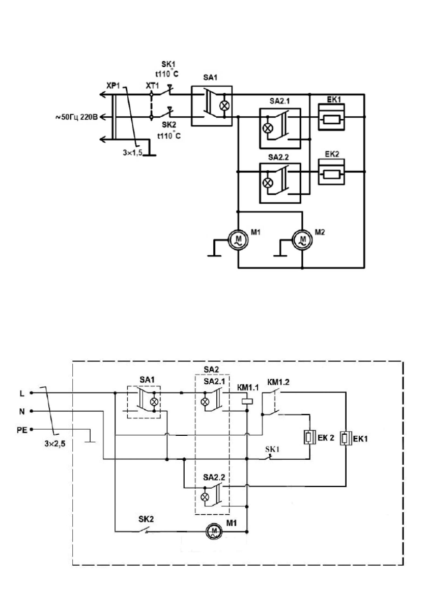
ПРИНЦИПИАЛЬНЫЕ ЭЛЕКТРИЧЕСКИЕ СХЕМЫ
Модель THC WТ1 3M
Рисунок 5
ЕК1/EK2 - нагревательные элементы
М1/M2 - электродвигатели
SA1 -
выключатель вентилятора
SA2 -
выключатель режимов мощности
SK1/SK2 -
термоограничители
ХР1 - вилка сетевая
XT1 -
колодка клеммная
Модель THC WТ1 5M
Рисунок 6
Содержание
- 4 Наименование
- 6 Принцип работы тепловой завесы
- 8 Модели THC WT1 6M, THC WT1 9M
- 9 реальной панели управления; Выбор режима мощности нагрева
- 10 Защита от перегрева
- 11 Используется для выбора следующих режимов мощности нагрева:; Ручка терморегулятора
- 15 ПРИНЦИПИАЛЬНЫЕ ЭЛЕКТРИЧЕСКИЕ СХЕМЫ; выключатель вентилятора; Рисунок 6
- 16 Модель THC WТ1 6M, THC WТ1 9М
- 17 УТИЛИЗАЦИЯ, СРОК СЛУЖБЫ, ГАРАНТИЙНЫЙ СРОК