Обогреватели Тепломаш КЭВ-125П5050W 135001 - инструкция пользователя по применению, эксплуатации и установке на русском языке. Мы надеемся, она поможет вам решить возникшие у вас вопросы при эксплуатации техники.
Если остались вопросы, задайте их в комментариях после инструкции.
"Загружаем инструкцию", означает, что нужно подождать пока файл загрузится и можно будет его читать онлайн. Некоторые инструкции очень большие и время их появления зависит от вашей скорости интернета.
Загружаем инструкцию

17
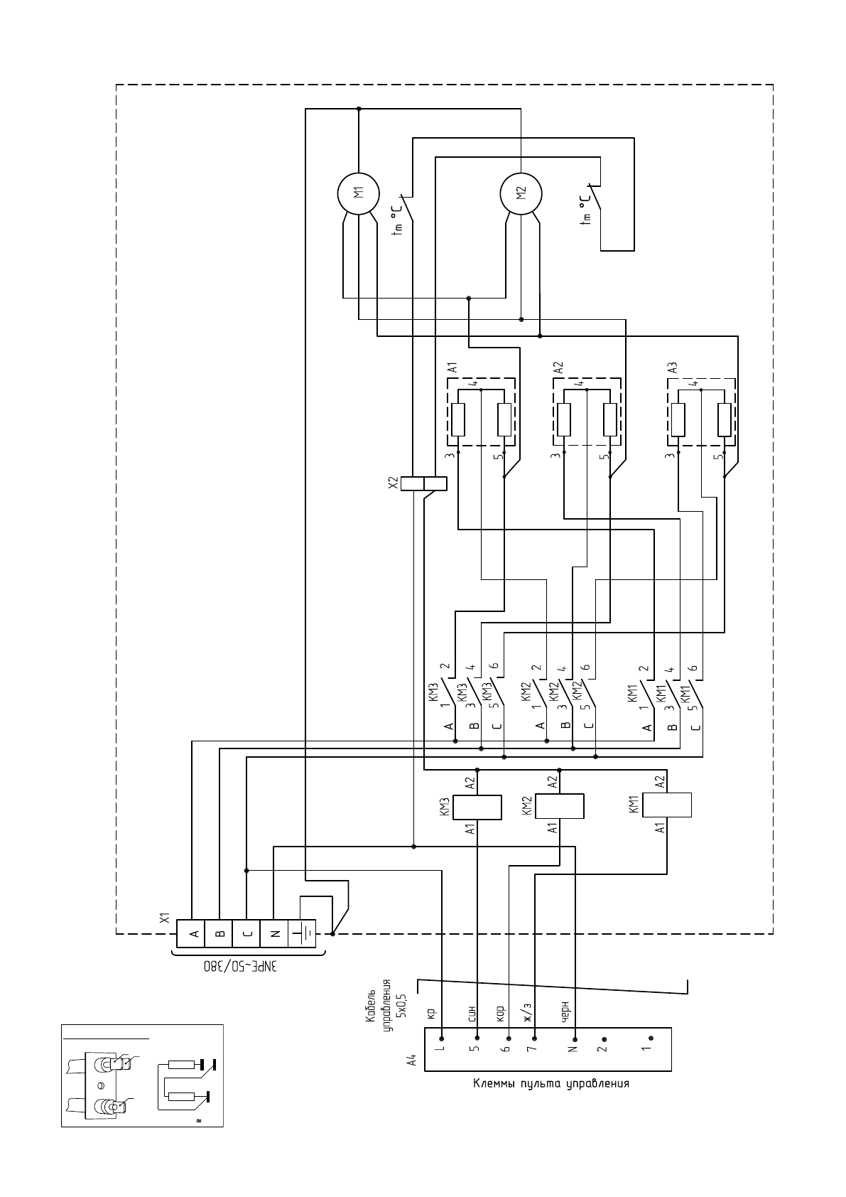
Рисунок 12. Электрическая схема завесы КЭВ-125П5050W
3
ТЭН-резистор А1
3
R1
R
2R1
2
R2
4
4
5
5
Содержание
- 2 Ваши замечания и предложения присылайте по адресу; СОДЕРЖАНИЕ
- 4 УСТРОЙСТВО И ПОРЯДОК РАБОТЫ
- 5 Вид А; Блок управления
- 7 Завеса
- 9 ТРЕБОВАНИЯ К УСТАНОВКЕ И ПОДКЛЮЧЕНИЮ; Примечание – использовать кабели с многопроволочными жилами
- 11 Зав
- 12 Подключение насоса; Подключение 3-х контактного клапана; Подключение 2-х контактного
- 13 ТЕХНИЧЕСКОЕ ОБСЛУЖИВАНИЕ
- 14 СВЕДЕНИЯ ОБ УТИЛИЗАЦИИ; Использование непригодной завесы ЗАПРЕЩЕНО!; ВОЗМОЖНЫЕ НЕИСПРАВНОСТИ И СПОСОБЫ ИХ УСТРАНЕНИЯ
- 15 ГАРАНТИЙНЫЕ ОБЯЗАТЕЛЬСТВА; П р о д о л ж е н и е т а б л и ц ы 5
- 16 Рисунок 11. Габаритные и присоединительные размеры
- 19 Ñõåìà ýë. ïðèíöèïèàëüíàÿ; Ëèòåðà; ÍÏÎ «Òåïëîìàø»; Fê; Ñîåäèíèòü ñ êëåììîé; ÀÂ; водяным источником тепла и без источника тепла «БЛОК-WA».
- 20 СВИДЕТЕЛЬСТВО О ПРИЕМКЕ; Дата изготовления; СВИДЕТЕЛЬСТВО О ПУСКОНАЛАДОЧНЫХ ИСПЫТАНИЯХ; Дата испытания; СБ