Обогреватели Тепломаш КЭВ-125П5050W 135001 - инструкция пользователя по применению, эксплуатации и установке на русском языке. Мы надеемся, она поможет вам решить возникшие у вас вопросы при эксплуатации техники.
Если остались вопросы, задайте их в комментариях после инструкции.
"Загружаем инструкцию", означает, что нужно подождать пока файл загрузится и можно будет его читать онлайн. Некоторые инструкции очень большие и время их появления зависит от вашей скорости интернета.

10
N
L
Разветвительная
коробка
Разветвительная
коробка
Каб
ель
управ
ления
Каб
ель
управ
ления
Кабель управления
Кабель управления
Сеть 3NPE~50Гц 380В
Сеть 3NPE~50Гц 380В
Кабель
управления
Кабель
управления
Силовой
кабель
Силовой
кабель
Силовой
кабель
Силовой
кабель
Силовой
кабель
Силовой
кабель
Завеса 1
Завеса 1
Завеса 2
Завеса 2
Завеса 3...10
Завеса 3...10
1 2
7
5
1
1
1
1
2
2
2
2
3
3
3
3
6
IR13
черн
черн
сер
сер
син
син
син
син
кор
кор
кор
кор
ж/з
ж/з
ж/з
ж/з
N
N
N
L
L
L
1
1
1
2
2
2
7
7
7
5
5
5
6
6
6
IR13
БЛОК-WA
черн
кор
крас
син
сер
бе
л
ж/з
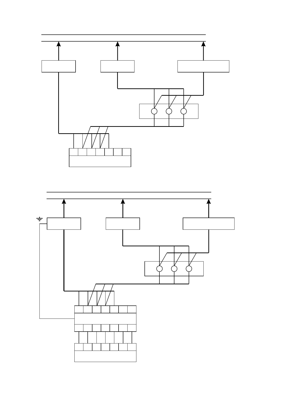
Рисунок 5. Схема подключения более двух завес к одному пульту управления IR13 без БЛОК-WA.
N
L
Разветвительная
коробка
Разветвительная
коробка
Каб
ель
управ
ления
Каб
ель
управ
ления
Кабель управления
Кабель управления
Сеть 3NPE~50Гц 380В
Сеть 3NPE~50Гц 380В
Кабель
управления
Кабель
управления
Силовой
кабель
Силовой
кабель
Силовой
кабель
Силовой
кабель
Силовой
кабель
Силовой
кабель
Завеса 1
Завеса 1
Завеса 2
Завеса 2
Завеса 3...10
Завеса 3...10
1 2
7
5
1
1
1
1
2
2
2
2
3
3
3
3
6
IR13
черн
черн
сер
сер
син
син
син
син
кор
кор
кор
кор
ж/з
ж/з
ж/з
ж/з
N
N
N
L
L
L
1
1
1
2
2
2
7
7
7
5
5
5
6
6
6
IR13
БЛОК-WA
черн
кор
крас
син
сер
бе
л
ж/з
Рисунок 5.1. Схема подключения более двух завес к одному пульту управления IR13 с помощью БЛОК-WA.
Содержание
- 2 Ваши замечания и предложения присылайте по адресу; СОДЕРЖАНИЕ
- 4 УСТРОЙСТВО И ПОРЯДОК РАБОТЫ
- 5 Вид А; Блок управления
- 7 Завеса
- 9 ТРЕБОВАНИЯ К УСТАНОВКЕ И ПОДКЛЮЧЕНИЮ; Примечание – использовать кабели с многопроволочными жилами
- 11 Зав
- 12 Подключение насоса; Подключение 3-х контактного клапана; Подключение 2-х контактного
- 13 ТЕХНИЧЕСКОЕ ОБСЛУЖИВАНИЕ
- 14 СВЕДЕНИЯ ОБ УТИЛИЗАЦИИ; Использование непригодной завесы ЗАПРЕЩЕНО!; ВОЗМОЖНЫЕ НЕИСПРАВНОСТИ И СПОСОБЫ ИХ УСТРАНЕНИЯ
- 15 ГАРАНТИЙНЫЕ ОБЯЗАТЕЛЬСТВА; П р о д о л ж е н и е т а б л и ц ы 5
- 16 Рисунок 11. Габаритные и присоединительные размеры
- 19 Ñõåìà ýë. ïðèíöèïèàëüíàÿ; Ëèòåðà; ÍÏÎ «Òåïëîìàø»; Fê; Ñîåäèíèòü ñ êëåììîé; ÀÂ; водяным источником тепла и без источника тепла «БЛОК-WA».
- 20 СВИДЕТЕЛЬСТВО О ПРИЕМКЕ; Дата изготовления; СВИДЕТЕЛЬСТВО О ПУСКОНАЛАДОЧНЫХ ИСПЫТАНИЯХ; Дата испытания; СБ