Обогреватели Ballu-Biemmedue SP 30B METANO - инструкция пользователя по применению, эксплуатации и установке на русском языке. Мы надеемся, она поможет вам решить возникшие у вас вопросы при эксплуатации техники.
Если остались вопросы, задайте их в комментариях после инструкции.
"Загружаем инструкцию", означает, что нужно подождать пока файл загрузится и можно будет его читать онлайн. Некоторые инструкции очень большие и время их появления зависит от вашей скорости интернета.

26
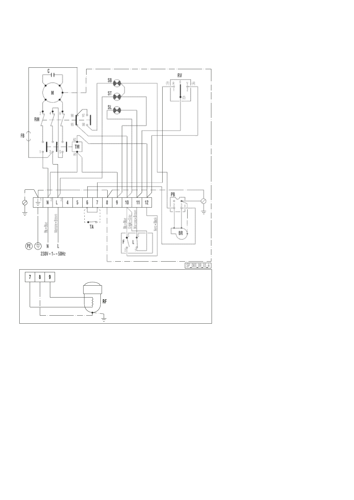
SCHEMA ELETTRICO - SCHEMA ELECTRIQUE - SCHALTSCHEMA
WIRING DIAGRAM – ЭЛЕКТРИЧЕСКАЯ СХЕМА
M
MOTORE VENTILATORE
MOTEUR DU VENTILATEUR
VENTILATOR MOTOR
FAN MOTOR
ДВИГАТЕЛЬ ВЕНТИЛЯТОРА
F
TERMASTATO VENTILATORE, F
THERMOSTAT VENTILATEUR, F
LUFTREGLER, F
FAN THERMOSTAT, F
ТЕРМОСТАТ ВЕНТИЛЯТОРА, F
SB
SPIA BLOCCO VENTILATORE
LAMPE TEMOIN ARRET VENTILATEUR
VENTILADOR
“AUS” KONTROLLAMPE
FAN STOP CONTROLL LAMP
ЛАМПА КОНТРОЛЯ ВЕНТИЛЯТОРА
TA
TENMOSTATO AMBIENTE
THERMOSTAT D
’AMBIANCE
RAUMTHERMOSTAT
ROOM THERMOSTAT
ВЫНОСНОЙ ТЕРМОСТАТ
PB
PRESA PER BRUCIATORE
PRISE BRULEUR
BRENNER
BURNER
ПОДКЛЮЧЕНИЕ ГОРЕЛКИ
BR
BRUCIATORE
BRULEUR
BRENNER
BURNER
ГОРЕЛКА
RF
FILTRO GASOLIO RISCALDATO
FILTRE GASOIL RECHAUFFE
HEIßFILTER
HEATED FILTER
УСТРОЙСТВО НАГРЕВА ТОПЛИВА
FB
FUSIBILE BRUCIATORE 6A
FUSIBLE BRULEUR 6A
SICHERUNG
FÜR BRENNER 6A
BURNER FUSE 6A
ПРЕДОХРАНИТЕЛЬ ГОРЕЛКИ 6A
C
CONDENSATORE MOTORE
CONDENSATEUR DU MOTEUR
KONDENSATOR MOTOR
CONDENSER MOTOR
КОНДЕНСАТОР ДВИГАТЕЛЯ
L
TERMOSTATO DI SICUREZZA A RIARMO MANUALE, L
THERMOSTAT DE SECURITE A REARMEMENT MANUAL, L
SICHEREITSTHERMOSTAT MIT MANUELLER ENTRIE GELUNG, L
LIMIT THERMOSTAT WITH MANUAL RESTART, L
ОГРАНИЧИТЕЛЬНЫЙ ТЕРМОСТАТ С РУЧНЫМ ПЕРЕЗАПУСКОМ, L
RV
COMMUTATORE RISCALDAMENTO - 0 - VENTILAZIONE
COMMUTATEUR CHAUFFAGE - 0 - VENTILATION
SCHALTER HEIZUNG - 0 -
LÜFTUNG
CONTROL KNOB HEAT - 0 - VENTILATION ONLY
ВЫБОР РЕЖИМА «НАГРЕВ»-«СТОП»-
«ВЕНТИЛЯЦИЯ»
RM
RELÉ TERMICO VENTILATORE
RELAIS THERMIQUE DES VENTILATEUR
THERMOLAIS
FÜR VENTILADOR
FANS THERMAL RELAY
ТЕРМОРЕЛЕ ВЕНТИЛЯТОРА
TM
TELERUTTORE VENTILATORE
TELERUPTEUR VENTILATEUR
FERNSCHALTER
FÜR VENTILADOR
FANS TELE-CONTACTOR
РЕЛЕ ВЕНТИЛЯТОРА
SL
SPIA TERMOSTATO DI SICUREZZA, L
LAMPE TEMOIN SECURITE DE SURCHAUFFE, L
ÜBERHITZUNGSCHUTZEN KONTROLLAMPE, L
OVERHEAT THERMOSTATS CONTROLL LAMP, L
ЛАМПА КОНТРОЛЯ ОГРАНИЧИТЕЛЬНОГО
ТЕРМОСТАТА, L
ST
SPIA TENSIONE QUADRO
LAMPE TEMOIN MISE SOUS TENSION
KOTROLLAMPE
CONTROL LAMP
ЛАМПА КОНТРОЛЯ НАПРЯЖЕНИЯ
Содержание
- 2 Il costruttore non
- 19 ОПИСАНИЕ; передается; Нагреватели серии SP могут работать с горелками на; Внимание; Могут; ОБЩИЕ РЕКОМЕНДАЦИИ; Внимание; Следующие операции должны выполняться; ЭЛЕКТРИЧЕСКИЕ СОЕДИНЕНИЯ И НАСТРОЙКИ
- 20 • включите выключатель электрического щита; выключения
- 21 ЧИСТКА ГОРЕЛКИ; Для эффективной работы нагревателя горелка должна; ЧИСТКА ВЕНТИЛЯТОРА; Для транспортировки или перемещения нагревателя; Перед перемещением нагревателя:; Удалить грязь и посторонние материалы из сетки
- 22 НЕИСПРАВНОСТИ В РАБОТЕ: ПРИЧИНЫ И СПОСОБЫ УСТРАНЕНИЯ
- 23 ОС Продукции ООО «ГОСТЭКСПЕРТСЕРВИС»; Товар соответствует требованиям технического регламента:; ТР «О безопасности машин и оборудования»
- 24 Гарантийные обязательства; В гарантийном ремонте может быть отказано в следующих случаях:
- 26 РЕЛЕ ВЕНТИЛЯТОРА













