Ноутбуки Lenovo ThinkPad 13 Chromebook - инструкция пользователя по применению, эксплуатации и установке на русском языке. Мы надеемся, она поможет вам решить возникшие у вас вопросы при эксплуатации техники.
Если остались вопросы, задайте их в комментариях после инструкции.
"Загружаем инструкцию", означает, что нужно подождать пока файл загрузится и можно будет его читать онлайн. Некоторые инструкции очень большие и время их появления зависит от вашей скорости интернета.
Загружаем инструкцию

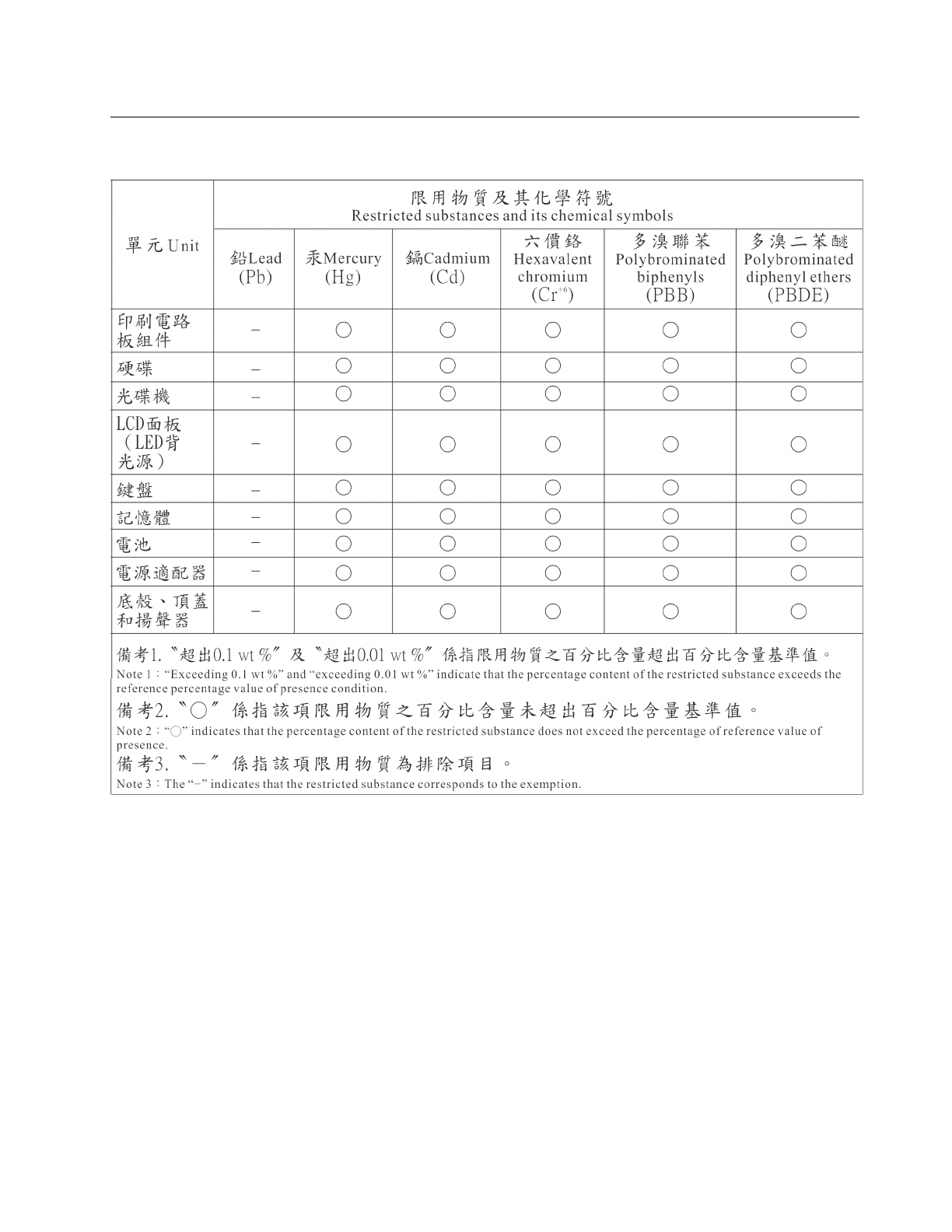
Директива с ограничениями по работе с опасными веществами
(RoHS) для Тайваня (Китай)
Приложение C. Ограничения директивы по работе с опасными веществами (Hazardous Substances Directive, или RoHS)
49
Содержание
- 3 Содержание; iii
- 4 ii
- 5 Прочтите вначале; Будьте осторожны: при работе компьютер нагревается.; Будьте осторожны: в процессе работы адаптер питания нагревается.; Берегите компьютер от влаги.
- 6 Важная информация по технике безопасности; Состояния, требующие немедленных действий; iv
- 7 Обслуживание и модернизация
- 8 Адаптеры питания; ОПАСНО
- 11 Замечание по встроенному аккумулятору; Эмиссия тепла и вентиляция
- 13 Замечание о жидкокристаллическом дисплее (ЖКД); xi
- 14 Дополнительная информация по технике безопасности; Замечания по пластиковым пакетам; xii
- 15 Глава 1. Обзор продукта; Вид спереди; Микрофон
- 16 Вид справа
- 17 Lenovo USB-C to HDMI Adaptor; Lenovo USB-C to VGA Adaptor; Гнездо с защитным замком; Вид слева
- 18 Гнездо для мультимедийных карт; Решетка вентилятора; Вид снизу; Динамики
- 19 Индикаторы состояния; Индикатор состояния камеры; Индикаторы состояния системы; Расположение наклеек с важной информацией о продукте
- 21 Компоненты и функции компьютера; Процессор; Память
- 23 Температура; Относительная влажность
- 25 Глава 2. Работа на компьютере; Регистрация компьютера; Можно ли найти руководство пользователя на другом языке?
- 26 Специальные клавиши
- 27 Использование мультисенсорного экрана
- 29 Использование сенсорной панели; Настройка сенсорной панели; Управление питанием; Подключение к источнику переменного тока
- 30 Проверка состояния аккумулятора
- 33 Использование звуковых функций; Использование камеры
- 34 Использование карты Flash Media; Поддерживаемые типы мультимедийных флэш-карт
- 35 Глава 3. Вы и ваш компьютер; Специальные возможности и удобство работы; Общая посадка
- 36 Рекомендации путешественникам; Создание комфортных условий; Меняйте рабочую позу и делайте перерывы; Используйте возможности для улучшения рабочего пространства; Информация о специальных возможностях
- 37 Стандартные разъемы; Использование компьютера в поездке
- 38 Советы авиапассажирам; Дорожные аксессуары
- 39 Глава 4. Устранение неполадок компьютера; Уход за компьютером
- 40 Чистка крышки компьютера
- 41 Чистка клавиатуры; Чистка дисплея; Компьютер перестал отвечать на команды
- 42 Попадание жидкости на клавиатуру; Проблемы беспроводной сети; Неполадки с клавиатурой; Неполадки дисплея и мультимедийных устройств
- 44 Проблемы с электропитанием
- 47 Глава 5. Оказание технической поддержки; Перед тем как связаться с Lenovo; Получение консультаций и услуг
- 49 Телефоны; Подбор дополнительных аксессуаров ThinkPad
- 51 Приложение A. предупреждение; Расположение антенн беспроводной связи UltraConnect; Информация о беспроводной связи; Взаимодействие беспроводных сетей
- 52 Условия работы и ваше здоровье
- 53 Информация о соответствии нормативам радиосвязи; Информация о соответствии нормативам радиосвязи Бразилии; Информация, относящаяся к сертификации; Замечание по экспортной классификации
- 54 Замечание об электромагнитном излучении; Модели без радиоустройства.
- 55 Модели с радиоустройством.; Deutschsprachiger EU Hinweis:
- 57 Приложение B. Информация по WEEE и утилизации; Важная информация о WEEE; Информация о WEEE для Венгрии
- 59 Информация по утилизации для Бразилии; Declarações de Reciclagem no Brasil; Информация об утилизации аккумуляторов для Тайваня (Китай); Примечание
- 60 Утилизация аккумуляторов из продуктов Lenovo; Информация об утилизации аккумуляторов для США и Канады
- 65 Приложение D. Информация о моделях ENERGY STAR
- 67 Приложение E. Замечания
- 68 Товарные знаки












