Страница 2 - Preface; Preface; Preface; WEEE (Waste Electrical and Electronic Equipment) Statement; ENGLISH; эти изделия в специализированные пункты приема.
Preface MS-7672 Preface v Preface MS-7672 Preface WEEE (Waste Electrical and Electronic Equipment) Statement ENGLISH To protect the global environment and as an environmentalist, MSI must remind you that...Under the European Union (“EU”) Directive on Waste Electrical and Elec- tronic Equipment, Dire...
Страница 6 - ix
Preface MS-7672 Preface ix Preface MS-7672 Preface Software-Information ....................................................................................... De-36 Français ..................................................................................................... Fr-1 Spécifications ......
Страница 18 - Слоты
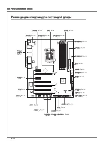
MS-7672 Системная плата Русский Ru-3 MS-7672 Системная плата Русский * Помощь в приобретении дополнительных аксессуаров и поиске номера изделия можно найти по адресу http://www.msi.com/index.php Коннекторы & Кнопки Задней панели 1 порт оптический S/PDIF-out 1 PS/2 combo порт клавиатуры/мыши 1 кн...
Страница 20 - Внимание
MS-7672 Системная плата Русский Ru-5 MS-7672 Системная плата Русский Отверстия для винтов При установке системной платы нужно вставить её в корпус в правильном направлении. Размещения отверстий для винтов показаны ниже. Следуйте указаниям выше указанно для установки держателей в правильном месте в к...
Страница 22 - Установка процессора и вентилятора; Ключ для
MS-7672 Системная плата Русский Ru-7 MS-7672 Системная плата Русский Установка процессора и вентилятора Во избежание перегрева при работе обязательно установите вентилятор процессора. Одновременно, чтобы улучшить теплоотвод, убедитесь в том, что нанесён слой теплопроводящей пасты на процессоре перед...
Страница 25 - информацией о совместимых компонентах обратитесь на сайт; Модули DDR3 не взаимозаменяемы с модулями DDR2, и стандарт DDR3 не
Ru-10 MS-7672 Системная плата Русский MS-7672 Системная плата Русский Память Слоты DIMM используются для установки модулей памяти. За дополнительной информацией о совместимых компонентах обратитесь на сайт http://www.msi.com/service/test-report DDR3 240-конт, 1.5V 48x2=96 конт 72x2=144 конт Правила ...
Страница 26 - Установка модулей памяти
MS-7672 Системная плата Русский Ru-11 MS-7672 Системная плата Русский Установка модулей памяти Модули памяти имеют одну прорезь в средней части. Модуль войдет в разьем только при правильной ориентации.Вставьте модуль в DIMM слот в вертикальном направлении. Затем нажмите на него, чтобы золоченые конт...
Страница 27 - стабильной работы системной платы.
Ru-12 MS-7672 Системная плата Русский MS-7672 Системная плата Русский Разъем питания 24-контактный разъем питания ATX: JPWR1 Этот разъем позволяет подключить 24-контактный коннектор питания ATX. Для его подключения убедитесь, что коннектор и контакты разъема правильно сориентированы. Затем плотно вс...
Страница 30 - могут возникнуть потери данных при передаче.
MS-7672 Системная плата Русский Ru-15 MS-7672 Системная плата Русский Коннекторы Разъем Serial ATA: SATA1~7 Данный разъем является высокоскоростным портом интерфейса Serial ATA. Любой разъем Serial ATA может соединяться с одним устройством Serial ATA. * Компоненты системной платы в изображении тольк...
Страница 32 - руководству Intel; Выносная планка USB 3.0; ВНИМАНИЕ, во избежание повреждений, контакты VCC и GND должны быть
MS-7672 Системная плата Русский Ru-17 MS-7672 Системная плата Русский Коннекторы передней панели: JFP1, JFP2 Эти коннекторы используются для подключения кнопок и индикаторов, расположенных на передней панели корпуса. Коннектор JFP1 соответствует руководству Intel ® Front Panel I/O Connectivity Desig...
Страница 34 - Разъем датчика открывания корпуса: JCI1
MS-7672 Системная плата Русский Ru-19 MS-7672 Системная плата Русский Разъем S/PDIF-Out: JSP1 Этот разъем используется для подключения интерфейса S/PDIF (Sony & Philips Digital Interconnect Format) для передачи звука в цифровом формате. 11 5 V 3.VC C 2.SP DIF 1.Gro und * Компоненты системной пла...
Страница 35 - Разъем TPM Модуля: JTPM1; Данный разъем подключается к модулю TPM (Trusted Platform Module)
Ru-20 MS-7672 Системная плата Русский MS-7672 Системная плата Русский Разъем TPM Модуля: JTPM1 Данный разъем подключается к модулю TPM (Trusted Platform Module) (опционально). За более подробной информацией и назначениями обращайтесь к описанию модуля TPM. 10.N o Pin 14.G roun d 8.5V Pow er 12.G rou...
Страница 36 - Выносной разъем аудио: JAUD1; панели и соответствует руководству Intel
MS-7672 Системная плата Русский Ru-21 MS-7672 Системная плата Русский Выносной разъем аудио: JAUD1 Этот коннектор позволяет подключить выносной разъем аудио на передней панели и соответствует руководству Intel ® Front Panel I/O Connectivity Design. 1.MIC L 3.MIC R 10.H ead Phon e De tectio n 5.He ad...
Страница 38 - Перемычка очистки CMOS: JBAT1; Хранение; CMOS при работающей системе: это повредит системную плату.
MS-7672 Системная плата Русский Ru-23 MS-7672 Системная плата Русский Перемычка Перемычка очистки CMOS: JBAT1 На плате установлена CMOS память с питанием от батарейки, хранящая данные о конфигурации системы. С помощью памяти CMOS, система автоматически загружается каждый раз при включении. Если у ва...
Страница 39 - Кнопка OC Genie: TURBO1; Кнопки
Ru-24 MS-7672 Системная плата Русский MS-7672 Системная плата Русский Эта глава поясняет возможности каждой из кнопок. Кнопка OC Genie: TURBO1 Эта кнопка используется для автоматического разгона системы. Нажмите эту кнопку для включения функции OC Genie, когда система выключена. После нажатия кнопка...
Страница 40 - Слот PCIE (Peripheral Component Interconnect Express)
MS-7672 Системная плата Русский Ru-25 MS-7672 Системная плата Русский Слоты Слот PCIE (Peripheral Component Interconnect Express) Слот PCIE поддерживает карты расширения интерфейса PCIE. PCIE x16 слот PCIE x1 слот Слот PCI (Peripheral Component Interconnect) Слот PCI позволяет установить карты LAN, ...
Страница 43 - Контроль
Ru-28 MS-7672 Системная плата Русский MS-7672 Системная плата Русский Контроль Клавиатура Мышь Описание <↑ ↓ > Перемещение курсора Выбор пункт <Enter> Щелчок/ Двойной щелчок левой кнопки Выбор значка/ области <Esc> Щелчок правой кнопки Переход в меню Выход или возвращение к предыду...
Страница 45 - производительности системы.
Ru-30 MS-7672 Системная плата Русский MS-7672 Системная плата Русский Находясь в режиме настройки BIOS, рекомендуется выполнить следующие действия. Load Optimized Defaults : Выберите пункт [Settings] -> [Save & Exit] -> [Restore Defaults] . На экране появится всплывающее сообщение как на к...
Страница 51 - Установите драйверы для подключения необходимых устройств.; BIOS, которые позволят улучшить производительность системы.
Ru-36 MS-7672 Системная плата Русский Сведения о программном обеспечении Установите в привод диск Driver/Utility (Драйверы и утилиты) из комплекта поставки системной платы. Автоматически запустится инсталляция. Нажмите на название драйвера/ утилиты и следуйте инструкциям на экране для завершения инс...