Страница 2 - Preface; Preface; Preface; WEEE (Waste Electrical and Electronic Equipment) Statement; ENGLISH; эти изделия в специализированные пункты приема.
Preface MS-7666 Preface v Preface MS-7666 Preface WEEE (Waste Electrical and Electronic Equipment) Statement ENGLISH To protect the global environment and as an environmentalist, MSI must remind you that...Under the European Union (“EU”) Directive on Waste Electrical and Elec- tronic Equipment, Dire...
Страница 6 - ix
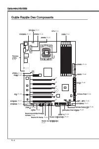
Preface MS-7666 Preface ix Preface MS-7666 Preface Français ..................................................................................................... Fr-1 Spécifications ......................................................................................................Fr-2Guide Rapide...
Страница 22 - Характеристики
Ru-2 MS-7666 Системная плата Характеристики Процессоры Процессор Intel ® Bloomfield TM в конструктиве LGA1366 (Для получения самой новой информации о CPU, посетите сайт http://www.msi.com/index.php?func=cpuform2) QPI До 6.4 ГТ/с Чипсет Северный мост : Intel ® X58 Южный мост : Intel ® ICH10R Память 6...
Страница 23 - Коннекторы
Ru-3 Русский Коннекторы Задней панели 1 PS/2 порт клавиатуры 1 PS/2 порт мыши 1 кнопка сброса CMOS 1 разъем на панели D-LED2 1 порт 1394 5 портов USB 2.0 1 порт ESATA 1 порт ESATA/ USB 2.0 Combo 2 разъема LAN 2 порта USB 3.0 Разъемы, установленные на плате 2 разъема USB 2.0 1 разъем 1394 1 разъем да...
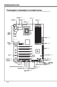
Страница 24 - Размещение компонентов системной платы
Ru-4 MS-7666 Системная плата OC Genie Размещение компонентов системной платы Задняя панель, Ru-14 CPU, Ru-5 CPUFAN, Ru-17 DDR3, Ru-9 Кнопка Reset, Ru-21 JPWR2, Ru-12 JPWR1, Ru-12 SYSFAN2, Ru-17 SATA, Ru-16 JFP1, JFP2, Ru-19 JUSB1~2, Ru-18 Кнопка управления Base Clock, Ru-22 КнопкаOC Genie, Ru-22 J13...
Страница 25 - Внимание
Ru-5 Русский CPU (Центральный процессор) При установке CPU, чтобы уберечь процессор от перегрева, не забудьте установить процессорный кулер. Если у вас нет процессорного кулера, пожалуйста, свяжитесь с дилером с целью приобретения и его установки до того, как включите компьютер. Последнюю информацию...
Страница 26 - Установка процессора и вентилятора; Ключ для
Ru-6 MS-7666 Системная плата Установка процессора и вентилятора Во избежание перегрева при работе обязательно установите вентилятор процессора. Одновременно, чтобы улучшить теплоотвод, убедитесь в том, что нанесён слой теплопроводящей пасты на процессоре перед установкой вентилятора. Следуйте данным...
Страница 29 - информацией о совместимых компонентах обратитесь на сайт; Правила установки модулей памяти; Ниже приведены правила заполнения слотов памяти.
Ru-9 Русский Память Слоты DIMM используются для установки модулей памяти. За дополнительной информацией о совместимых компонентах обратитесь на сайт http://www.msi.com/index.php?func=testreport DDR3 240-конт, 1.5V 48x2=96 конт 72x2=144 конт Правила установки модулей памяти Ниже приведены правила зап...
Страница 30 - Модули DDR3 не взаимозаменяемы с модулями DDR2, и стандарт DDR3 не
Ru-10 MS-7666 Системная плата Трёхканальный режим В трёхканальном режиме модули памяти могут передавать и принимать данные по 3 шинам одновременно. При использовании трёхканального режима обеспечивается максимальная производительность системы. Если у вас три или больше модулей памяти, то установите ...
Страница 31 - памяти может максимально составить 23+ГБ (но не 24ГБ) при установке; Установка модулей памяти
Ru-11 Русский Чтобы система загрузилась, вначале установите модули памяти в разъем DIMM_1 (DIMM_A0 в PCB v1.0).Из-за специфики распределения системных ресурсов чипсета, объём доступной памяти может максимально составить 23+ГБ (но не 24ГБ) при установке модулей памяти 4ГБ в каждый из слотов. Установк...
Страница 32 - Разъем питания; Вы также можете использовать 20-контактный ATX блок питания. При
Ru-12 MS-7666 Системная плата Разъем питания 24-контактный разъем питания ATX: JPWR1 Этот разъем позволяет подключить 24-контактный коннектор питания ATX. Для его подключения убедитесь, что коннектор и контакты разъема правильно сориентированы. Затем плотно вставьте его в разъем на системной плате. ...
Страница 34 - Задняя панель
Ru-14 MS-7666 Системная плата Задняя панель Порт мыши/клавиатуры Стандартные разъемы DIN PS/2 ® для подключения мыши/клавиатуры с интерфейсом PS/2 ® . Кнопка сброса CMOS TНа плате установлена CMOS память с питанием от батарейки, хранящая данные о конфигурации системы. Данные, хранящиеся в CMOS памят...
Страница 35 - Порт ESATA; Разъем LAN
Ru-15 Русский Порт ESATA Порт ESATA (External SATA) используется для соединения с внешним устройством ESATA. Порт ESATA/ USB 2.0 Combo Этот порт ESATA/USB 2.0 combo используется для соединения с внешним устройством ESATA или устройством USB. Порт USB 3.0 Порт USB 3.0 является обратно совместимым уст...
Страница 36 - работают на чипсете Intel; могут возникнуть потери данных при передаче.
Ru-16 MS-7666 Системная плата Коннекторы Разъем Serial ATA: SATA1~8 Данный разъем является высокоскоростным портом интерфейса Serial ATA. Любой разъем Serial ATA может соединяться с одним устройством Serial ATA. * Компоненты системной платы в изображении только для справки. SATA5_6 SATA3_4 SATA1_2 S...
Страница 38 - Разъем USB передней панели: JUSB1 / JUSB2; Разъем, соответствует спецификации Intel; Выносная планка USB 2.0; правильно подключены.; Разъем датчика открывания корпуса: JCI1
Ru-18 MS-7666 Системная плата Разъем USB передней панели: JUSB1 / JUSB2 Разъем, соответствует спецификации Intel ® I/O Connectivity Design, идеально подходит для подключения таких высокоскоростных периферийных устройств, как USB HDD, цифровые камеры, MP3 плееры, принтеры, модемы и им подобные. * Ком...
Страница 39 - руководству Intel
Ru-19 Русский Разъем IEEE1394: J1394_1 Этот коннектор позволяет подключить порты IEEE1394 на опциональной выносной планке IEEE1394. * Компоненты системной платы в изображении только для справки. Выносная планка 1394 (опционально) Коннекторы передней панели: JFP1, JFP2 Эти коннекторы используются для...
Страница 40 - Разъем TPM Модуля: JTPM1; Данный разъем подключается к модулю TPM (Trusted Platform Module)
Ru-20 MS-7666 Системная плата Разъем TPM Модуля: JTPM1 Данный разъем подключается к модулю TPM (Trusted Platform Module) (опционально). За более подробной информацией и назначениями обращайтесь к описанию модуля TPM. 10.N o Pin 14.G roun d 8.5V Pow er 12.G roun d 6.Se rial IR Q 4.3.3 V Po wer 2.3V S...
Страница 41 - возможности каждой из кнопок.; Кнопка питания; кнопку, чтобы включить или выключить систему; Кнопка перезагрузки; перезагрузить систему
Ru-21 Русский Кнопки На этой системной плате имеются дополнительные кнопки. Эта глава поясняет возможности каждой из кнопок. Кнопка питания Эта кнопка используется для включения и выключения системы. Нажмите эту кнопку, чтобы включить или выключить систему . Кнопка перезагрузки Эта кнопка использует...
Страница 42 - Кнопка OC Genie; параметры по умолчанию при следующей загрузке; МГц
Ru-22 MS-7666 Системная плата Кнопка OC Genie Эта кнопка используется для автоматического разгона системы. Нажмите эту кнопку для включения функции OC Genie, когда система выключена. После нажатия кнопка фиксируется и будет подсвечена. Система автоматически определит оптимальные значения разгона пос...
Страница 43 - Переключатель Over-Voltage
Ru-23 Русский Переключатели На системной плате имеются дополнительные переключатели для задания режимов работы компьютера. Эта глава поясняет возможности использования этих переключателей. Переключатель Over-Voltage Изменение положения этого переключателя задаёт диапазон изменения напряжений CPU/ QP...
Страница 44 - Контрольная точка для измерения напряжения: V-Check Point
Ru-24 MS-7666 Системная плата Контрольная точка для измерения напряжения: V-Check Point Данные контрольные точки используются для измерения текущего напряжения CPU/ QPI/ DDR/ IOH/ ICH. CPU QPI DDR IOH ICH GND CPU GND Напряжение CPU: для измерения текущего напряжения процессора необходимо коснуться т...
Страница 45 - Слот PCIE (Peripheral Component Interconnect Express); PCI Express x16 слот; установленными картами расширения или без них.
Ru-25 Русский Слоты Слот PCIE (Peripheral Component Interconnect Express) Слот PCI Express поддерживает карты расширения интерфейса PCI Express. PCI Express x16 слот PCI Express x1 слот Внимание Перед установкой или извлечением карт расширения убедитесь, что кабель питания отключен от электрической ...
Страница 47 - Способ для установки четырёх карт расширения:
Ru-27 Русский Способ для установки четырёх карт расширения: PCI_E2 PCI_E3 PCI_E4 PCI_E5 PCI_E6 PCI_E7 Способ для установки пяти карт расширения: PCI_E2 PCI_E3 PCI_E4 PCI_E5 PCI_E6 PCI_E7 Способ для установки шести карт расширения: PCI_E2 PCI_E3 PCI_E4 PCI_E5 PCI_E6 PCI_E7 ■ ■ ■ Установленно Не устан...
Страница 48 - Технология ATI CrossFireX
Ru-28 MS-7666 Системная плата Технология ATI CrossFireX TM (Multi-GPU) ATI CrossFireX TM обеспечивает возможность создания наиболее мощных multi- GPU игровых платформ. ATI CrossFireX TM позволяет двум или более графическим процессорам работать вместе для увеличения 3D-производительности и предоставл...
Страница 49 - Система на базе CrossFireX; может работать в 4 режимах:
Ru-29 Русский Выберите Advanced View из the view drop menu. Внимание Система на базе CrossFireX TM может работать в 4 режимах: SuperTilingScissor ModeAlternate Frame RenderingSuper Anti-aliasing. За дополнительной информацией обратитесь к руководству пользователя от производителя видеокарты. •••• По...
Страница 51 - подтверждающее сообщение Multi-GPU has been enabled.
Ru-31 Русский Установитефлажок здесь Внимание Если вы собираетесь убрать из системы одну видеокарту и перестать использовать SLI, убедитесь в том, что функция “MultiGPU” выключена. После установки оборудования, перезагрузите систему и установите NV SLI драйвер/утилиты. Используйте панель управления ...
Страница 55 - Панель индикаторов загрузки (Debug LED Panel)
Ru-35 Русский Панель индикаторов загрузки (Debug LED Panel) Сообщения индикатора загрузки (Debug LED) перечислены в таблице ниже. Код Состояние FF Включение питания и первичная инициализация CPU. C0, C1, C2 Этапы ранней инициализации CPU. C4, C6 Инициализация чипсета. D4, D5 Инициализация памяти. 08...
Страница 56 - Настройка BIOS
Ru-36 MS-7666 Системная плата Настройка BIOS В этой главе приводятся основные сведения о режиме настройки BIOS (BIOS SETUP), который позволяет установить оптимальную конфигурацию системы. Этот режим может потребоваться в следующих случаях: Во время загрузки системы появляется сообщение об ошибке с т...
Страница 57 - Вход в режим настройки; Войдя в режим настройки, вы сразу увидите Главное меню.
Ru-37 Русский Вход в режим настройки Включите питание компьютера. При этом запустится процедура POST (Тест включения питания). Когда на экране появится приведенное ниже сообщение, нажмите клавишу <DEL> для входа в режим настройки. Press DEL to enter SETUP (Нажмите DEL для входа в SETUP) Если с...
Страница 67 - Восстановление после неудачного разгона
Ru-47 Русский Внимание Восстановление после неудачного разгона Эта системная плата поддерживает разгон. Однако, убедитесь в том, что ваши периферийные устройства и компоненты допускают нестандартные настройки. Не рекомендуется использовать продукт в режимах, не соответствующих указанным в спецификац...
Страница 68 - Сведения о программном обеспечении; Установите драйверы для подключения необходимых устройств.; BIOS, которые позволят улучшить производительность системы.
Ru-48 MS-7666 Системная плата Сведения о программном обеспечении Установите в DVD привод диск Driver/Utility (Драйверы и утилиты) из комплекта поставки системной платы. Автоматически запустится инсталляция. Нажмите на название драйвера/ утилиты и следуйте инструкциям на экране для завершения инсталл...