Страница 2 - WEEE (Waste Electrcal and Electronc Equpment) Statement; ENGLISH; schlesslch an ener lokalen Altgerätesammelstelle n Ihrer Nähe.; FRANÇAIS; эти изделия в специализированные пункты приема.
Preface MS-7673 Preface v Preface MS-7673 Preface WEEE (Waste Electrcal and Electronc Equpment) Statement ENGLISH To protect the global envronment and as an envronmentalst, MSI must re- mnd you that...Under the European Unon (“EU”) Drectve on Waste Electrcal and Electron- c Equpment, Drectve 2002/96...
Страница 18 - Характеристики
Ru-2 MS-7673 Системная плата Характеристики Процессор Процессор Intel ® Core 7/ Core 5 /Core 3/ Pentum/ Celeron в конструктиве LGA 1155 (Для получения самой новой информации о CPU, посетите сайт http://www.ms.com/servce/cpu-support/) Base Clock 100 МГц Чипсет Intel ® P67 Память 4 слота DDR3 DIMM под...
Страница 19 - Коннекторы
Ru-3 Русский Коннекторы Задней панели 1 PS/2 combo порт клавиатуры/мыши 8 портов USB 2.0 1 кнопка сброса CMOS 1 порт оптический S/PDIF-Out 1 порт коаксиальный S/PDIF-Out 1 порт IEEE 1394 (только для P67A-G45 (B3)) 1 порт LAN 2 порта USB 3.0 6 звуковых разъемов с гибким переназначением Разъемы, устан...
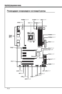
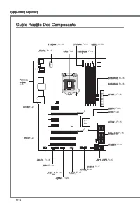
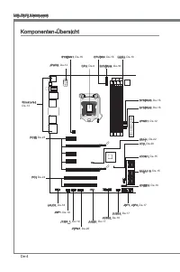
Страница 20 - Размещение компонентов системной платы
Ru-4 MS-7673 Системная плата Размещение компонентов системной платы Задняя панель, Ru-13 CPU, Ru-6 CPUFAN, Ru-16 DDR3, Ru-10 JPWR2, Ru-12 JPWR1, Ru-12 SYSFAN3, Ru-16 SATA1~6, Ru-15 JFP1, JFP2, Ru-17 JUSB1, Ru-17 JCOM1, Ru-15 JSP1, Ru-19 JAUD1, Ru-18 JCI1, Ru-20 JTPM1, Ru-20 PCIE, Ru-23 SYSFAN1, Ru-1...
Страница 21 - Внимание
Ru-5 Русский Отверстия для винтов При установке системной платы нужно вставить её в корпус в правильном направлении. Размещения отверстий для винтов показаны ниже. Следуйте указаниям выше указанно для установки держателей в правильном месте в корпусе и затем ввинтите винты через отверстия для винтов...
Страница 23 - Установка процессора и вентилятора; Ключ для
Ru-7 Русский Установка процессора и вентилятора Во избежание перегрева при работе обязательно установите вентилятор процессора. Одновременно, чтобы улучшить теплоотвод, убедитесь в том, что нанесён слой теплопроводящей пасты на процессоре перед установкой вентилятора. Следуйте данным указаниям для п...
Страница 26 - Память; информацией о совместимых компонентах обратитесь на сайт; Модули DDR3 не взаимозаменяемы с модулями DDR2, и стандарт DDR3 не
Ru-10 MS-7673 Системная плата Память Слоты DIMM используются для установки модулей памяти. За дополнительной информацией о совместимых компонентах обратитесь на сайт http://www.ms.com/servce/test-report/ DDR3 240-конт, 1.5V 48x2=96 конт 72x2=144 конт Правила установки модулей памяти для работы вдвух...
Страница 27 - Установка модулей памяти
Ru-11 Русский Установка модулей памяти Модули памяти имеют одну прорезь в средней части. Модуль войдет в разьем только при правильной ориентации.Вставьте модуль в DIMM слот в вертикальном направлении. Затем нажмите на него, чтобы золоченые контакты глубоко погрузились в DIMM слот. Если модуль памяти...
Страница 28 - Разъем питания; Вы также можете использовать 20-контактный ATX блок питания. При; стабильной работы системной платы.
Ru-12 MS-7673 Системная плата Разъем питания 24-контактный разъем питания ATX: JPWR1 Этот разъем позволяет подключить 24-контактный коннектор питания ATX. Для его подключения убедитесь, что коннектор и контакты разъема правильно сориентированы. Затем плотно вставьте его в разъем на системной плате. ...
Страница 31 - работают на чипсете Intel; могут возникнуть потери данных при передаче.; Разъем последовательного порта: JCOM1; подключить последовательное устройство.
Ru-15 Русский Коннекторы Разъем Seral ATA: SATA1~6 Данный разъем является высокоскоростным портом интерфейса Seral ATA. Любой разъем Seral ATA может соединяться с одним устройством Seral ATA. * Компоненты системной платы в изображении только для справки. SATA1~2 (6 Гб/с) работают на чипсете Intel ® ...
Страница 34 - ВНИМАНИЕ, во избежание повреждений, контакты VCC и GND должны быть; Выносной разъем аудио: JAUD1; панели и соответствует руководству Intel
Ru-18 MS-7673 Системная плата Разъем USB 3.0 передней панели: JUSB2 (только для P67A-G45 (B3)) Порт USB 3.0 является обратно совместимым устройством с USB 2.0. Поддержка скорости передачи данных до 5 Gbt/s (SuperSpeed). 11 5 V 5.US B3_T X3_C _DN 4.Gro und 3.US B3_R X3_D P 2.US B3_R X3_D N 1.FU SB_V ...
Страница 35 - Dgtal Interconnect Format) для передачи звука в цифровом формате.
Ru-19 Русский Разъем S/PDIF-Out: JSP1 Этот разъем используется для подключения интерфейса S/PDIF (Sony & Phlps Dgtal Interconnect Format) для передачи звука в цифровом формате. 11 5 V 3.VC C 2.SP DIF 1.Gro und * Компоненты системной платы в изображении только для справки. Выносная планка S/PDIF-...
Страница 36 - Разъем TPM Модуля: JTPM1; Данный разъем подключается к модулю TPM (Trusted Platform Module); Разъем датчика открывания корпуса: JCI1
Ru-20 MS-7673 Системная плата Разъем TPM Модуля: JTPM1 Данный разъем подключается к модулю TPM (Trusted Platform Module) (опционально). За более подробной информацией и назначениями обращайтесь к описанию модуля TPM. 10.N o Pin 14.G roun d 8.5V Pow er 12.G roun d 6.Se rial IR Q 4.3.3 V Po wer 2.3V S...
Страница 37 - о состоянии индикаторов приведена в таблице.
Ru-21 Русский Световые индикаторы Индикаторы фаз CPU (CPU Phase LEDs) Эти индикаторы показывают режим работы источника питания CPU. Информация о состоянии индикаторов приведена в таблице. ВКЛЮЧЕН ВЫКЛЮЧЕН CPU использует 3 фазы питания. CPU использует 4 фазы питания. CPU Phase LEDs
Страница 38 - Перемычка; Перемычка очистки CMOS: JBAT1; Хранение; CMOS при работающей системе: это повредит системную плату.
Ru-22 MS-7673 Системная плата Перемычка Перемычка очистки CMOS: JBAT1 На плате установлена CMOS память с питанием от батарейки, хранящая данные о конфигурации системы. С помощью памяти CMOS, система автоматически загружается каждый раз при включении. Если у вас возникает необходимость сбросить конфи...
Страница 39 - Слот PCIE (Perpheral Component Interconnect Express); Слот PCIE поддерживает карты расширения интерфейса PCIE.
Ru-23 Русский Слоты Слот PCIE (Perpheral Component Interconnect Express) Слот PCIE поддерживает карты расширения интерфейса PCIE. PCIE x16 слот PCIE x1 слот Внимание Перед установкой или извлечением карт расширения убедитесь, что кабель питания отключен от электрической сети. Прочтите документацию н...
Страница 40 - Слот PCI (Perpheral Component Interconnect); карты расширения, которые соответствуют спецификации PCI.; Приказ1 Приказ2 Приказ3 Приказ4
Ru-24 MS-7673 Системная плата Слот PCI (Perpheral Component Interconnect) Слот PCI позволяет установить карты LAN, SCSI, USB и другие дополнительные карты расширения, которые соответствуют спецификации PCI. 32-bt PCI слот Внимание Перед установкой или извлечением карт расширения убедитесь, что кабел...
Страница 42 - Контроль
Ru-26 MS-7673 Системная плата Контроль Клавиатура Мышь Описание <↑ ↓ > Перемещение курсора Выбор пункт <Enter> Щелчок/ Двойной щелчок левой кнопки Выбор значка/ области <Esc> Щелчок правой кнопки Переход в меню Выход или возвращение к предыдущему пункту в подменю <+> Увеличен...
Страница 44 - производительности системы.
Ru-28 MS-7673 Системная плата Находясь в режиме настройки BIOS, рекомендуется выполнить следующие действия. Load Optmzed Defaults : Выберите пункт [Settngs] -> [Save & Ext] -> [Restore Defaults]. На экране появится всплывающее сообщение как на картинке. Нажмите [Yes], чтобы загрузить настр...
Страница 50 - Сведения о программном обеспечении; Установите драйверы для подключения необходимых устройств.; BIOS, которые позволят улучшить производительность системы.
Ru-34 MS-7673 Системная плата Сведения о программном обеспечении Установите в привод диск Drver/Utlty (Драйверы и утилиты) из комплекта поставки системной платы. Автоматически запустится инсталляция. Нажмите на название драйвера/ утилиты и следуйте инструкциям на экране для завершения инсталляции. Д...