Страница 2 - Preface; Preface; Preface; WEEE (Waste Electrcal and Electronc Equpment) Statement; ENGLISH; schlesslch an ener lokalen Altgerätesammelstelle n Ihrer Nähe.; FRANÇAIS; эти изделия в специализированные пункты приема.
v Preface MS-7759 Preface Preface MS-7759 Preface WEEE (Waste Electrcal and Electronc Equpment) Statement ENGLISH To protect the global envronment and as an envronmentalst, MSI must re- mnd you that...Under the European Unon (“EU”) Drectve on Waste Electrcal and Electron- c Equpment, Drectve 2002/96...
Страница 16 - Характеристики системной платы
Ru-2 Системная плата MS-7759 Характеристики системной платы Поддержка процессоров Разъем LGA 1155 для процессоров Intel ® Core™ 7 / Core™ 5 / Core™ 3 / Pentum ® / Celeron ® 3-го поколения (Последние сведения о поддерживаемых ЦП см. http://www.ms.com/servce/cpu-support) Набор микросхем Чипсет Intel ®...
Страница 17 - Разъемы и кнопки
Ru-3 Русский Разъемы и кнопки Разъемы на задней панели 1 комбинированный порт клавиатуры/мыши PS/2 6 разъемов USB 2.0 2x разъемов USB 3.0 1 разъем для ЛВС 6x аудиоразъемов 1 порт HDMI ® *** с максимальным разрешением 1920x1200 1 разъем DVI-D*** с максимальным разрешением 1920x1200 1 VGA разъем*** **...
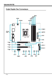
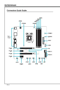
Страница 18 - Краткое руководство по разъемам
Ru-4 Системная плата MS-7759 Краткое руководство по разъемам НазадПанель CPUFAN JPWR2 JPWR1 SATA1/ 2 JFP2 JUSB2 JAUD1 PCI_E1 JBAT1 SYSFAN2 SYSFAN1 JCOM1 SATA3-6 PCI_E2 PCI_E3 PCI_E4 DIMM2 DIMM1 DIMM3 DIMM4 JTPM1 JUSB1 JDLED3 JTURBO1 JFP1 JUSB3 JCI1
Страница 20 - Краткое руководство по работе с задней панелью; Разъем мыши/клавиатуры
Ru-6 Системная плата MS-7759 Краткое руководство по работе с задней панелью Разъем мыши/клавиатуры Комбинированный разъем DIN PS/2 ® для подключения мыши/клавиатуры ® с интерфейсом PS/2. Порт USB 2.0 Порт USB 2.0 предназначен для подключения USB 2.0-устройств, таких как клавиатура, мышь и другие USB...
Страница 23 - Установка ЦП и вентилятора
Ru-9 Русский Установка ЦП и вентилятора При установке процессора обязательно установите вентилятор ЦП. Вентилятор ЦП предупреждает перегревание и обеспечивает стабильность работы системы. Ниже представлены инструкции по правильной установке процессора и вентилятора ЦП. Неправильная установка приводи...
Страница 26 - Отверстия под установочные винты; могут привести к короткому замыканию материнской платы.
Ru-12 Системная плата MS-7759 Отверстия под установочные винты Для установки материнской платы на монтажной плате системного блока сначала установите необходимые установочные стойки. Если в комплект поставки системного блока входит задняя панель ввода-вывода, замените ее задней панелью ввода-вывода,...
Страница 27 - ATX. Для подключения блока питания ATX с 24-контактным разъемом
Ru-13 Русский Электропитание JPWR1: 24-контактный разъем питания ATX Этот разъем предназначен для подключения 24-контактного блока питания ATX. Для подключения блока питания ATX с 24-контактным разъемом совместите кабель питания с разъемом и прочно закрепите его. При правильном выполнении подключени...
Страница 28 - Память; Правила заполнения гнезд при использовании двухканального; Модули DDR3 не взаимозаменяемы с модулями DDR2, стандарт DDR3 не
Ru-14 Системная плата MS-7759 Память Эти гнезда DIMM предназначены для установки модулей памяти. Подробную информацию о совместимых компонентах см. на сайте http://www.ms.com/ servce/test-report DDR3 240 контактов / 1,5 В 48x2=96 контактов 72x2=144 контактов Правила заполнения гнезд при использовани...
Страница 29 - Установка модулей памяти; Отодвиньте в сторону клеммные зажимы и откройте гнездо DIMM.
Ru-15 Русский Установка модулей памяти Отодвиньте в сторону клеммные зажимы и откройте гнездо DIMM. Вертикально вставьте модуль памяти в гнездо DIMM. В нижней части модуля памяти имеется смещенная от центра выемка для правильной установки модуля в гнездо DIMM.Установите модуль памяти в гнездо DIMM д...
Страница 30 - Гнезда для платы расширения; расширения, в частности, дискретных видеокарт или звуковых карт.; Гнездо PCIe (Perpheral Component Interconnect Express); Гнездо PCIe поддерживает платы расширения с интерфейсом PCIe.
Ru-16 Системная плата MS-7759 Гнезда для платы расширения Данная материнская плата содержит множество разъемов для установки плат расширения, в частности, дискретных видеокарт или звуковых карт. Гнездо PCIe (Perpheral Component Interconnect Express) Гнездо PCIe поддерживает платы расширения с интерф...
Страница 31 - подключать плоский разъем.
Ru-17 Русский Внутренние разъемы SATA1-6: Разъем SATA Данный разъем является высокоскоростным интерфейсом SATA. К любому разъему SATA можно подключить одно устройство SATA. К устройствам SATA относятся жесткие диски, твердотельные накопители и накопители на оптических дисках (компакт-диски/ DVD-диск...
Страница 32 - подключаются к свободным разъемам для вентиляторов.
Ru-18 Системная плата MS-7759 CPUFAN,SYSFAN1-2: Разъемы питания вентиляторов Разъемы питания вентиляторов поддерживают вентиляторы с питанием +12 В. Если на системной плате установлена микросхема аппаратного мониторинга, необходимо использовать специальные вентиляторы с датчиками скорости для исполь...
Страница 33 - JAUD1: Аудиоразъем на передней панели
Ru-19 Русский JFP1, JFP2: Разъемы передней панели Эти разъемы служат для подключения кнопок и светодиодных индикаторов, расположенных на передней панели. Разъем JFP1 соответствует стандартам Intel ® Front Panel I/O Connectvty Desgn. При установке разъемов передней панели для удобства используются пе...
Страница 35 - JCI1: Разъем датчика открывания корпуса; необходимо удалить записанное событие в настройках BIOS.; JTPM1: Разъем модуля ТРМ; Данный разъем подключается к модулю ТРМ (Trusted Platform Module).
Ru-21 Русский JCI1: Разъем датчика открывания корпуса К этому разъему подключается кабель датчика, установленного в корпусе. Этот датчик срабатывает при вскрытии системного блока. Система запоминает это событие и выдает предупреждение на экран. Для отключения предупреждения необходимо удалить записа...
Страница 36 - JDLED3: Карта расширения Voce Gene (приобретается; можно получить в руководстве пользователя к данному устройству.; JTURBO1: Разъем панели MultConnect (приобретается; для управления OC Gene и некоторыми дополнительными функциями.; JCOM1: Разъем последовательного порта; можно подключить устройство последовательным интерфейсом.
Ru-22 Системная плата MS-7759 JDLED3: Карта расширения Voce Gene (приобретается дополнительно) Данный разъем служит для подключения к модулю голосового управления (приобретается дополнительно). Дополнительную информацию по эксплуатации можно получить в руководстве пользователя к данному устройству. ...
Страница 37 - JBAT1: Перемычка очистки данных CMOS; Сохранение
Ru-23 Русский Перемычки JBAT1: Перемычка очистки данных CMOS На плате установлена CMOS-память с питанием от батарейки для хранения данных о конфигурации системы. С помощью памяти CMOS операционная система (ОС) автоматически загружается каждый раз при включении. Для сброса конфигурации системы (очист...
Страница 38 - Настройка BIOS; DRAM, версию OS и версию BIOS. Пользователь может импортировать и; Вход; для новой версии, и служит исключительно в качестве примера.
Ru-24 Системная плата MS-7759 Настройка BIOS Технология Clck BIOS II проектированна компанией MSI, предлагающая Графический пользовательский интерфейс для установки параметров BIOS мышью и клавиатурой. С помощью the Clck BIOS II, пользователь может изменять настройки BIOS, отслеживать температуру CP...
Страница 39 - Общие Сведения
Ru-25 Русский Общие Сведения После входа в Clck BIOS II отображается следующий экран. Выбор меню BIOS Температура монитор Система Информация Устройство загрузки строка приоритетности Экран меню Boot menu (Меню Загрузка) Выбор меню BIOS Режим выбор Внимание! Изображения в данном руководстве приведены...
Страница 41 - Подменю
Ru-27 Русский <Esc> Щелчок правой кнопкой Переход в меню Ext (Выход) или возврат к предыдущему меню из подменю <+> Увеличение или изменение значения параметра. <-> Уменьшение или изменение значения параметра. <F1> Общая справка <F4> Спецификация CPU <F5> Вход в Me...
Страница 42 - Меню OC
Ru-28 Системная плата MS-7759 Меню OC Данное меню предназначено для опытных пользователей и предоставляет возможности для «разгона» системы. Внимание! Выполнение разгона ПК вручную рекомендуется только для продвинутых пользователей. Компания не гарантирует успешного выполнения разгона системы, а его...
Страница 47 - Обновление BIOS с помощью модуля Lve Update
Ru-33 Русский Обновление BIOS с помощью модуля Lve Update В данном разделе рассказывается о порядке обновления BIOS с помощью утилиты Lve Update перед входом в операционную систему. При подключении к Интернету утилита Lve Update выполняет автоматическое обновление BIOS. Для обновления BIOS с помощью...
Страница 48 - Сведения о программном обеспечении; Установка Wnk
Ru-34 Системная плата MS-7759 Сведения о программном обеспечении Установите в привод оптических дисков прилагаемый к системной плате компакт диск «Drver/Utlty». Установка запустится автоматически. Выберите драйвер или служебную программу и следуйте инструкциям на экране для завершения установки. Сод...