Страница 2 - Preface; Preface; Preface; WEEE (Waste Electrcal and Electronc Equpment) Statement; ENGLISH; schlesslch an ener lokalen Altgerätesammelstelle n Ihrer Nähe.; FRANÇAIS; эти изделия в специализированные пункты приема.
Preface MS-7678 Preface v Preface MS-7678 Preface WEEE (Waste Electrcal and Electronc Equpment) Statement ENGLISH To protect the global envronment and as an envronmentalst, MSI must re- mnd you that...Under the European Unon (“EU”) Drectve on Waste Electrcal and Electron- c Equpment, Drectve 2002/96...
Страница 19 - Характеристики
Ru-2 MS-7678 Системная плата Характеристики Процессор Процессор Intel ® Sandy Brdge в конструктиве LGA1155 (Для получения самой новой информации о CPU, посетите сайт http://www.ms.com/ndex.php?func=cpuform2) Base Clock 100 МГц Чипсет Intel ® H67 Память 4 слота DDR3 DIMM поддерживают скорость DDR3 13...
Страница 20 - Коннекторы
Ru-3 Русский Коннекторы Задней панели 1 разъем оптический S/PDIF-Out (H67MA-E45, H67MS-E43) 1 PS/2 порт клавиатуры/мыши 1 порт IEEE 1394 (H67MA-E45) 4 порта USB 2.0, 2 порта USB 3.0 (H67MA-E45, H67MA-S01) 6 портов USB 2.0 (H67MS-E43) 1 порт* HDMI (H67MA-E45, H67MS-E43) 1 порт* VGA 1 порт* DVI-D 1 по...
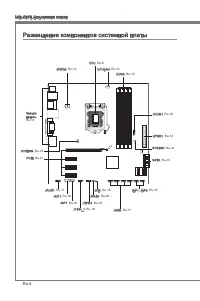
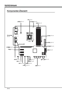
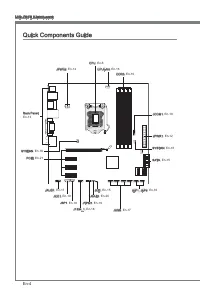
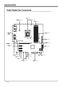
Страница 21 - Размещение компонентов системной платы
Ru-4 MS-7678 Системная плата Размещение компонентов системной платы Задняя панель, Ru-13 CPU, Ru-6 CPUFAN, En-16 DDR3, Ru-10 JPWR2, Ru-12 PCIE, Ru-21 SYSFAN, Ru-16 SYSFAN, Ru-16 JAUD1, Ru-17 JCD1, Ru-19 JSP1, Ru-18 J1394_1, Ru-18 JTPM1, Ru-19 JCI1, Ru-15 JBAT1, Ru-20 JUSB, Ru-17 JFP1, JFP2, Ru-16 SA...
Страница 22 - Внимание
Ru-5 Русский Отверстия для винтов При установке системной платы нужно вставить её в корпус в правильном направлении. Размещения отверстий для винтов показаны ниже. Следуйте указаниям выше указанно для установки держателей в правильном месте в корпусе и затем ввинтите винты через отверстия для винтов...
Страница 24 - Установка процессора и вентилятора; Ключ для
Ru-7 Русский Установка процессора и вентилятора Во избежание перегрева при работе обязательно установите вентилятор процессора. Одновременно, чтобы улучшить теплоотвод, убедитесь в том, что нанесён слой теплопроводящей пасты на процессоре перед установкой вентилятора. Следуйте данным указаниям для п...
Страница 27 - Память; Правила установки модулей памяти
Ru-10 MS-7678 Системная плата Память Слоты DIMM используются для установки модулей памяти. За дополнительной информацией о совместимых компонентах обратитесь на сайт http://www.ms.com/ndex.php?func=testreport DDR3 240-конт, 1.5V 48x2=96 конт 72x2=144 конт Правила установки модулей памяти Ниже привед...
Страница 28 - Установка модулей памяти
Ru-11 Русский Установка модулей памяти Модули памяти имеют одну прорезь в средней части. Модуль войдет в разьем только при правильной ориентации.Вставьте модуль в DIMM слот в вертикальном направлении. Затем нажмите на него, чтобы золоченые контакты глубоко погрузились в DIMM слот. Если модуль памяти...
Страница 29 - Разъем питания; Вы также можете использовать 20-контактный ATX блок питания. При; стабильной работы системной платы.
Ru-12 MS-7678 Системная плата Разъем питания 24-контактный разъем питания ATX: JPWR1 Этот разъем позволяет подключить 24-контактный коннектор питания ATX. Для его подключения убедитесь, что коннектор и контакты разъема правильно сориентированы. Затем плотно вставьте его в разъем на системной плате. ...
Страница 30 - передачи звука в цифровом формате через оптоволоконный кабель.; многоканальное цифровое аудио.
Ru-13 Русский Задняя панель Разъем оптический S/PDIF-Out (опционально) Этот разъем S/PDIF (Sony & Phlps Dgtal Interconnect Format) используется для передачи звука в цифровом формате через оптоволоконный кабель. Порт мыши/клавиатуры Стандартные разъемы DIN PS/2 ® для подключения мыши/клавиатуры с...
Страница 32 - работают на чипсете Intel; могут возникнуть потери данных при передаче.; Разъем датчика открывания корпуса: JCI1
Ru-15 Русский Коннекторы Разъем Seral ATA: SATA1~6 Данный разъем является высокоскоростным портом интерфейса Seral ATA. Любой разъем Seral ATA может соединяться с одним устройством Seral ATA. * Компоненты системной платы в изображении только для справки. SATA1~2 (6Гб/с) SATA3~6 (3Гб/с) работают на ч...
Страница 33 - руководству Intel
Ru-16 MS-7678 Системная плата Разъем питания вентиляторов: CPUFAN,SYSFAN1~3 Разъемы питания вентиляторов поддерживают вентиляторы с питанием +12В. При подключении необходимо помнить, что красный провод подключается к шине +12В, черный - к земле GND. Если на системной плате установлена микросхема апп...
Страница 34 - Разъем, соответствует спецификации Intel; ВНИМАНИЕ, во избежание повреждений, контакты VCC и GND должны быть; Выносной разъем аудио: JAUD1; панели и соответствует руководству Intel
Ru-17 Русский Разъем USB передней панели: JUSB1~4 Разъем, соответствует спецификации Intel ® I/O Connectvty Desgn и преднозначен для подключения высокоскоростных периферийных устройств, таких как USB HDD, цифровые камеры, MP3 плееры, принтеры, модемы и т.д. 11 5 V 1.VC C 3.US B0- 10.N C 5.US B0+ 7.G...
Страница 35 - Dgtal Interconnect Format) для передачи звука в цифровом формате.
Ru-18 MS-7678 Системная плата Разъем IEEE1394: J1394_1 (опционально) Этот коннектор позволяет подключить порты IEEE1394 на опциональной выносной планке IEEE1394. * Компоненты системной платы в изображении только для справки. Выносная планка 1394 (опционально) Разъем S/PDIF-Out: JSP1 Этот разъем испо...
Страница 36 - Разъем последовательного порта: JCOM1; подключить последовательное устройство.; Разъем TPM Модуля: JTPM1; Данный разъем подключается к модулю TPM (Trusted Platform Module)
Ru-19 Русский Разъем последовательного порта: JCOM1 Данный разъем является высокоскоростным последовательным портом связи 16550A с 16-байтной передачей FIFO. К этому разъему можно непосредственно подключить последовательное устройство. 1.DC D 3.SO UT 10.N o Pin 5.Gro und 7.RT S 9.RI 8.CT S 6.DS R 4....
Страница 37 - Перемычки; Перемычки очистки CMOS: JBAT1; CMOS при работающей системе: это повредит системную плату.
Ru-20 MS-7678 Системная плата Перемычки Перемычки очистки CMOS: JBAT1 На плате установлена CMOS память с питанием от батарейки, хранящая данные о конфигурации системы. С помощью памяти CMOS, система автоматически загружается каждый раз при включении. Если у вас возникает необходимость сбросить конфи...
Страница 38 - Слот PCIE (Perpheral Component Interconnect Express); Слот PCIE поддерживает карты расширения интерфейса PCIE.
Ru-21 Русский Слоты Слот PCIE (Perpheral Component Interconnect Express) Слот PCIE поддерживает карты расширения интерфейса PCIE. PCIE x16 слот PCIE x1 слот Внимание Перед установкой или извлечением карт расширения убедитесь, что кабель питания отключен от электрической сети. Прочтите документацию н...
Страница 39 - Световые индикаторы; Индикатор APS; CPU использует 1 фазу питания.
Ru-22 MS-7678 Системная плата Световые индикаторы Индикатор APS Индикаторы APS (Actve Phase Swtchng) показывают режим работы источника питания CPU. Информация о состоянии индикаторов приведена в таблице. : ВКЛЮЧЕН : ВЫКЛЮЧЕН CPU использует 1 фазу питания. CPU использует 2 фазы питания. CPU используе...
Страница 41 - Контроль
Ru-24 MS-7678 Системная плата Контроль Клавиатура Мышь Описание <↑ ↓ > Перемещение курсора Выбор пункт <Enter> Щелчок/ Двойной щелчок левой кнопки Выбор значка/ области <Esc> Щелчок правой кнопки Переход в меню Выход или возвращение к предыдущему пункту в подменю <+> Увеличен...
Страница 43 - производительности системы.
Ru-26 MS-7678 Системная плата Находясь в режиме настройки BIOS, рекомендуется выполнить следующие действия. Load Optmzed Defaults : Выберите пункт [Settng] -> [Save & Ext] -> [Restore Defaults]. На экране появится всплывающее сообщение как на картинке. Нажмите [Yes], чтобы загрузить настро...
Страница 49 - Сведения о программном обеспечении; Установите драйверы для подключения необходимых устройств.; BIOS, которые позволят улучшить производительность системы.
Ru-32 MS-7678 Системная плата Сведения о программном обеспечении Установите в привод диск Drver/Utlty (Драйверы и утилиты) из комплекта поставки системной платы. Автоматически запустится инсталляция. Нажмите на название драйвера/ утилиты и следуйте инструкциям на экране для завершения инсталляции. Д...