Страница 3 - WEEE (Waste Electrcal and Electronc Equpment) Statement; ENGLISH; schlesslch an ener lokalen Altgerätesammelstelle n Ihrer Nähe.; FRANÇAIS; эти изделия в специализированные пункты приема.
v MS-7721 Preface WEEE (Waste Electrcal and Electronc Equpment) Statement ENGLISH To protect the global envronment and as an envronmentalst, MSI must re- mnd you that...Under the European Unon (“EU”) Drectve on Waste Electrcal and Electron- c Equpment, Drectve 2002/96/EC, whch takes effect on August...
Страница 24 - Характеристики системной платы
Ru-2 Системная плата MS-7721 Характеристики системной платы Поддержка процессоров Процессоры AMD ® A10/A8/A6/A4-серии для конструктива FM2 Чипсет AMD ® A75/ A55 Память 2x DDR3 DIMMs с поддержкой модулей DDR3 2133(OC)/ 1866/ 1600/ 1333/ 1066 DRAM (максимальная емкость16ГБ) Поддержка двухканального ре...
Страница 25 - Слоты
Ru-3 Русский - - - Последние сведения о поддержке процессора см. на веб-страницеhttp://www.ms.com/servce/cpu-support Дополнительные сведения о совместимых компонентах см. на веб-странице http://www.ms.com/servce/test-report Помощь в приобретении дополнительных аксессуаров и поиске номера изделия мож...
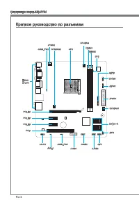
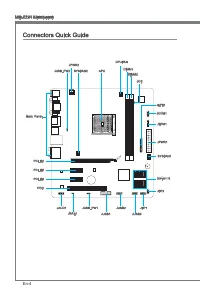
Страница 26 - Краткое руководство по разъемам
Ru-4 Системная плата MS-7721 Краткое руководство по разъемам Назад панель APU CPUFAN JPWR1 SYSFAN1 SATA1~6 JFP2 JCI1 JTPM1 JCOM1 JLPT1 DIMM1 DIMM2 JFP1 JUSB3 JUSB2 JUSB1 JUSB_PW1 JBAT1 JAUD1 PCI1 PCI_E3 PCI_E2 PCI_E1 SYSFAN2 JPWR2 JUSB_PW2
Страница 28 - Краткое руководство по работе с задней панелью; Разъем мыши/клавиатуры; Вниимание
Ru-6 Системная плата MS-7721 Краткое руководство по работе с задней панелью Разъем мыши/клавиатуры Комбинированный разъем DIN PS/2 ® для подключения мыши/клавиатуры с интерфейсом PS/2 ® . Порт USB 2.0 Порт USB 2.0 предназначен для подключения USB 2.0-устройств, таких как кла- виатура, мышь и другие ...
Страница 29 - Внимание
Ru-7 Русский Порт VGA Разъем DB15 гнездового типа для подключения монитора. Порт DVI-D Разъем DVI-D (цифровой видеоинтерфейс) подключается к ЖК или ЭЛТ монито- ру с помощью переходника. Подробную информацию о подключении монитора см. в руководстве к монитору. Порт HDMI Мультимедийный интерфейс высок...
Страница 30 - Перегрев; Процессор FM2; что нанесен слой термопасты на процессоре.
Ru-8 Системная плата MS-7721 APU (Accelerated Processng Unts) Внимание Перегрев Перегревание может привести к серьезному повреждению APU и материнской платы. Всегда проверяйте работоспособность вентилятора для защиты APU от перегревания. При установке вентилятора нанесите ровный слой термопасты (или...
Страница 31 - Установка APU и вентилятора
Ru-9 Русский Установка APU и вентилятора Во избежание перегрева при работе обязательно установите вентилятор APU. Одновременно, чтобы улучшить теплоотвод, убедитесь в том, что нанесен слой термопасты на APU перед установкой вентилятора. Следуйте данным указаниям для правильной установки. Неправильна...
Страница 33 - привести к короткому замыканию материнской платы.
Ru-11 Русский Отверстия под установочные винты Для установки материнской платы на монтажной плате системного блока сначала установите необходимые установочные стойки. Если в комплект поставки сис- темного блока входит задняя панель ввода-вывода, замените ее задней панелью ввода-вывода, которая поста...
Страница 34 - Электропитание; Этот разъем обеспечивает подачу 12 В питания на APU.
Ru-12 Системная плата MS-7721 Электропитание JPWR1: 24-контактный разъем питания ATX Этот разъем предназначен для подключения 24-контактного блока питания ATX. Для подключения блока питания ATX с 24-контактным разъемом совместите кабель питания с разъемом и прочно закрепите его. При правильном выпол...
Страница 35 - Модули памяти; Правила заполнения гнезд при использовании двухканального
Ru-13 Русский Память Эти гнезда DIMM предназначены для установки модулей памяти. Подробную ин- формацию о совместимых компонентах см. на сайте http://www.ms.com/servce/ test-report Модули памяти DDR3 240-контактов, 1.5В 48x2=96 контактов 72x2=144 контактов Правила заполнения гнезд при использовании ...
Страница 36 - Установка модулей памяти; кально вставьте модуль памяти в гнездо DIMM. В нижней части модуля
Ru-14 Системная плата MS-7721 Установка модулей памяти Отодвиньте в сторону клеммные зажимы и откройте гнездо DIMM. Верти- кально вставьте модуль памяти в гнездо DIMM. В нижней части модуля памяти имеется смещенная от центра выемка для правильной установки модуля в гнездо DIMM.Установите модуль памя...
Страница 37 - Слот PCIe (Perpheral Component Interconnect Express)
Ru-15 Русский Слоты расширения Данная материнская плата содержит множество разъемов для установки плат расширения в частности, дискретных видеокарт или звуковых карт. Слот PCIe (Perpheral Component Interconnect Express) Слот PCIe поддерживает платы расширения с интерфейсом PCIe. PCIe 2.0 x16 слот PC...
Страница 38 - Установка одной видеокарты
Ru-16 Системная плата MS-7721 Видео/ Видеокарты По умолчанию, данная плата использует графическое ядро интегрированное в CPU, но Вы так же можете значительно повысит графическую производительность системы, путем добавление одной или нескольких дискретных видеокарт в слоты расширения. Для лучшей совм...
Страница 39 - руководствах к соответствующим устройствам.
Ru-17 Русский Внутренние разъемы SATA1~6: Разъем Seral ATA Данный разъем является высокоскоростным интерфейсом Seral ATA. К любому разъему Seral ATA можно подключить одно устройство Seral ATA. К устройствам Seral ATA относятся жесткие диски, твердотельные накопители и накопители на оптических дисках...
Страница 41 - разъемы к материнской плате.; надписи на разъемах.; JAUD1: Аудиоразъем на передней панели; системного блока. Этот разъем соответствует стандарту Intel
Ru-19 Русский JFP1, JFP2: Разъемы передней панели Эти разъемы служат для подключения кнопок и светодиодных индикаторов, рас- положенных на передней панели. Разъем JFP1 соответствует стандартам Intel ® Front Panel I/O Connectvty Desgn. При установке разъемов передней панели для удобства используются ...
Страница 42 - тельные сведения см. в описании модуля безопасности ТРМ.
Ru-20 Системная плата MS-7721 JUSB2~3: Разъемы расширения USB 2.0 Этот разъем служит для подключения таких высокоскоростных периферийных устройств, как жесткие диски с интерфейсом USB, цифровые камеры, МРЗ плее- ры, принтеры, модемы и т. д. 11 5 V 1.VC C 3.US B0- 10.N C 5.US B0+ 7.Gro und 9.No Pin 8...
Страница 43 - JLPT1: Разъемы параллельного порта; данных 16550А с 16-разрядной передачей FIFO. К этому разъему можно
Ru-21 Русский JLPT1: Разъемы параллельного порта Этот коннектор используется для подключения опциональной планки параллельного порта. Параллельный порт-это стандартный порт для принтера. Он поддерживает режимы EPP(усовершенствованный параллельный порт) и ECP (параллельный порт с дополнительными возм...
Страница 44 - Кронштейн USB
Ru-22 Системная плата MS-7721 JUSB1: JUSB1-это разъем USB 3.0 для FM2-A75MA-E35, и разъем USB 2.0 для FM2- A55M-E35. Разъем расширения USB 3.0 (FM2-A75MA-E35) Порт USB 3.0 обратно совместим с устройствами USB 2.0. Он поддерживает ско- рость передачи данных до 5 Гбит/с(SuperSpeed). 11 5 V 5.US B3_T X...
Страница 45 - JCI1: Разъем датчика открывания корпуса; необходимо удалить записанное событие в настройках BIOS.
Ru-23 Русский JCI1: Разъем датчика открывания корпуса К этому разъему подключается кабель датчика, установленного в корпусе. Этот датчик срабатывает при вскрытии системного блока. Система запоминает это событие и выдает предупреждение на экран. Для отключения предупреждения необходимо удалить записа...
Страница 46 - Перемычки
Ru-24 Системная плата MS-7721 Перемычки JUSB_PW1~2: Перемычка USB power Порты USB на задней панели ввода-вывода контролируются на основе JUSB_ PW2. Порты JUSB1 и JUSB2 контролируются на основе JUSB_PW1. Эти пере- мычки позволяют включать/ выключать функцию “Активизация через S3/S4/S5 от устройства U...
Страница 47 - JBAT1: Перемычка очистки данных CMOS; Сохранение; ринскую плату из строя.
Ru-25 Русский JBAT1: Перемычка очистки данных CMOS На плате установлена CMOS-память с питанием от батарейки для хранения дан- ных о конфигурации системы. С помощью памяти CMOS операционная система (ОС) автоматически загружается каждый раз при включении. Для сброса конфи- гурации системы (очистки дан...
Страница 48 - Драйверы и утилиты; полезные и креативные утилиты.; Утилита Total Installer; утилит на своем компьютере следуйте приведенным ниже указаниям.
Ru-26 Системная плата MS-7721 Драйверы и утилиты После установки операционной системы для достижения максимальной произво- дительности собранного вами нового компьютера требуется установка драйве- ров. В комплект поставки системной платы MSI входит компакт-диск с драй- верами (Drver Dsc). Установка ...
Страница 49 - Выполняется вход
Ru-27 Русский Настройка BIOS Утилита CLICK BIOS II от MSI обеспечивает графический интерфейс пользовате- ля для установки параметров BIOS с помощи мыши и клавиатуры.С помощью утилиты CLICK BIOS II пользователи смогут изменять параметры BIOS, следить за температурой процессора, выбирать приоритетност...
Страница 51 - Работа
Ru-29 Русский Работа Утилита CLICK BIOS II позволяет управлять параметрами настройки BIOS с по- мощью мыши и клавиатуры. В нижеследующей таблице представлен перечень и описание «клавиш быстрого вызова» и функций мыши. Клавиша быстрого вызова Mыши Описание <↑↓→← > Перемещение указателя Выбор эл...
Страница 57 - Обновление BIOS с помощью модуля Lve Update; Для обновления BIOS с помощью модуля Lve Update:
Ru-35 Русский Обновление BIOS с помощью модуля Lve Update В данном разделе рассказывается о порядке обновления BIOS с помощью утилиты Lve Update перед входом в операционную систему. При подключении к Интернету утилита Lve Update выполняет автоматическое обновление BIOS. Для обновления BIOS с помощью...
Страница 58 - Установка Wndows XP Примечания; Установка Wndows XP с режимом IDE; подготовьте пожалуйста, драйвера AHCI для Wndows XP в развитых.
Ru-36 Системная плата MS-7721 Установка Wndows XP Примечания В этом разделе описывается порядок установки Wndows XP с режимами IDE или AHCI. Установка Wndows XP с режимом IDE В процессе установки Wndows XP возникает ошибка и появляется голубой экран,т. к. установка этой операционной системы не подде...
Страница 59 - Установка операционной системы Wndows XP:
Ru-37 Русский Установка операционной системы Wndows XP: Пожалуйста, следуйте ниже шагов: Доступ к BIOS, установите режим SATA AHCI в режиме сохранения, выхода и перезагрузки.Убедитесь, что диск USB дисковод подключается к компьютеру.Запустите установку Wndows XP. При установке Wndows экране появляет...