Материнские платы GIGABYTE GA 8N775 - инструкция пользователя по применению, эксплуатации и установке на русском языке. Мы надеемся, она поможет вам решить возникшие у вас вопросы при эксплуатации техники.
Если остались вопросы, задайте их в комментариях после инструкции.
"Загружаем инструкцию", означает, что нужно подождать пока файл загрузится и можно будет его читать онлайн. Некоторые инструкции очень большие и время их появления зависит от вашей скорости интернета.

- 7 -
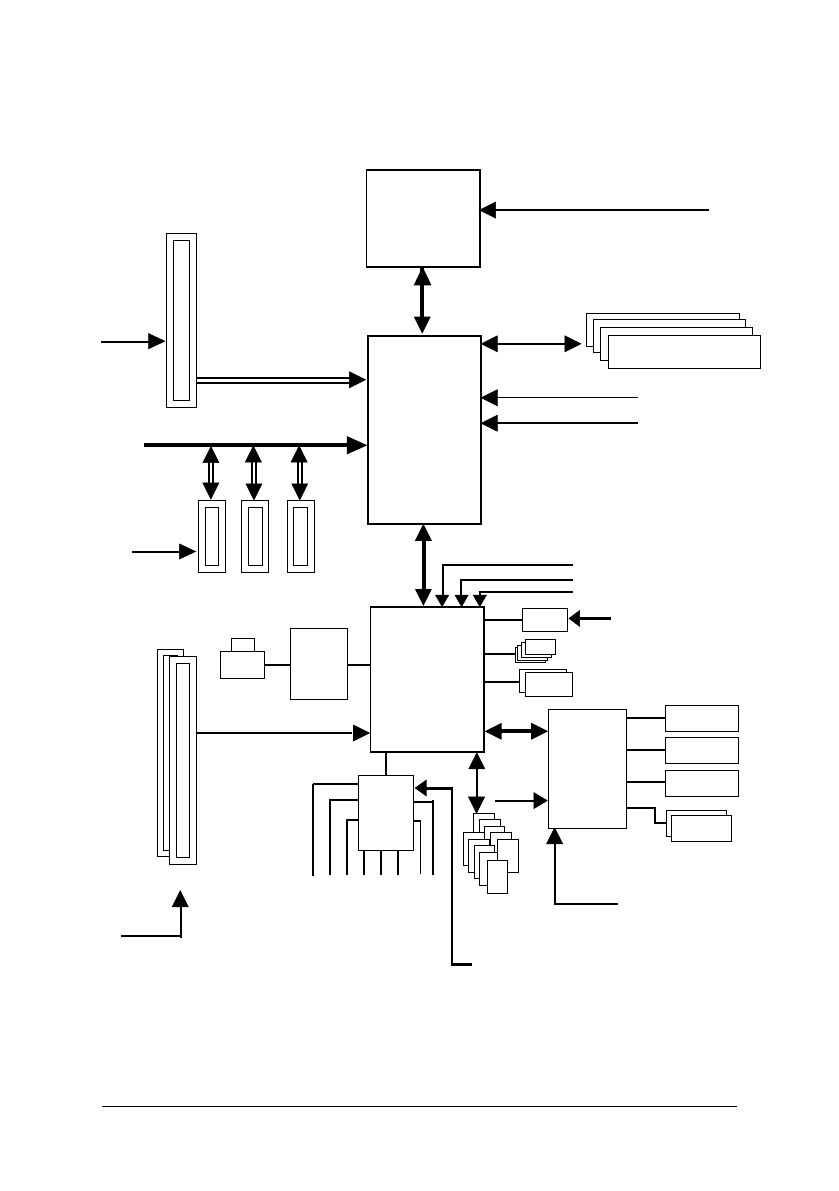
Block Diagram
LGA775
Processor
CPUCLK+/-(1066/800/533MHz)
Host
Interface
NBCLK (25MHz)
HCLK+/- (133/200/266MHz)
24 MHz
33 MHz
LPC BUS
IT8712F
PCICLK
(33MHz)
2 PCI
PCI Bus
3 PCI Express x 1
PCI Express Bus
nVIDIA
®
Crush 19
nVIDIA
®
MCP-04
DDRII 667/533MHz DIMM
Dual Channel Memory
LAN
RJ45
M a r v e l l
88E1111/
88E1115
BIOS
4 SATA 3Gb/s
10 USB
Ports
Line-Out
MIC
CODEC
Line-In
SPDIF In
SPDIF Out
Side Speaker Out
Center/Subwoofer Speaker Out
Surround Speaker Out
F l o p p y
PS/2 KB/Mouse
LPT Port
COM Port
ATA33/66/100/133
IDE Channels
PCI Express x 16 Bus
1 PCIE x 16
PCI-ECLK
(100MHz)
33MHz
ROMCLK33MHz
48MHz
25MHz
24.576MHz
x 1
x 1
PCI-ECLK
(100MHz)
x 1



