Магнитолы Alpine IVA-W505R - инструкция пользователя по применению, эксплуатации и установке на русском языке. Мы надеемся, она поможет вам решить возникшие у вас вопросы при эксплуатации техники.
Если остались вопросы, задайте их в комментариях после инструкции.
"Загружаем инструкцию", означает, что нужно подождать пока файл загрузится и можно будет его читать онлайн. Некоторые инструкции очень большие и время их появления зависит от вашей скорости интернета.

82
-RU
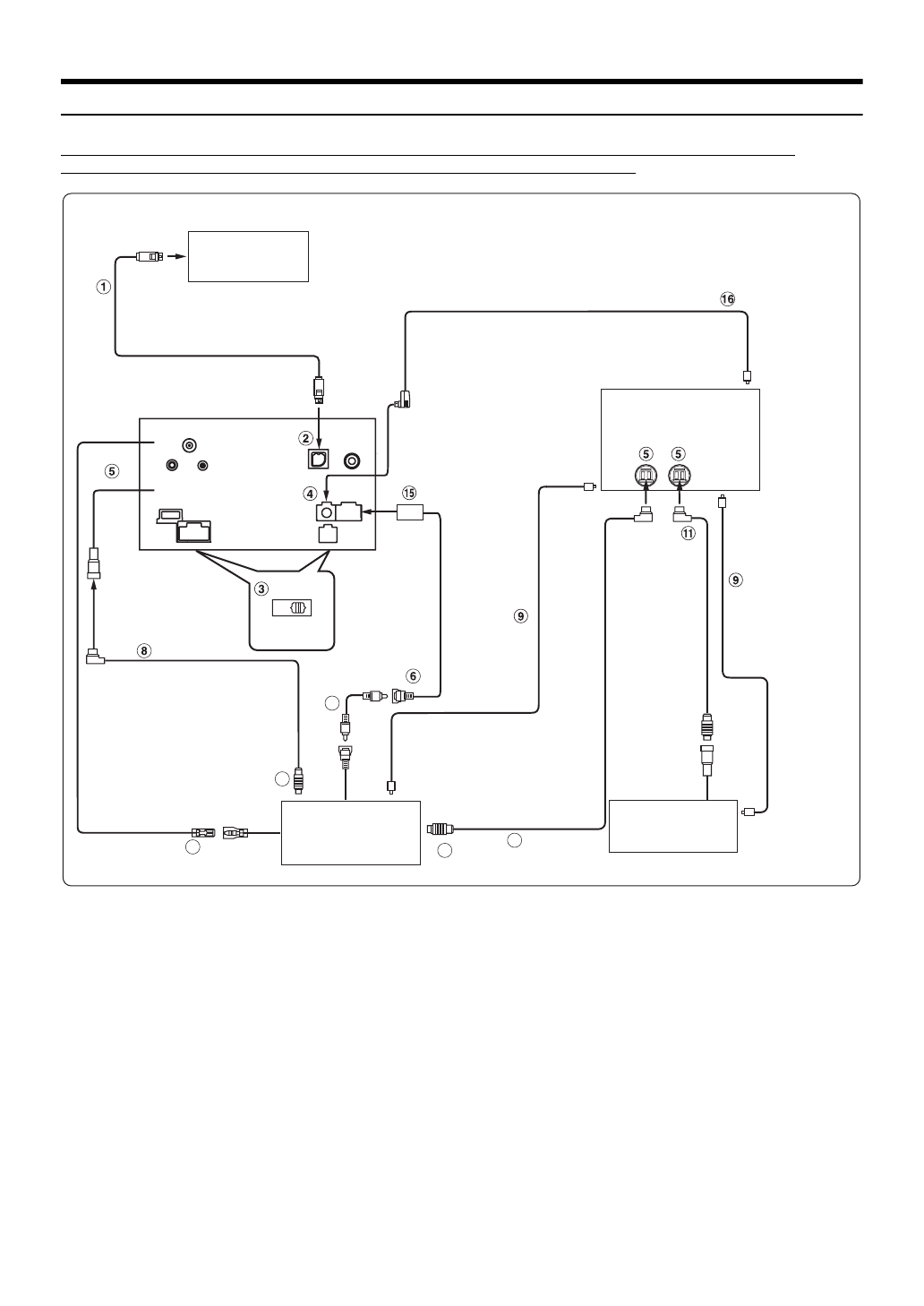
Пример системы
Подключите совместимый с шиной Ai-NET аудиопроцессор (поддерживающий цифровое оптическое
подключение), систему навигации, проигрыватель DVD-дисков и CD-чейнджер.
•
При подключении совместимого с оптическим входом устройства необходимо установить режим работы этого
устройства. См. раздел “Настройка цифрового выхода” (стр. 41) и выберите значение ON.
•
Для подключения в качестве системы навигации NVE-N055PS используйте кабель преобразования RGB KCE-030N
(приобретается дополнительно).
При использовании оптического кабеля соблюдайте следующие меры предосторожности (Оптический цифровой кабель).
•
Не скручивайте оптический кабель витками с радиусом менее 30 мм.
•
Не устанавливайте предметы на оптический кабель.
•
Не сгибайте оптический кабель под острым углом.
NORM
EQ/DIV
10
14
12
13
7
Система навигации
(приобретается
дополнительно)
NVE-N077PS/NVE-N099P
Оптический цифровой
кабель (KWE-610A)
Входной цифровой
оптический разъем
(для главного блока)
Аудиопроцессор (Ai-NET)
(поддерживающий цифровое
оптическое подключение)
(приобретается
дополнительно)
Входной цифровой
оптический разъем
(для проигрывателя
DVD-дисков)
Кабель Ai-NET
Входной цифровой
оптический разъем
(для чейнджера)
*
Оптический
кабель
Кабель
Ai-NET
CD-чейнджер
(Ai-NET)
(приобретается
дополнительно)
*
Подключайте только совместимый с цифровым
оптическим входом чейнджер
Видеопроигрыватель
DVD-дисков (Ai-NET)
(DVA-5210 и т.д.)
(приобретается
дополнительно)
Оптический
кабель
REMOTE IN
REMOTE OUT
(Белый/
коричневый)
(Белый/
коричневый)
(Желтый)
Кабель Ai-NET
Содержание
- 3 PYCСКИЙ; ПРЕДУПРЕЖДЕНИЕ
- 4 Настройка DVD
- 5 Загрузка данных; Внешний аудиопроцессор
- 6 Установка и соединения
- 7 Руководство по использованию; НЕ РАЗБИРАТЬ И НЕ ИЗМЕНЯТЬ.
- 8 МЕРЫ ПРЕДОСТОРОЖНОСТИ
- 9 Принадлежности для дисков; Диски, воспроизводимые на; Воспроизводимые диски
- 10 ALL
- 11 Терминология, использующаяся при описании дисков; Обращение с USB-накопителями
- 12 Использование портативного аудиоплеера
- 13 Список компонентов; Расположение элементов управления; Приступая к работе
- 14 Загрузка/извлечение диска; Настройка угла просмотра монитора; Настройка уровня громкости
- 15 Как просматривать изображение; Работа с сенсорными кнопками
- 16 Выбор стиля дисплея
- 17 Радио
- 18 Прием информации о трафике; Работа RDS
- 20 Воспроизведение; Многократное воспроизведение
- 23 Воспроизведение диска; Отображение экрана режима DVD
- 24 Отображение экрана главного меню
- 25 Перемотка вперед/назад
- 27 папки; Прямой поиск по номеру главы,
- 29 Другие полезные
- 30 Функция поиска
- 31 Функция вывода изображения на; Переключение режимов экрана
- 32 Переключение только визуального; Включение и выключение режима; Отмена синхронной работы; Настройка
- 33 Изменение настроек языка
- 34 Изменение настройки цифрового вывода
- 36 Настройка режима экрана ТВ
- 37 Операция настройки радио; Настройка радио; Отображение времени RDS; Регулировка уровней сигналов
- 38 Операция настройки дисплея; Режим PI SEEK; Настройка дисплея
- 39 Настройка яркости экрана подсветки; Переключение фоновых текстур; Изменение цвета фона шрифта
- 40 Операция общей настройки; Общая настройка
- 41 Операция настройки системы; Настройка системы
- 42 Настройка входа камеры заднего вида
- 43 Настройка сенсорной кнопки VISUAL; Настройка цифрового выхода
- 44 Настройка яркости
- 45 Настройка оттенка изображения
- 46 Процедура настройки Dolby Surround
- 47 Настройка A.PROCESSOR; Настройка регулировки низких частот
- 49 Переключение фазы
- 50 Настройка динамиков
- 51 Сохранение настроек в памяти; Настройка уровня DVD
- 52 Настройка режима MultEQ
- 54 Настройка графического эквалайзера
- 55 Настройка системы сабвуфера; Настройка уровня сабвуфера
- 56 Информация о временной коррекции; переднее левое сидение
- 57 Информация о кроссовере
- 58 Информация о технологии IMPRINT; ВИДЕНИЕ И РЕАЛЬНОСТЬ
- 59 Включение системы навигации; Портативная система навигации; Навигационная
- 60 Работа с дополнительным устройством; Работа с устройством TUE-T200DVB; Дополнительное
- 63 Поиск нужной композиции
- 64 Создание списка воспроизведения; Поиск по имени исполнителя
- 65 iPod
- 66 Функция прямого поиска; Воспроизведение в случайном
- 67 Информация о дисках DVD; Информация
- 72 При возникновении трудностей
- 75 CURRENT ERROR
- 76 Технические характеристики; CLASS 1
- 77 Предупреждение; ВЫПОЛНЯЙТЕ ПРАВИЛЬНЫЕ ПОДКЛЮЧЕНИЯ.; КОЛЕСОМ ИЛИ РЫЧАГОМ ПЕРЕКЛЮЧЕНИЯ СКОРОСТЕЙ.; Осторожно
- 78 Установка
- 81 Соединения
- 84 Пример системы