Котел Federica Bugatti 24 ATMO - инструкция пользователя по применению, эксплуатации и установке на русском языке. Мы надеемся, она поможет вам решить возникшие у вас вопросы при эксплуатации техники.
Если остались вопросы, задайте их в комментариях после инструкции.
"Загружаем инструкцию", означает, что нужно подождать пока файл загрузится и можно будет его читать онлайн. Некоторые инструкции очень большие и время их появления зависит от вашей скорости интернета.

- 14 -
RU
FEDERICA
(FEDERICA 24 ATMO)
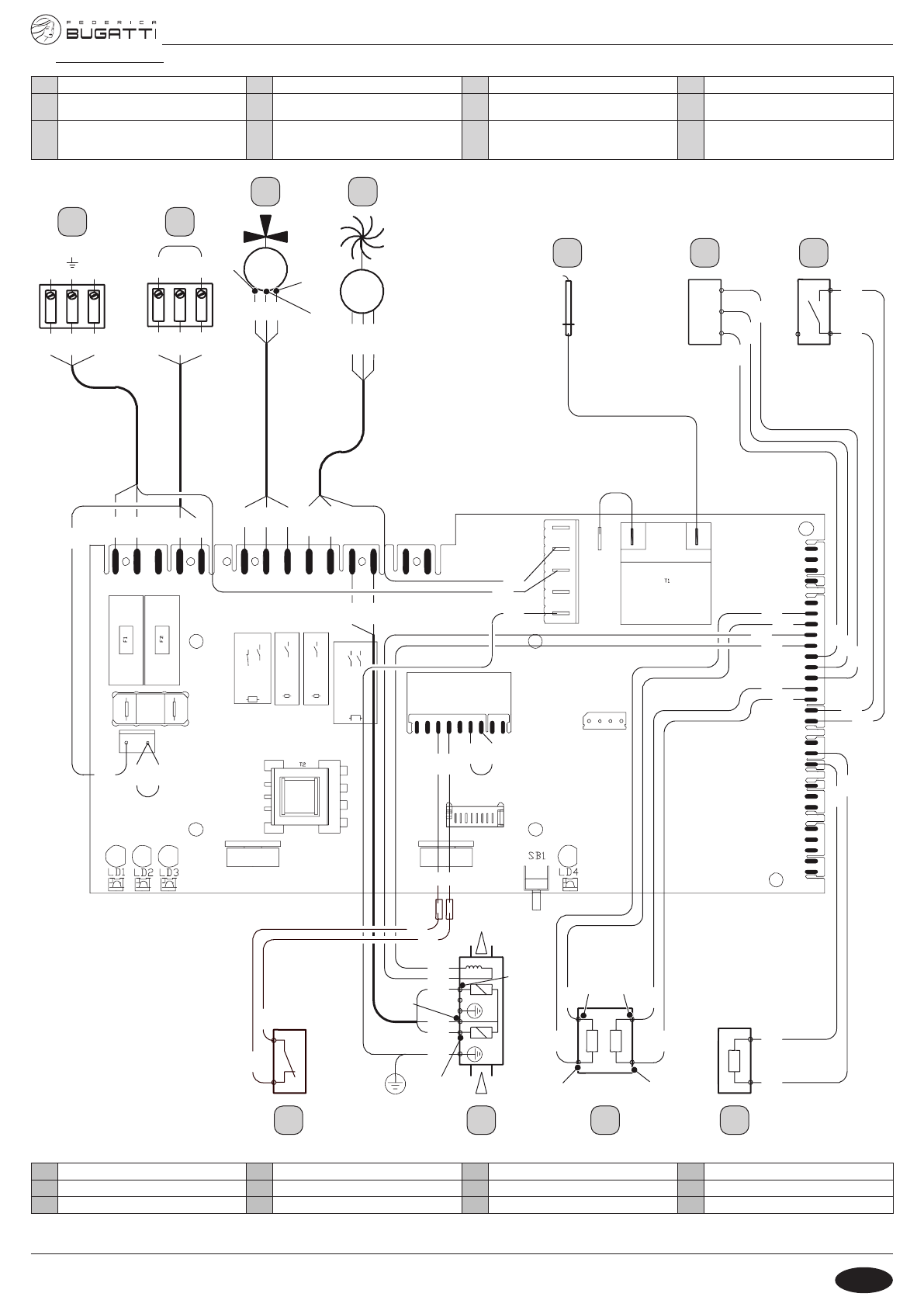
Рис. 9.4
9.6 Электрическая схема
a
оранжевый
g
желтый
n
черный
*
переменный
b
белый
gr
серый
r
красный
c
голубой (синий)
m
коричневый
g/v желтый / зеленый
c
m
c
1
3
4
g/v
X5
X1
X6A
X7
X3
X12
X17
X2
X15
X13
X11
X10
X4
X8
n
m
c
1
2
3
L
N
g/v c
m
m
n
c
m
m
m
c
c
n
c
c
M
~
m
c
t
c
c
r
r
n
n
n
b
n
n
n
c
c
r
r
n
b
c
b
c
t
n
n
1
3
2
4
t
r
r
b
n
r
r
g/v
g/v
g/v
M
~
m c n
1
2
3
1
2
3
4
5V
OUT
GND
5
6
7
9
10
11
8
c
m
c
r
c
r
c
m
c
m
g/v
n* n*g/v*
m
c
n* n*
1
Клеммная колодка электропитания
4
Насос
7
Реле абсолютного давления отопления
10
Газовый клапан
2
Клеммная колодка комнатного
термостата
5
Электроды обнаружения пламени и
розжига
8
NTC системы горячего водоснабжения
11
Дымовой термостат
3
Трехходовой клапан
6
Расходомер воды
9
Датчик NTC контура отопления /
максимальной температуры контура
отопления



