Котел BAXI LUNA3 1.240 i - инструкция пользователя по применению, эксплуатации и установке на русском языке. Мы надеемся, она поможет вам решить возникшие у вас вопросы при эксплуатации техники.
Если остались вопросы, задайте их в комментариях после инструкции.
"Загружаем инструкцию", означает, что нужно подождать пока файл загрузится и можно будет его читать онлайн. Некоторые инструкции очень большие и время их появления зависит от вашей скорости интернета.

75
7109153.02 - ru
РУКОВОДСТВО ДЛЯ ТЕХНИЧЕСКОГО ПЕРСОНАЛА
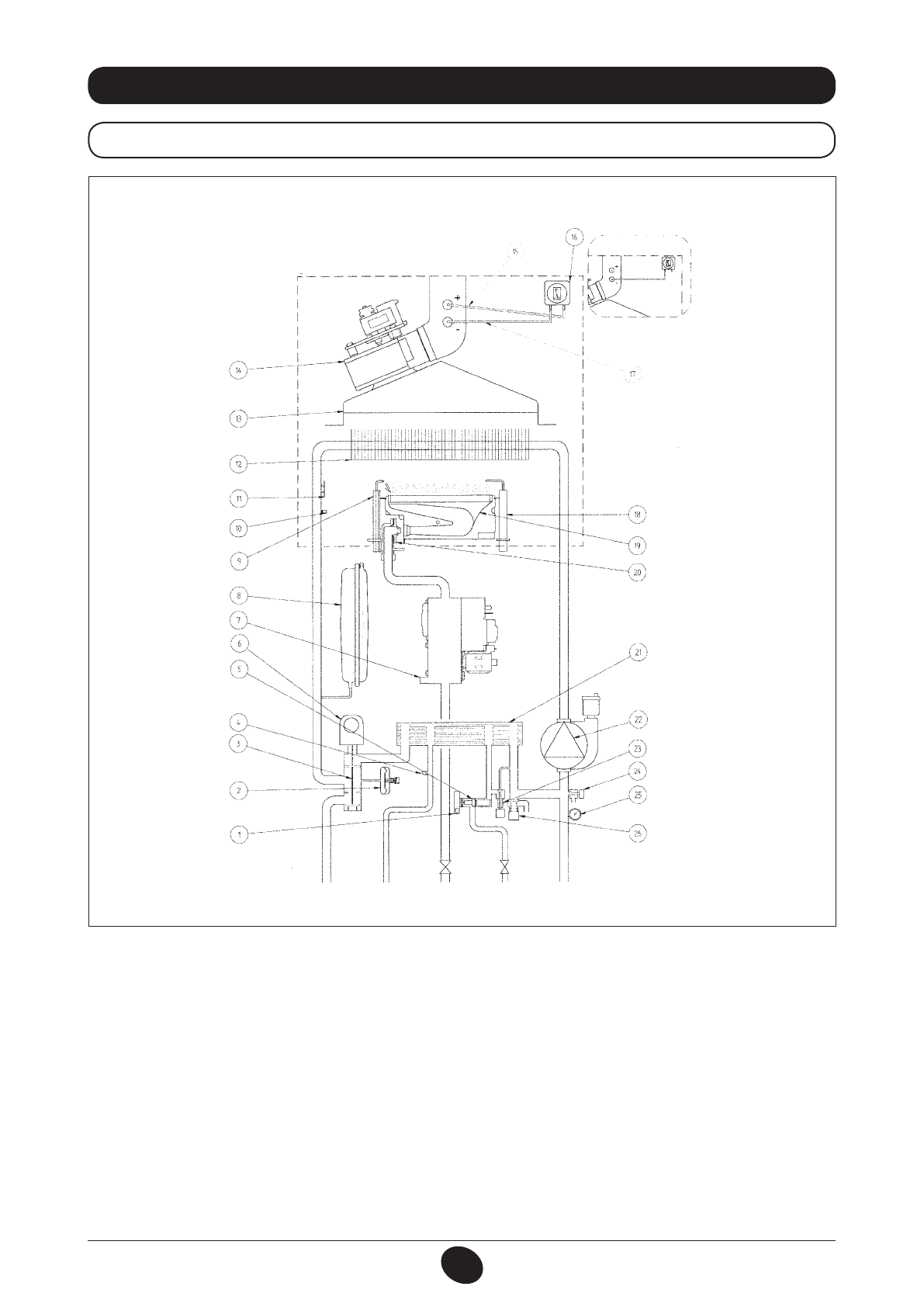
32. ФУНКЦИОНАЛЬНЫЕ СХЕМЫ
Обозначения:
1
датчик приоритета контура ГВС
2
гидравлический прессостат
3
трехходовой клапан
4
датчик температуры (тип NTC) контура ГВС
5
датчик протока с фильтром и ограничителем напора
воды
6
мотор трехходового клапана
7
газовый клапан
8
расширительный бак
9
электрод зажигания
10 датчик температуры (тип NTC) контура отопления
11 термостат перегрева
12 первичный теплообменник
13 дымовой колпак
14 вентилятор
15 точка положительного давления (для модели 310 Fi точка
положительного давления должна быть закрыта)
16 пневмореле – датчик тяги
17 точка отрицательного давления
18 электрод контроля пламени
19 горелка
20 рампа подачи газа с форсунками
21 пластинчатый теплообменник системы ГВС
(автоматический байпас)
22 насос с автоматическим воздухоотводчиком
23 кран заполнения котла
24 кран слива воды из котла
25 манометр
26 предохранительный клапан
240 Fi - 310 Fi
Рис. 20
подача
в систему
отопления
камера сгорания
310 Fi
выход
горячей
воды
газ
подача
холодной
воды
возврат из
системы
отопления
0901_0804 / CG_1737
Содержание
- 2 СОДЕРЖАНИЕ; РУКОВОДСТВО ДЛЯ ПОЛЬЗОВАТЕЛЯ
- 3 ПОДГОТОВКА К УСТАНОВКЕ
- 5 ЗНАЧЕНИЕ СИМВОЛА; • ЛЕТО; (ЛЕТО – ЗИМА – ТОЛЬКО ОТОПЛЕНИЕ – ВЫКЛЮЧЕНО); АВТОМАТИЧЕСКИЙ РЕЖИМ (на дисплее символ )
- 6 УСТАНОВКА ДАТЫ - ВРЕМЕНИ; ПОЧАСОВАЯ ПРОГРАММА РАБОТЫ КОТЛА НА СИСТЕМУ ОТОПЛЕНИЯ
- 7 ЗНАЧЕНИЯ, УСТАНОВЛЕННЫЕ НА ЗАВОДЕ; СИСТЕМЫ ОТОПЛЕНИЯ
- 8 Сводная таблица программируемых групп дней; с понедельника до пятницы; DAY 6 7; суббота и воскресенье; ПОЧАСОВАЯ ПРОГРАММА РАБОТЫ КОТЛА НА СИСТЕМУ ГВС; IP
- 9 СПЕЦИАЛЬНЫЕ ФУНКЦИИ
- 10 Функция
- 11 «MANUALE»; «АМВ»; ВАЖНО; ЗАПОЛНЕНИЕ СИСТЕМЫ
- 12 ВЫКЛЮЧЕНИЕ НА ДЛИТЕЛЬНЫЙ ПЕРИОД. ЗАЩИТА ОТ ЗАМЕРЗАНИЯ; НЕИСПРАВНОСТЬ и БЛОКИРОВКА
- 13 УКАЗАНИЯ ПО УХОДУ
- 14 Система отопления; ПРОВЕРКИ ПЕРЕД УСТАНОВКОЙ КОТЛА
- 15 ГАБАРИТНЫЕ РАЗМЕРЫ КОТЛА
- 16 УСТАНОВКА ДЫМОХОДА И ВОЗДУХОВОДА; 0° изгиб сокращает возможную полную длину трубы на 1 м.; Модель
- 17 ВАРИАНТЫ ГОРИЗОНТАЛЬНОЙ УСТАНОВКИ НАКОНЕЧНИКА ДЫМОХОДА
- 18 • Колено 90° сокращает максимально возможную длину труб на 0,5 м.; ДИАФРАГМУ на; Да
- 20 ПОДКЛЮЧЕНИЕ К ЭЛЕКТРОПИТАНИЮ
- 21 УСТАНОВКА ВЫНОСНОЙ ПАНЕЛИ УПРАВЛЕНИЯ; УСТАНОВКА ПАРАМЕТРОВ; «MODUL»; ПОДСОЕДИНЕНИЕ КОМНАТНОГО ТЕРМОСТАТА
- 22 ФУНКЦИОНИРОВАНИЕ КНОПКИ; УСТАНОВКА ВЫНОСНОЙ ПАНЕЛИ УПРАВЛЕНИЯ НА СТЕНЕ; ПОРЯДОК ПЕРЕВОДА КОТЛА НА ДРУГОЙ ТИП ГАЗА И НАСТРОЙКИ ДАВЛЕНИЯ
- 23 КЛАПАН SIT - SIGMA 845
- 24 ПОРЯДОК ВЫВОДА ИНФОРМАЦИИ И ПРЕДВАРИТЕЛЬНЫЕ УСТАНОВКИ; ПРЕДВАРИТЕЛЬНАЯ ИНФОРМАЦИЯ
- 25 УСТАНАВЛИВАЕМЫЕ ПАРАМЕТРЫ; ДОПОЛНИТЕЛЬНАЯ ИНФОРМАЦИЯ; Лето – Зима – Лето+Сool – только отопление –
- 26 УСТАНОВКА ПАРАМЕТРОВ; Изменение параметров; Примечание; Описание параметров
- 27 УСТРОЙСТВА РЕГУЛИРОВАНИЯ И ПРЕДОХРАНИТЕЛЬНЫЕ УСТРОЙСТВА
- 28 КОНТРОЛЬ ОТХОДЯЩИХ ГАЗОВ
- 29 ПРИСОЕДИНЕНИЕ ДАТЧИКА УЛИЧНОЙ ТЕМПЕРАТУРЫ; K REG; ТМ; КЛЕММНАЯ КОЛОДКА М2
- 30 ПОДСОЕДИНЕНИЕ ДАТЧИКА БОЙЛЕРА; Кривые K REG
- 31 проверьте, чтобы параметр
- 32 ЭЛЕКТРИЧЕСКОЕ ПРИСОЕДИНЕНИЕ ЗОНАЛЬНОГО ОБОРУДОВАНИЯ; «ТА»; - ПРИСОЕДИНЕНИЕ ЗОНАЛЬНОГО ОБОРУДОВАНИЯ
- 33 ОЧИСТКА ОТ ИЗВЕСТКОВОГО НАЛЕТА В СИСТЕМЕ ГВС; через сливной кран; ДЕМОНТАЖ ВТОРИЧНОГО ТЕПЛООБМЕННИКА; ЕЖЕГОДНОЕ ТЕХНИЧЕСКОЕ ОБСЛУЖИВАНИЕ; Предупреждение
- 34 ФУНКЦИОНАЛЬНЫЕ СХЕМЫ
- 38 ХЕМЫ
- 40 Fi
- 42 ТЕХНИЧЕСКИЕ ДАННЫЕ; LUNA3 COMFORT
Характеристики
Остались вопросы?Не нашли свой ответ в руководстве или возникли другие проблемы? Задайте свой вопрос в форме ниже с подробным описанием вашей ситуации, чтобы другие люди и специалисты смогли дать на него ответ. Если вы знаете как решить проблему другого человека, пожалуйста, подскажите ему :)












