Генераторы Robin-Subaru EB 6.5/400-W220R - инструкция пользователя по применению, эксплуатации и установке на русском языке. Мы надеемся, она поможет вам решить возникшие у вас вопросы при эксплуатации техники.
Если остались вопросы, задайте их в комментариях после инструкции.
"Загружаем инструкцию", означает, что нужно подождать пока файл загрузится и можно будет его читать онлайн. Некоторые инструкции очень большие и время их появления зависит от вашей скорости интернета.

9
П
ри
нц
ип
иа
ль
на
я
сх
ем
а г
ен
ер
ат
ор
а
Е
1W
13 3
00
D
C
С
оп
ро
ти
вл
ен
ие о
бм
от
ок Ω п
ри 2
0°
С
Х
ар
ак
те
ри
ст
ик
и в
оз
бу
ди
те
ля
С
та
то
р
ге
не
ра
то
ра
С
та
то
р
cв
ар
оч
но
й
об
м
от
ки
Ро
то
р
В
оз
бу
ди
те
ль
Б
ез н
аг
ру
зк
и
10
0% н
аг
ру
зк
а
С
та
то
р
Ро
то
р
Vd
c
A
dc
Vd
c
A
dc
0
.8
0
.
9
.8
4
.
.
8
9
.3
0.
7
0
.
Содержание
- 3 Назначение электроустановки; промышленной частоты и проведения сварочных работ запрещается.; Технические данные
- 6 Состав комбинированной электроустановки
- 7 все типы электродов, используемые при ручной дуговой сварки.; «WELD»(сварка). Остальные потребители должны быть отключены от гене; Правила и меры безопасности; требования следующих документов:
- 8 При любых работах электроустановка должна быть заземлена.
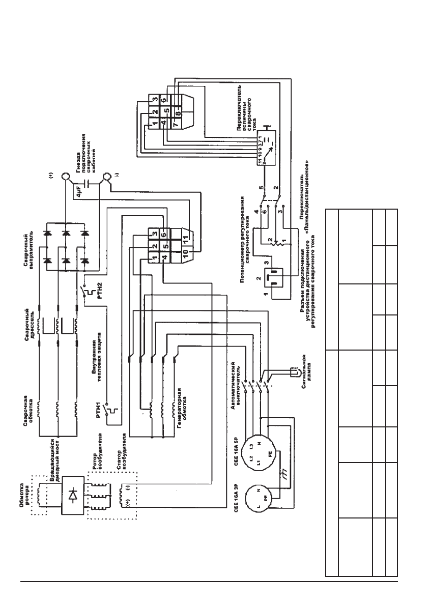
- 9 Конструктивной особенностью генераторов двойного назначе
- 10 При сварке все потребители тока промышленной частоты 50 Гц
- 22 Работа комбинированной электроустановки; Режим «генератор»; превышать мощности генератора.; и проведения сварочных работ запрещается.
- 26 а дизельного – закрыть топливный кран.
как намагнитить бензогенератор ed 6,5/400-w220r