Генераторы Robin-Subaru EB 6.5/400-W220R - инструкция пользователя по применению, эксплуатации и установке на русском языке. Мы надеемся, она поможет вам решить возникшие у вас вопросы при эксплуатации техники.
Если остались вопросы, задайте их в комментариях после инструкции.
"Загружаем инструкцию", означает, что нужно подождать пока файл загрузится и можно будет его читать онлайн. Некоторые инструкции очень большие и время их появления зависит от вашей скорости интернета.
Загружаем инструкцию

6
Сопро
тив
ление об
м
от
ок Ω при 20°С
П
ри
нц
ип
иа
ль
на
я
сх
ем
а г
ен
ер
ат
ор
а
1W
10 2
20
D
C
–K
С
та
то
р
ге
не
ра
то
ра
С
та
то
р
св
ар
оч
но
й
об
м
от
ки
Ро
то
р
Б
ез
на
гр
уз
ки
10
0%
на
гр
уз
ка
V
по
ст
,
A
по
ст
,
V
по
ст
,
A
по
ст
,
1,
32
1,
47
0,0
5
23
,1
4
1,
1
77
3,
4
Содержание
- 3 Назначение электроустановки; промышленной частоты и проведения сварочных работ запрещается.; Технические данные
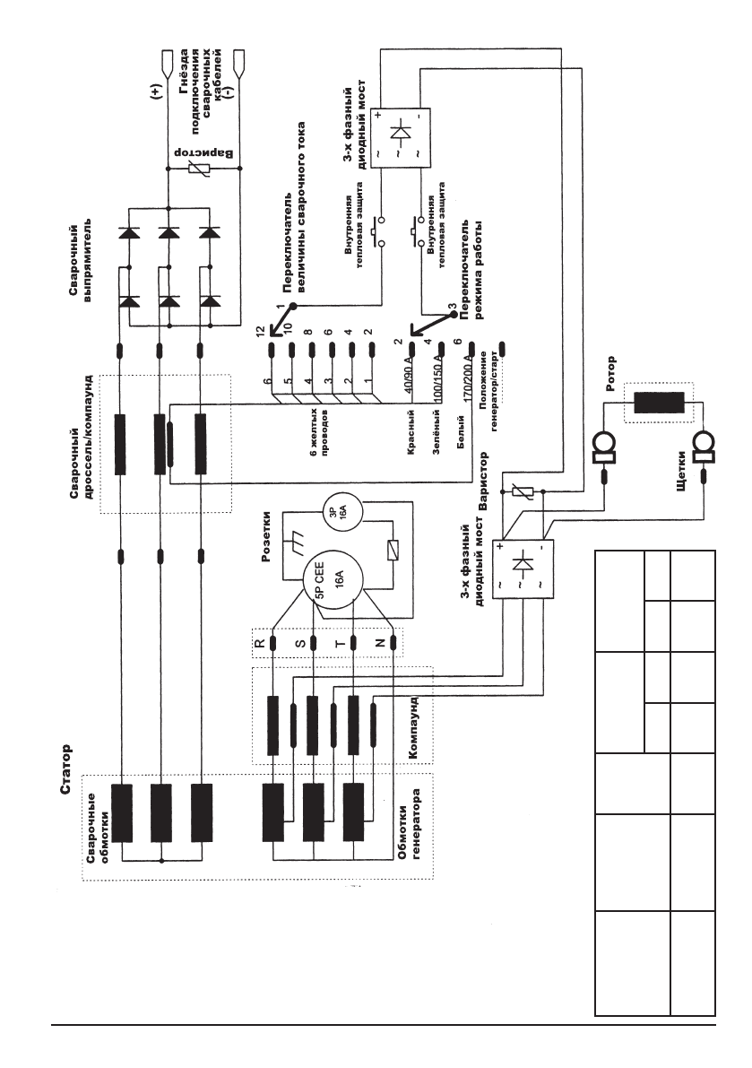
- 6 Состав комбинированной электроустановки
- 7 все типы электродов, используемые при ручной дуговой сварки.; «WELD»(сварка). Остальные потребители должны быть отключены от гене; Правила и меры безопасности; требования следующих документов:
- 8 При любых работах электроустановка должна быть заземлена.
- 9 Конструктивной особенностью генераторов двойного назначе
- 10 При сварке все потребители тока промышленной частоты 50 Гц
- 22 Работа комбинированной электроустановки; Режим «генератор»; превышать мощности генератора.; и проведения сварочных работ запрещается.
- 26 а дизельного – закрыть топливный кран.
как намагнитить бензогенератор ed 6,5/400-w220r