Генераторы Robin-Subaru EB 6.5/400-W220R - инструкция пользователя по применению, эксплуатации и установке на русском языке. Мы надеемся, она поможет вам решить возникшие у вас вопросы при эксплуатации техники.
Если остались вопросы, задайте их в комментариях после инструкции.
"Загружаем инструкцию", означает, что нужно подождать пока файл загрузится и можно будет его читать онлайн. Некоторые инструкции очень большие и время их появления зависит от вашей скорости интернета.

3
7.2.3. Электроустановки EB6,5/400-W220R(E)DC(–K), ED6,5/400-W220R(E)DC(–K)
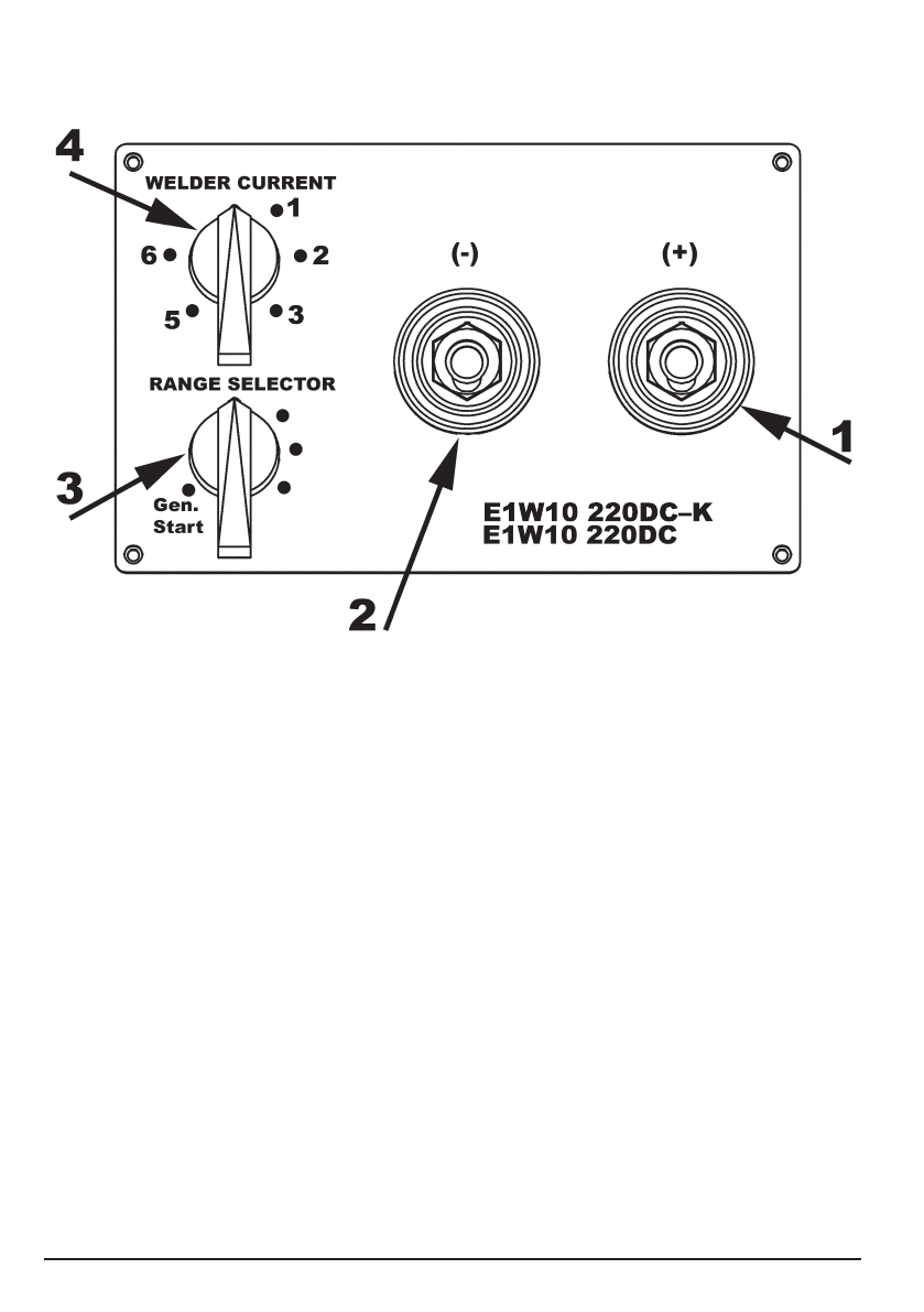
Генератор E1W10 220DC(–K)
1,2 - Гнёзда подключения сварочных кабелей;
3 – Переключатель режима работы «RANGE SELECTOR»;
4 – Переключатель величины сварочного тока «WELDER CURRENT».
Генератор E1W10 220DC трёхфазный, двухполюсный, щёточный. В режиме «гене-
ратор» регулирование напряжения осуществляется электронным регулятором напря-
жения, в режиме «сварка» регулирование напряжения обеспечивается компаунди-
рующим блоком. Регулирование напряжения генератора E1W10 220DC–K в режиме
«генератор» и в режиме «сварка» обеспечивается компаундирующим блоком. Свароч-
ный ток – постоянный
При пуске двигателя «Переключатель режима работы» («RANGE SELECTOR»
поз.3) должен находиться в положении «GEN.START» независимо от последующего
режима работы.
При сохранении переключателя в указанном положении электроустановка после
пуска будет работать в режиме «генератор».
Перевод в режим «сварка» осуществляется на работающей в режиме «генера-
тор» электроустановке:
- перевести переключатель «RANGE STLECTOR» из положения «GEN.START» в
положение, соответствующее требуемому диапазону сварочного тока;
- переключателем величины сварочного тока ( «WELDER CURRENT» поз.4) уста-
новить требуемую величину сварочного тока;
- подключить сварочные провода к гнёздам (поз.1,2).
ВНИМАНИЕ.
При сварке все потребители тока промышленной частоты 50 Гц
должны быть отключены. При работе в режиме «генератор» сварочные провода
должны быть отсоединены от генератора.
Содержание
- 3 Назначение электроустановки; промышленной частоты и проведения сварочных работ запрещается.; Технические данные
- 6 Состав комбинированной электроустановки
- 7 все типы электродов, используемые при ручной дуговой сварки.; «WELD»(сварка). Остальные потребители должны быть отключены от гене; Правила и меры безопасности; требования следующих документов:
- 8 При любых работах электроустановка должна быть заземлена.
- 9 Конструктивной особенностью генераторов двойного назначе
- 10 При сварке все потребители тока промышленной частоты 50 Гц
- 22 Работа комбинированной электроустановки; Режим «генератор»; превышать мощности генератора.; и проведения сварочных работ запрещается.
- 26 а дизельного – закрыть топливный кран.
как намагнитить бензогенератор ed 6,5/400-w220r