Домашние кинотеатры JVC TH-R1E - инструкция пользователя по применению, эксплуатации и установке на русском языке. Мы надеемся, она поможет вам решить возникшие у вас вопросы при эксплуатации техники.
Если остались вопросы, задайте их в комментариях после инструкции.
"Загружаем инструкцию", означает, что нужно подождать пока файл загрузится и можно будет его читать онлайн. Некоторые инструкции очень большие и время их появления зависит от вашей скорости интернета.

72
ПОДКЛЮЧЕНИЯ СИСТЕМЫ
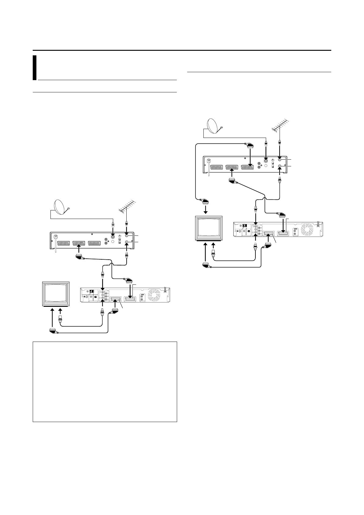
Простые подключения
Это пример простого соединения, если Ваш телевизор
оснащен одним 21-контактным входным AV разъемом
(SCART).
Подсоедините разъем спутникового приемника [L-2 INPUT/
DECODER], затем подсоедините разъем [L-1 INPUT/OUTPUT]
к разъему ТВ.
ПРИМЕЧАНИЯ:
●
Установите
A
L-2 SELECT
B
в положение
A
VIDEO/RGB
B
или
A
S-VIDEO/RGB
B
. (
A
стр. 71)
●
С этим соединением вы можете использовать функцию
автоматической записи программы спутникового вещания.
(
A
стр. 55)
●
Для записи программы через спутниковый тюнер выберите
режим L-2, нажав кнопку
PR +/–
так, чтобы на дисплее
передней панели появилась индикация
A
L-2
B
.
●
За подробной информацией обращайтесь к инструкции по
эксплуатации спутникового тюнера.
Полные подключения
(рекомендуются)
Это пример рекомендуемого соединения, если Ваш
телевизор имеет два 21-контактных входных аудио/видео
разъема (SCART).
Соедините разъем [L-1 INPUT/OUTPUT] с разъемом
телевизора, и разъем [L-2 INPUT/DECODER] с разъемом
спутникового тюнера. Затем соедините спутниковый тюнер и
телевизор.
Подключение к
спутниковому приемнику
ВАЖНАЯ ИНФОРМАЦИЯ
При установке
A
L-2 SELECT
B
в
A
SAT VIDEO/RGB
B
или
A
SAT
S-VIDEO/RGB
B
(
A
стр. 71), можно смотреть программы
спутникового вещания с телевизором, установленным в
режим внешнего входа, например EXT1, даже при
выключенном аппарате. Когда аппарат находится в режиме
остановки или записи, нажмите на ПДУ кнопку
TV/VIDEO
,
чтобы выключить индикатор Video (Видео) на аппарате.
●
Если вы включите аппарат при выключенном питании
спутникового тюнера, на экране телевизора ничего не
появится. В этом случае включите спутниковый тюнер,
или установите телевизор в режим ТВ, или нажмите на
ПДУ кнопку
TV/VIDEO
, чтобы установить аппарат в режим
аудио/видео.
Наружный модуль
Телевизионный
антенный кабель
Спутниковый тюнер
Антенна
Кабель спутниковой
антенны
ANTENNA OUT
ANTENNA IN
TВ
Задняя панель
аппарата
[L-1 INPUT/
OUTPUT]
[L-2 INPUT/
DECODER]
Наружный модуль
Телевизионный
антенный кабель
Спутниковый тюнер
Антенна
Кабель
спутниковой
антенны
TВ
ANTENNA OUT
ANTENNA IN
Задняя панель
аппарата
[L-1 INPUT/
OUTPUT]
[L-2 INPUT/
DECODER]
Содержание
- 2 ТЕХНИКА БЕЗОПАСНОСТИ; ВНИМАНИЕ: ВНУТРИ АППАРАТА ОПАСНОЕ НАПРЯЖЕНИЕ; Меры безопасности
- 4 СОДЕРЖАНИЕ; ПОРЯДОК ПОЛЬЗОВАНИЯ НАСТОЯЩИМ РУКОВОДСТВОМ
- 5 ИНФОРМАЦИЯ О ДИСКАХ; Перед финализацией; О дисках
- 6 Диски только для воспроизведения
- 7 Носитель и формат записи; Файловая структура дисков
- 8 Маркеры DVD VIDEO
- 9 Уход за дисками и обращение с ними; Как обращаться с дисками
- 10 УКАЗАТЕЛЬ; ВИД СПЕРЕДИ; ENTER; Вид сзади; C D E F G
- 11 Передняя дисплейная панель; TIMER; J K
- 12 CANCEL; CLEAR; Управление системой с ПДУ
- 13 Экранная индикация; ON SCREEN; SP
- 14 УСТАНОВКА ВАШЕГО НОВОГО АППАРАТА
- 15 Подключение AM антенны
- 16 Перед установкой; Данная страница для TH-R3
- 17 При установке передних и объемных громкоговорителей
- 18 Меры предосторожности для ежедневного использования
- 19 Поключение шнура питания
- 20 НАЧАЛЬНЫЕ УСТАНОВКИ; Автоматическая установка
- 21 клавиши выбора
- 23 Язык
- 24 MONITOR TYPE; Установка монитора
- 25 После 3 поледовательных неудачных определений,; RS
- 26 SETTING
- 27 Установка частоты перехода; Установка ночного режима
- 28 ОСНОВНЫЕ ОПЕРАЦИИ НА DVD ПРОИГРЫВАТЕЛЕ; Для приостановки воспроизведения
- 29 Нажмите кнопку; Настройка громкости; Режим наушников 3D
- 30 SURROUND
- 31 Поиск с регулируемой скоростью; Функции воспроизведения
- 32 Замедленное воспроизведение
- 33 Проверка информации о времени
- 34 Выбор аудиоканала
- 35 Воспроизведение активной памяти; LIVE CHECK
- 38 Доступ к экранной строке; Повторное воспроизведение; Использование экранной строки
- 39 Нахождение начала нужной части
- 40 Поиск по времени; Настройка качества изображения; NORMAL; Установка построчного режима
- 41 FILM; Программное воспроизведение; Произвольное воспроизведение
- 42 кнопки с цифрами; Режим записи; Нормальная запись
- 43 Функции записи
- 44 Функция свободной скорости
- 45 Dolby Surround; Объемный режим; Линейный PCM
- 46 Режим DAP; Список режимов DAP; LIVE CLUB
- 47 Ручная настройка станций; SOURCE; Занесение и сохранение частот памяти; Предварительная настройка; FM MODE; Прием радиопередач
- 48 RDS DISPLAY
- 51 Во время экстренной трансляции (сигнал ALARM); Сигнал TEST используется для тестирования
- 52 ЗАПИСЬ ПО ТАЙМЕРУ; Установка номера гида программы; Список номеров гидов программ
- 54 Ручное программирование таймера
- 56 Перезапись информации на диск; каждую пятницу в режиме SP
- 58 REC MODE
- 59 НАВИГАЦИЯ; CD E
- 60 Воспроизведение заголовка
- 62 Модификация указателя
- 63 Создайте список воспроизведения
- 65 Удаление сцен
- 66 Добавление сцен
- 67 Регистрация диска
- 69 РЕДАКТИРОВАНИЕ; Переключатель контроля звука; Перезапись DV
- 71 Монтаж с видеокамеры; Если в видеокамере нет выходного разъема S-VIDEO:
- 72 Использование Вашего аппарата в качестве
- 73 SCART; SCART VIDEO; SCART RGB; VIDEO; Установка выхода/входа
- 75 ПОДКЛЮЧЕНИЯ СИСТЕМЫ; Простые подключения; Это пример простого соединения, если Ваш телевизор
- 76 кнопку с цифрой; Функции ПДУ
- 77 Таблица кодов марок ТВ
- 78 ДОПОЛНИТЕЛЬНЫЕ УСТАНОВКИ; AUDIO OUTPUT; Установка режимa
- 79 RECORDING SET
- 80 OTHERS
- 81 PROGRESSIVE SCAN; Блокировка лотка
- 82 Автоматическая установка каналов; Настройка ТВ тюнера
- 83 Ручная установка каналов; Удаление канала
- 85 Установка часов
- 86 Отформатируйте диск DVD-RAM; Форматирование диска
- 87 Завершение диска
- 89 ПОИСК И УСТРАНЕНИЕ НЕИСПРАВНОСТЕЙ; Инициализация
- 90 Запись
- 91 Прочие проблемы
- 92 ЭКРАННОЕ СООБЩЕНИЕ; Экранное сообщение
- 93 ПРИЛОЖЕНИЕ; Кодовая таблица языков
- 94 Список ТВ станций и идентификаций
- 95 ТЕХНИЧЕСКИЕ ХАРАКТЕРИСТИКИ; ОБЩЕЕ
- 96 Раздел усилителя; Громкоговорители спутникового приемника
- 97 СПИСОК ТЕРМИНОВ