Варочная панель De Dietrich DTG 1008 X - инструкция пользователя по применению, эксплуатации и установке на русском языке. Мы надеемся, она поможет вам решить возникшие у вас вопросы при эксплуатации техники.
Если остались вопросы, задайте их в комментариях после инструкции.
"Загружаем инструкцию", означает, что нужно подождать пока файл загрузится и можно будет его читать онлайн. Некоторые инструкции очень большие и время их появления зависит от вашей скорости интернета.

6
A
B
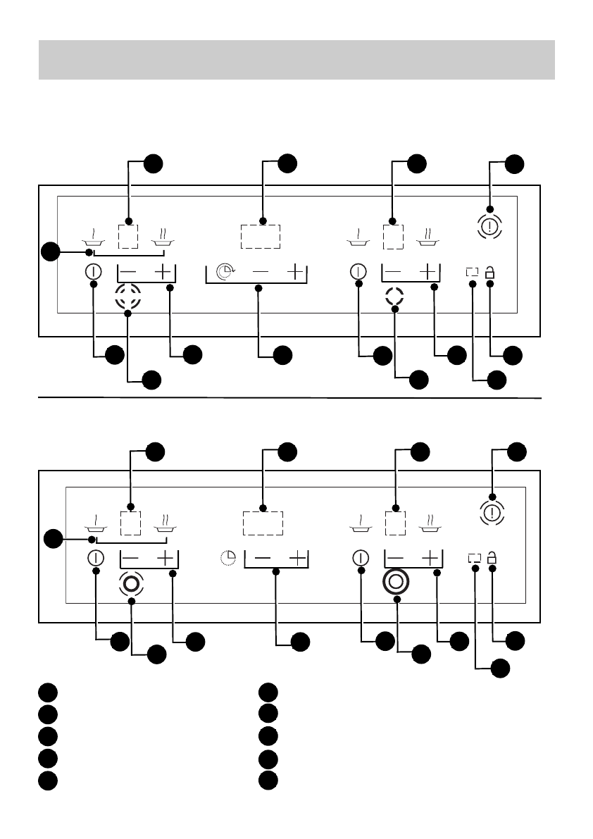
Touche marche/arrêt du foyer
Repère foyer
Réglage minuterie
Voyant de verrouillage
Touche verrouillage/déverrouillage
du clavier
Touche arrêt général
Affichage du temps de la minuterie
Affichage de la puissance du foyer
Réglage de la puissance du foyer
Touches d’accès direct
C
D
E
F
G
H
I
J
Modèle 2 feux DTG1038*/*
Modèle 1 feu DTG1008 */*
A
B
C
B
D
A
E
I
I
F
A
B
C
B
D
A
E
I
I
G
H
H
H
H
G
F
J
J
D
escription de votre clavier de commandes
D
escription de votre appareil
Характеристики
Остались вопросы?Не нашли свой ответ в руководстве или возникли другие проблемы? Задайте свой вопрос в форме ниже с подробным описанием вашей ситуации, чтобы другие люди и специалисты смогли дать на него ответ. Если вы знаете как решить проблему другого человека, пожалуйста, подскажите ему :)