Варочная панель De Dietrich DTG 1008 X - инструкция пользователя по применению, эксплуатации и установке на русском языке. Мы надеемся, она поможет вам решить возникшие у вас вопросы при эксплуатации техники.
Если остались вопросы, задайте их в комментариях после инструкции.
"Загружаем инструкцию", означает, что нужно подождать пока файл загрузится и можно будет его читать онлайн. Некоторые инструкции очень большие и время их появления зависит от вашей скорости интернета.

38
A
B
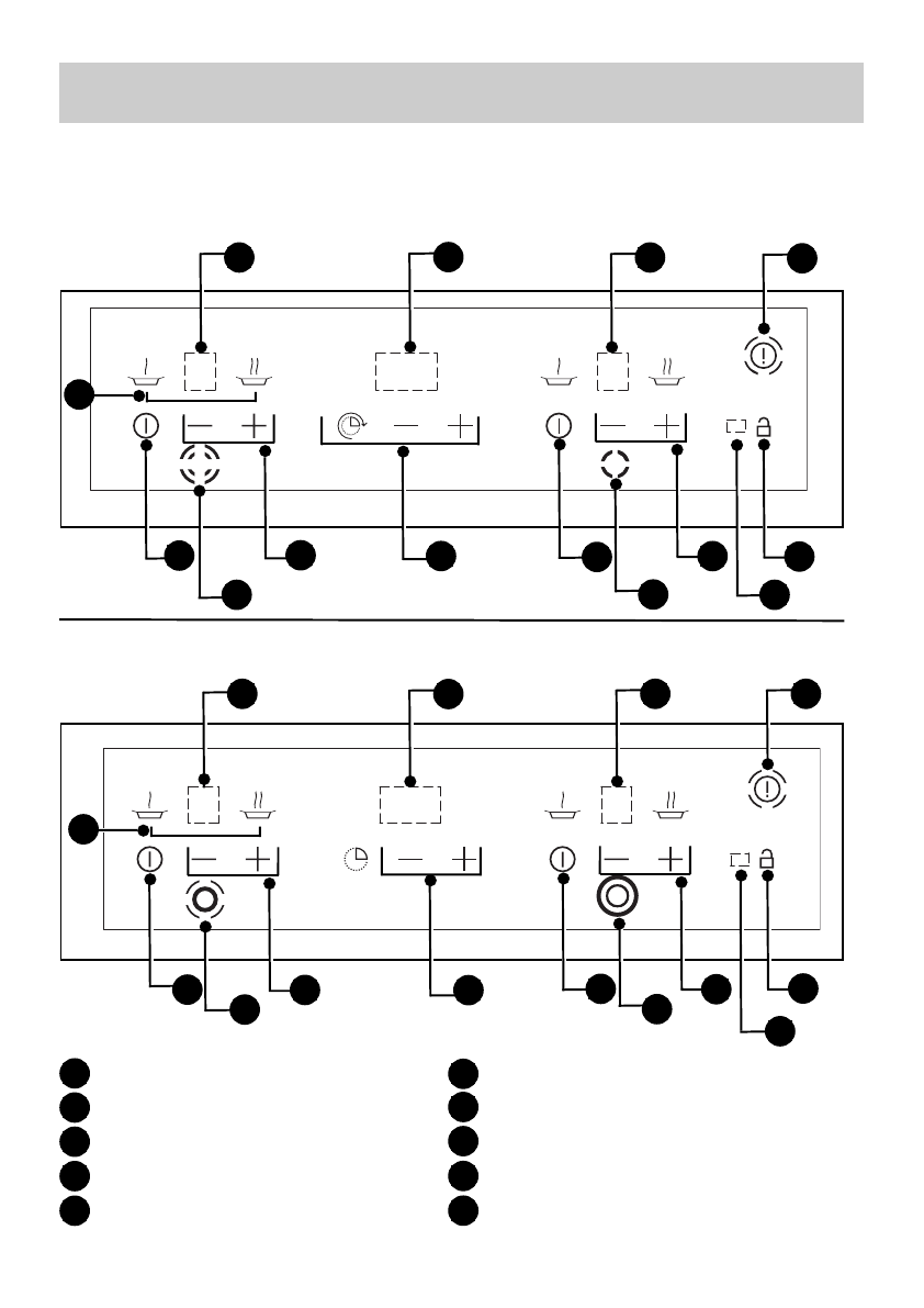
Burner on/off touch control
Burner reference
Timer adjustment
Lock display
Control panel lock/unlock touch
control.
Overall off button
Timer clock display
Burner temperature display
Burner power adjuster
Direct access touch control
C
D
E
F
G
H
I
J
Model: 2 burner DTG1038*/*
Model: 1 burner DTG1008*/*
D
escription of your control panel
D
escription of your appliance
A
B
C
B
D
A
E
I
I
F
A
B
C
B
D
A
E
I
I
G
H
H
H
H
G
F
J
J
Характеристики
Остались вопросы?Не нашли свой ответ в руководстве или возникли другие проблемы? Задайте свой вопрос в форме ниже с подробным описанием вашей ситуации, чтобы другие люди и специалисты смогли дать на него ответ. Если вы знаете как решить проблему другого человека, пожалуйста, подскажите ему :)