Магнитолы Alpine iXA-W407BT - инструкция пользователя по применению, эксплуатации и установке на русском языке. Мы надеемся, она поможет вам решить возникшие у вас вопросы при эксплуатации техники.
Если остались вопросы, задайте их в комментариях после инструкции.
"Загружаем инструкцию", означает, что нужно подождать пока файл загрузится и можно будет его читать онлайн. Некоторые инструкции очень большие и время их появления зависит от вашей скорости интернета.

70
-RU
При подключении внешнего оборудования
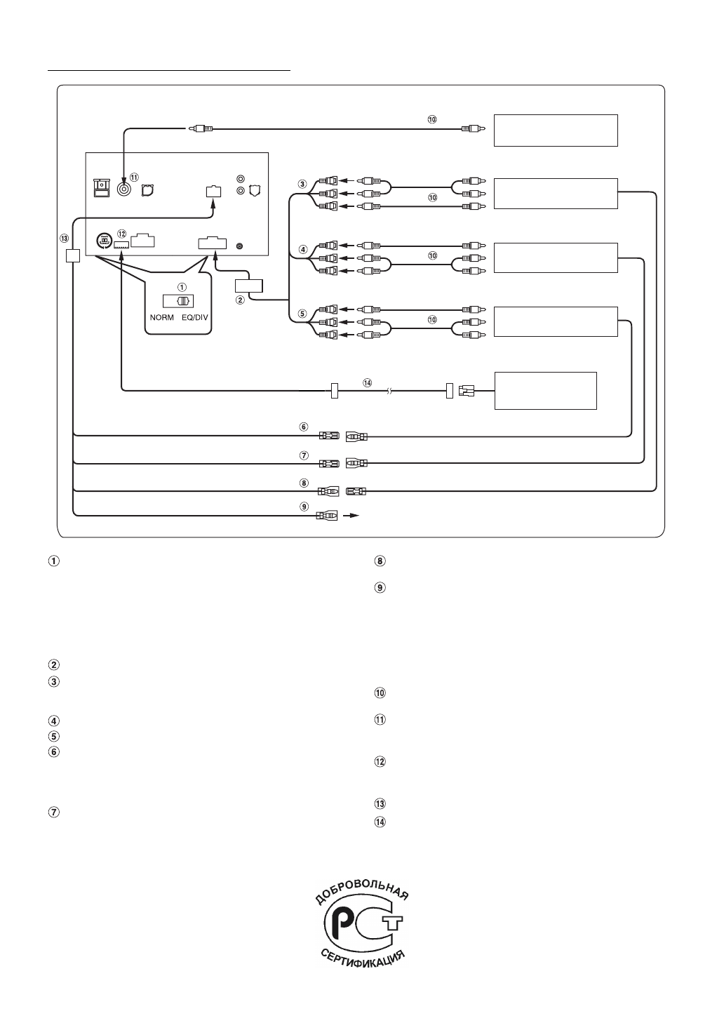
Переключатели системы
При подключении эквалайзера или делителя через Ai-
NET переместите два переключателя в положение EQ/
DIV. Если процессор не подключен, оставьте
переключатели в положении NORM.
•
Не устанавливайте эти два переключателя в разные положения.
•
Перед изменением положения переключателя не забудьте
выключить питание устройства.
24-контактный разъем Pre-out/AUX I/O
Разъемы видео/аудиовыходов (AUX OUTPUT)
Используется при подключении дополнительного
монитора и т.д.
Разъемы видео/аудиовходов (AUX INPUT)
Разъемы видео/аудиовходов (AUX INPUT)
Выход дистанционного управления (белый/
коричневый)
Подключите этот выход к входу дистанционного
управления. Этот разъем используется для вывода
управляющих сигналов дистанционного управления.
Выход дистанционного управления (белый/коричневый)
Подключите этот выход к входу дистанционного
управления. Этот разъем используется для вывода
управляющих сигналов дистанционного управления.
Вход дистанционного управления (белый/
коричневый)
Разъем заднего хода (оранжевый/белый)
Используется при подключении камеры заднего хода.
Подключите к положительному контакту лампы заднего
хода. Эта лампа загорается при переводе рычага
переключения передач в положение заднего хода (R).
Если соединение выполнено правильно, то каждый раз,
когда рычаг переключения передач устанавливается в
положение заднего хода (R), автоматически включается
изображение с камеры заднего хода.
Кабельный удлинитель RCA (продается
отдельно)
Разъем RCA входа CAMERA
Используется при подключении камеры заднего хода с
выходным разъемом RCA.
Входной прямой разъем CAMERA
Используется при подключении дополнительной
камеры заднего вида HCE-C107D.
Разъем IN/OUT дистанционного управления
Удлинительный кабель для камеры
(поставляется с HCE-C107D)
К разъему аудиовхода
К разъему видеовыхода
К разъему аудиовыхода
Камера заднего вида
(продается отдельно)
ТВ-тюнер или видеомагнитофон
(продается отдельно)
(Белый/коричневый)
REMOTE OUT2
REMOTE IN
(Белый/коричневый)
(Белый/коричневый)
REMOTE IN
REMOTE OUT
(Белый/коричневый)
REVERSE
Используется при подключении камеры заднего
хода.
Задний монитор
(продается отдельно)
К разъему аудиовыхода
К разъему видеовыхода
ТВ-тюнер или видеомагнитофон
(продается отдельно)
Камера заднего вида (продается
отдельно) HCE-C107D
(Оранжевый/белый)
REMOTE IN
(Белый/коричневый)
(Белый/коричневый)
REMOTE OUT1
К разъему видеовыхода
К разъему видеовхода
Содержание
- 3 РУССКИЙ; Содержание; Настройка источников
- 4 Внешний аудиопроцессор
- 5 Установка и соединения
- 6 Руководство по использованию; МЕРЫ; ПРЕДУПРЕЖДЕНИЕ
- 7 Обращение с USB-накопителями
- 8 Обращение с переносным аудиоплеером
- 9 Список компонентов; Приступая к работе
- 10 Настройка уровня громкости; Как просматривать; Работа с сенсорными кнопками; Выбор источника
- 11 Прослушивание радио; Радио
- 12 Работа RDS
- 13 Прием информации о трафике
- 14 Настройка звука
- 15 Экран мирового времени
- 16 Календарь
- 17 Функция вывода изображения; Переключение режимов экрана; Контроллер IMPRINT
- 18 Настройка; Radio Setup
- 19 USB Setup; Настройка дисплея; Настройка яркости подсветки
- 20 Переключение фоновых изображений; Калибровка сенсорной панели
- 21 Общие настройки; Отображение времени; Настройка часового пояса
- 22 Настройка языка; Системные настройки
- 23 Настройка входа камеры заднего вида; Настройка прерывания навигации
- 24 Настройка режима AUX; Настройка вывода изображения
- 25 Операции по изменению настроек
- 26 Функция насыщенного черного
- 27 Загрузка данных фона; Настройка оттенка изображения; Загрузка данных
- 29 Настройка A.Processor; Настройка регулировки низких частот
- 30 Настройка параметра X-Over
- 31 Переключение фазы
- 32 Настройка акустических систем
- 33 Настройка типа акустических систем
- 34 Сохранение настроек в памяти; Настройка режима MultEQ; Настройка параметра DVD Level
- 38 Вызов предварительной; Настройка сабвуфера; Настройка системы сабвуфера
- 39 Временная коррекция; Пример 2. Точка прослушивания: все сидения
- 40 Разделительный фильтр
- 41 О технологии IMPRINT; ЗАМЫСЕЛ И ДЕЙСТВИТЕЛЬНОСТЬ
- 42 BLUETOOTH Setup; Работа; О BLUETOOTH
- 44 Функция телефона “Hands-free”; Прием вызова; Окончание вызова; Функция повторного набора; О функции телефона “Hands-free”
- 45 Журнал вызовов
- 46 Голосовой набор номера
- 47 Функция BLUETOOTH Audio; Использование BLUETOOTH Audio
- 48 Работа с дополнительным устройством; Дополнительное
- 49 Работа с устройством
- 50 Воспроизведение; приобретается дополнительно)
- 51 Поиск по именам файлов/папок; Переносной аудиоплеер
- 52 Многократное воспроизведение; Воспроизведение в случайном; Поиск нужной композиции
- 53 Выбор папки; Поиск по имени исполнителя
- 54 Терминология
- 56 Функция пропуска страницы/
- 59 Замена батарей
- 61 При возникновении трудностей
- 63 Технические характеристики
- 64 Предупреждение
- 65 Установка
- 67 Соединения
- 70 Пример системы