Магнитолы Alpine iXA-W407BT - инструкция пользователя по применению, эксплуатации и установке на русском языке. Мы надеемся, она поможет вам решить возникшие у вас вопросы при эксплуатации техники.
Если остались вопросы, задайте их в комментариях после инструкции.
"Загружаем инструкцию", означает, что нужно подождать пока файл загрузится и можно будет его читать онлайн. Некоторые инструкции очень большие и время их появления зависит от вашей скорости интернета.

68
-RU
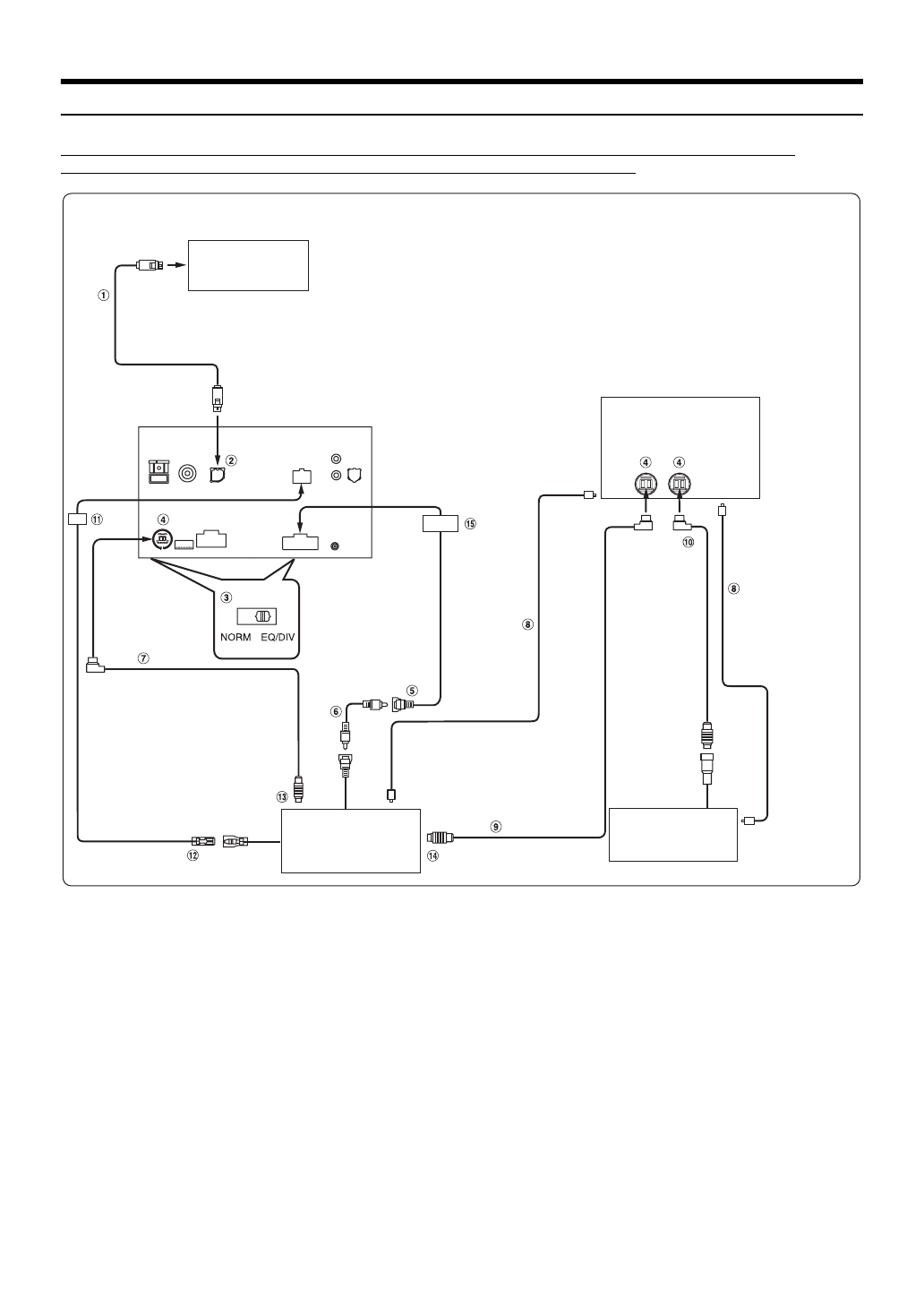
Пример системы
Подключите совместимый с шиной Ai-NET аудиопроцессор (поддерживающий цифровое оптическое
подключение), систему навигации, проигрыватель DVD-дисков и CD-чейнджер.
При использовании оптического кабеля (оптического цифрового кабеля) соблюдайте следующие меры предосторожности.
•
Не скручивайте оптический кабель витками с радиусом менее 30 мм.
•
Не устанавливайте предметы на оптический кабель.
•
Не сгибайте оптический кабель под острым углом.
Система навигации
(продается
отдельно)
NVE-N099P/PMD-B200P
Аудиопроцессор (Ai-NET)
(поддерживающий цифровое
оптическое подключение)
(продается отдельно)
Входной цифровой
оптический разъем
(для проигрывателя
DVD-дисков)
Кабель
Ai-NET
Входной цифровой
оптический разъем
(для чейнджера)
*
Оптический
кабель
Кабель
Ai-NET
CD-чейнджер
(Ai-NET)
(продается отдельно)
*
Подключайте только совместимый с цифровым оптическим входом чейнджер
Видеопроигрыватель
DVD-дисков (Ai-NET)
(DVA-5210 и т.д.)
(продается отдельно)
Оптический
кабель
REMOTE IN
REMOTE OUT
(Белый/коричневый)
(Белый/
коричневый)
(Желтый)
Кабель Ai-NET
Содержание
- 3 РУССКИЙ; Содержание; Настройка источников
- 4 Внешний аудиопроцессор
- 5 Установка и соединения
- 6 Руководство по использованию; МЕРЫ; ПРЕДУПРЕЖДЕНИЕ
- 7 Обращение с USB-накопителями
- 8 Обращение с переносным аудиоплеером
- 9 Список компонентов; Приступая к работе
- 10 Настройка уровня громкости; Как просматривать; Работа с сенсорными кнопками; Выбор источника
- 11 Прослушивание радио; Радио
- 12 Работа RDS
- 13 Прием информации о трафике
- 14 Настройка звука
- 15 Экран мирового времени
- 16 Календарь
- 17 Функция вывода изображения; Переключение режимов экрана; Контроллер IMPRINT
- 18 Настройка; Radio Setup
- 19 USB Setup; Настройка дисплея; Настройка яркости подсветки
- 20 Переключение фоновых изображений; Калибровка сенсорной панели
- 21 Общие настройки; Отображение времени; Настройка часового пояса
- 22 Настройка языка; Системные настройки
- 23 Настройка входа камеры заднего вида; Настройка прерывания навигации
- 24 Настройка режима AUX; Настройка вывода изображения
- 25 Операции по изменению настроек
- 26 Функция насыщенного черного
- 27 Загрузка данных фона; Настройка оттенка изображения; Загрузка данных
- 29 Настройка A.Processor; Настройка регулировки низких частот
- 30 Настройка параметра X-Over
- 31 Переключение фазы
- 32 Настройка акустических систем
- 33 Настройка типа акустических систем
- 34 Сохранение настроек в памяти; Настройка режима MultEQ; Настройка параметра DVD Level
- 38 Вызов предварительной; Настройка сабвуфера; Настройка системы сабвуфера
- 39 Временная коррекция; Пример 2. Точка прослушивания: все сидения
- 40 Разделительный фильтр
- 41 О технологии IMPRINT; ЗАМЫСЕЛ И ДЕЙСТВИТЕЛЬНОСТЬ
- 42 BLUETOOTH Setup; Работа; О BLUETOOTH
- 44 Функция телефона “Hands-free”; Прием вызова; Окончание вызова; Функция повторного набора; О функции телефона “Hands-free”
- 45 Журнал вызовов
- 46 Голосовой набор номера
- 47 Функция BLUETOOTH Audio; Использование BLUETOOTH Audio
- 48 Работа с дополнительным устройством; Дополнительное
- 49 Работа с устройством
- 50 Воспроизведение; приобретается дополнительно)
- 51 Поиск по именам файлов/папок; Переносной аудиоплеер
- 52 Многократное воспроизведение; Воспроизведение в случайном; Поиск нужной композиции
- 53 Выбор папки; Поиск по имени исполнителя
- 54 Терминология
- 56 Функция пропуска страницы/
- 59 Замена батарей
- 61 При возникновении трудностей
- 63 Технические характеристики
- 64 Предупреждение
- 65 Установка
- 67 Соединения
- 70 Пример системы