Магнитолы Alpine IVE-W530BT - инструкция пользователя по применению, эксплуатации и установке на русском языке. Мы надеемся, она поможет вам решить возникшие у вас вопросы при эксплуатации техники.
Если остались вопросы, задайте их в комментариях после инструкции.
"Загружаем инструкцию", означает, что нужно подождать пока файл загрузится и можно будет его читать онлайн. Некоторые инструкции очень большие и время их появления зависит от вашей скорости интернета.

67
-RU
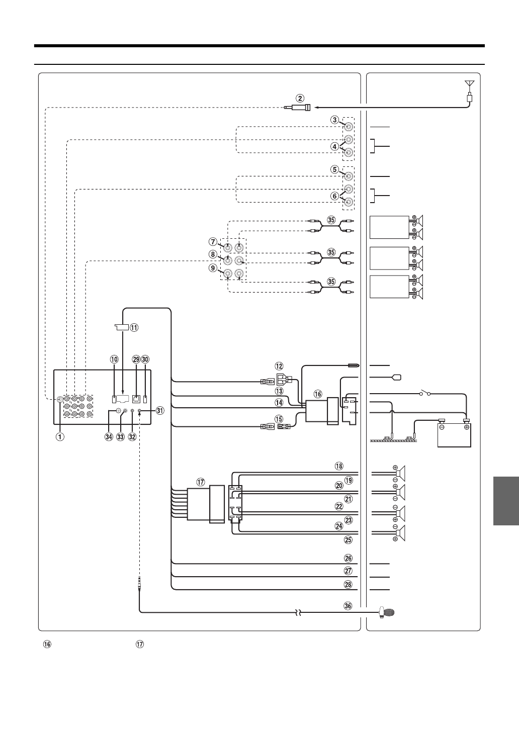
Соединения
*
ISO-разъем питания и
ISO-разъем (выход динамика) совмещены.
(Красный)
Сабвуфер
Сабвуфер
Сабвуфер
Фронт. правый
Фронт. левый
Тыловой правый
Тыловой левый
Усилитель
К разъему выхода
аудиосигнала (П, Л)
К разъему входа
аудиосигнала (П, Л)
К разъему
видеовыхода
К разъему
видеовхода
(Белый)
(Желтый)
(Красный)
(Белый)
(Желтый)
Антенна
Антенный ISO-разъем
К питанию антенны
К усилителю или эквалайзеру
Батарея
Замок зажигания
Фронт. левый
Тыловой левый
Тыловой правый
Фронт. правый
Динамики
(синий/белый)
(Желтый)
(Черный)
(Красный)
(Зеленый)
(Зеленый/черный)
(Белый/черный)
(Серый)
(Фиолетовый/черный)
(Фиолетовый)
ACC
GND
BATTERY 15A
(Серый/черный)
(Белый)
PARKING BRAKE (желтый/синий)
К сигнальному проводу
стояночного тормоза
К плюсовой клемме
сигнального провода лампочки
заднего хода автомобиля
К входному проводу ДУ
REVERSE (оранжевый)
Микрофон
REMOTE OUT (белый/коричневый)
*
*
(синий/белый)
Содержание
- 6 Инструкция по эксплуатации; НЕ РАЗБИРАТЬ И НЕ ИЗМЕНЯТЬ.
- 8 Диски, воспроизводимые; Воспроизводимые диски
- 9 DualDisc; ALL
- 10 Терминология дисков; Обращение с USB-накопителями; ВНИМАНИЕ
- 12 Комплектация; Приступая к работе
- 13 Настройка уровня громкости; Работа с сенсорной панелью
- 15 Прослушивание радио; Радио
- 16 Работа RDS
- 18 Воспроизведение; Повторное воспроизведение
- 21 Воспроизведение диска; DVD; Отображение экрана режима DVD
- 22 В случае отображения экрана меню
- 23 Отображение экрана главного меню
- 24 Замедленное воспроизведение
- 26 Переключение угла просмотра; Переключение из меню диска
- 27 Информация о дисках DivX; Настройка звука
- 29 Функция поиска; Функция одновременного
- 30 Отмена функции “Simultaneous”
- 31 Настройка; проигрывателя; Изменение настроек языка
- 32 Настройка языка субтитров; Изменение настроек экрана ТВ
- 33 Настройка источника; Настройка радио
- 34 Настройка дисплея; Настройка подсветки дисплея
- 35 Выполнение настройки Visual EQ; Выбор цвета подсветки шрифта; Visual EQTM
- 37 Общие настройки; Отображение времени; Настройка летнего времени
- 38 Настройка уровня звукового сигнала; Переключение на русский шрифт
- 39 Системные настройки
- 40 Настройка режима навигации; Настройка прерывания навигации; Настройка режима AUX
- 41 Настройка режима переднего AUX
- 42 О BLUETOOTH
- 43 Настройка BLUETOOTH; Операция настройки BLUETOOTH
- 44 О функции телефона “Свободные руки”
- 45 Прием вызова; Завершение вызова; Функция повторного набора; Функция ожидания вызова
- 46 Операция переключения вызовов; Журнал вызовов
- 48 Функция BLUETOOTH Audio; Голосовой набор номера
- 49 Переключение на экран; Работа камеры; Воспроизведение видеоизображения с; Навигационная
- 50 Дополнительное
- 51 Функция раздела
- 53 Поиск нужной композиции; Выбор нужной папки
- 55 Поиск по имени исполнителя
- 56 Информация
- 62 Технические характеристики; LASER PRODUCT
- 63 Установка и соединения; Предупреждение
- 64 Установка
- 65 Установка микрофона
- 67 Соединения
- 69 Пример системы
- 71 About the Rules of Bluetooth Electromagnetic



