Магнитолы Alpine INE-W977BT - инструкция пользователя по применению, эксплуатации и установке на русском языке. Мы надеемся, она поможет вам решить возникшие у вас вопросы при эксплуатации техники.
Если остались вопросы, задайте их в комментариях после инструкции.
"Загружаем инструкцию", означает, что нужно подождать пока файл загрузится и можно будет его читать онлайн. Некоторые инструкции очень большие и время их появления зависит от вашей скорости интернета.

105
-RU
Подключение внешнего устройства
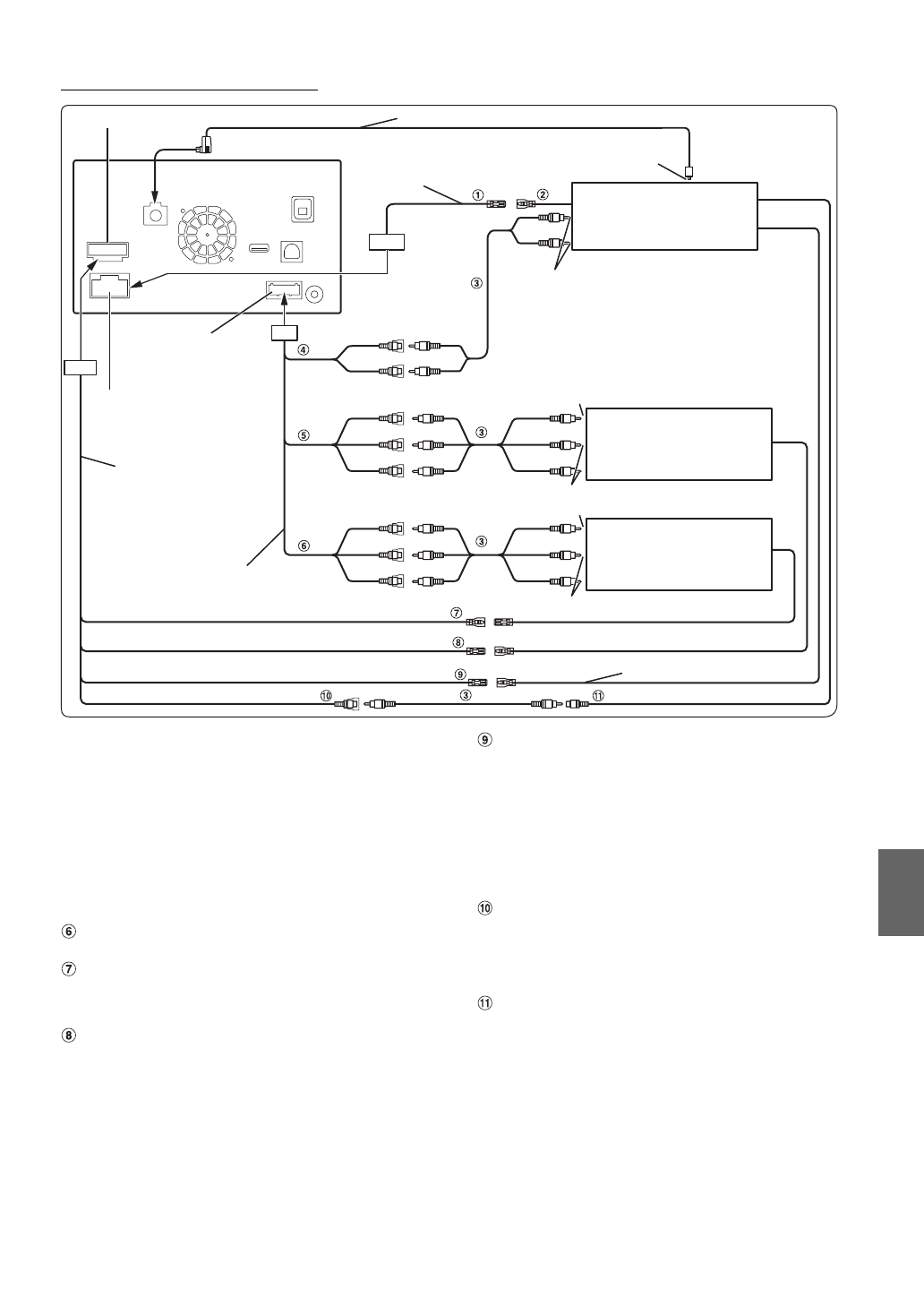
1
Провод удаленного включения (Синий/Белый)
Подключите этот вывод к входу удаленного включения
усилителя или процессора сигналов.
2
Вход удаленного включения
3
Кабельный удлинитель RCA (приобретается
дополнительно)
4
Фронтальные выходные разъемы RCA
Могут использоваться в качестве передних выходных
разъемов RCA. КРАСНЫЙ - для правого, БЕЛЫЙ - для левого.
5
Разъемы видео/аудиовходов (AUX INPUT)
Разъемы видео/аудиовыходов (AUX OUTPUT)
Используется при подключении дополнительного монитора и т. д.
Вход дистанционного управления (Коричневый)
Подключите этот кабель к выходному кабелю
дистанционного управления. Этот кабель передает
управляющие сигналы от дистанционного управления.
Выход дистанционного управления (Коричневый)
Подключите этот выход к входу дистанционного
управления. Этот разъем используется для вывода
управляющих сигналов дистанционного управления.
Кабель управления MIX (Зеленый/Белый)
Используйте при подключении внешнего аудиопроцессора
(приобретается отдельно) с входным разъемом управления
направляющей.
• Когда этот провод подключен к аудиопроцессору
PXA-H800, обязательно выключите (ACC OFF), а затем
снова включите (ACC ON) зажигание или отключите, а
затем снова включите питание устройства,
предварительно установив для параметра “Navi Mix”
значение ON вместо значения OFF на PXA-H800.
Разъем направляющей Beep/NAVI
Используется для вывода аудиосигнала прерывания
навигации.
При подключении аудиопроцессора подключите этот кабель
к входному разъему направляющей с помощью кабельного
удлинителя RCA (приобретается отдельно).
Разъем аудиовхода навигации (вход RCA) (NAVI)
Используется для ввода выходных аудиосигналов
навигационной системы.
*
1
При подключении совместимого внешнего аудиопроцессора (PXA-H80 0 и т. п.) для параметра Внешний аудиопроцессор и
Оптический необходимо установить значение On. См. “Включение/выключение внешнего аудиопроцессора” (стр. 46) и
“Настройка цифрового выхода” (стр. 46).
*
2
Если подключен совместимый внешний аудиопроцессор (PXA-H800 и т. п.), подача питания встроенного усилителя
прекращается и для работы динамиков необходимо использовать внешний усилитель. Подробную информацию см. в
руководстве пользователя совместимого внешнего аудиопроцессора.
•
Есть возможность сменить имя внешнего устройства. См. “Настройка режима AUX” (стр. 57).
Разъем камеры/ДУ
Аудиопроцессор (с поддержкой
волоконно-оптического цифрового
входного сигнала) (PXA-H800 и т. п.)
(приобретается дополнительно)
*
1/
*
2
Разъем AUX/PRE OUT
(Красный)
(Белый)
(Белый)
(Желтый)
(Красный)
(Белый)
К разъему видеовыхода
К разъему аудиовыхода
DVD-чейнджер
(приобретается
дополнительно)
К разъему видеовхода
К разъему аудиовхода
Тыловой монитор
(приобретается
дополнительно)
Кабель камеры/ДУ
REMOTE OUT
(Коричневый)
REMOTE IN
(Белый/Коричневый)
REMOTE IN
(Коричневый)
REMOTE OUT
(Белый/Коричневый)
Оптический цифровой кабель (KWE-610A) (приобретается дополнительно)
К волоконно-оптическому цифровому
входному разъему (для главного блока)
К разъему аудиовхода
Кабель AUX/PRE OUT
(Желтый)
(Красный)
Управление направляющей
СИГНАЛ/НАВИГАЦИЯ
MIX CONT
Кабель питания
Разъем источника питания
Содержание
- 4 Процедура настройки
- 5 Работа с устройствами BLUETOOTH; Функция телефона Hands-Free
- 6 Аудио BLUETOOTH; Дополнительное устройство
- 7 Информация
- 8 Инструкция по эксплуатации; Безопасная эксплуатация устройства; МЕРЫ; ПРЕДУПРЕЖДЕНИЕ; Этот символ обозначает важные инструкции.
- 9 НЕ РАЗБИРАТЬ И НЕ ИЗМЕНЯТЬ.; ВНИМАНИЕ
- 10 ПРИМЕЧАНИЕ
- 11 Принадлежности для дисков; воспроизводимые на; Воспроизводимые диски
- 12 ALL
- 13 Терминология дисков; Обращение с USB-накопителями
- 15 Свойства
- 16 О двойном экране
- 17 Положение отображения двойного экрана
- 18 Комплектация; Приступая к работе
- 19 Включение системы; Загрузка/извлечение диска; Загрузка диска
- 20 Настройка угла наклона экрана; Снятие и установка экрана; Снятие
- 21 Настройка уровня громкости; Использование My Favorites; Установка
- 22 Регистрация пользователя
- 23 Настройка My Favorites; Добавление My Favorites
- 24 Отображение изображения камеры
- 27 Переключение источников; Функция отключения экрана
- 28 Управление касанием; Выбор пункта в списке; О дисплее индикатора
- 29 Прослушивание радио; Радио
- 30 RDS
- 32 Воспроизведение; Повторное воспроизведение
- 35 Воспроизведение диска; DVD
- 36 В случае отображения экрана меню
- 37 Остановка воспроизведения; Перемотка вперед/назад; Отображение экрана главного меню
- 39 Поиск по номеру эпизода; Поиск нужного видеофайла; Переключение угла просмотра
- 41 Настройка языка; Настройка
- 42 Настройка датчика ДУ; Настройка защитного кода; Настройки формата; Настройка кода безопасности
- 43 Настройки экрана/подсветки; Настройка подсветки дисплея; Изменение цвета дисплея
- 44 Визуальная настройка; Настройка сенсорной панели
- 46 Настройка установки; Настройка цифрового выхода; Проверка регистрации DivX
- 47 Операции настройки звука; Настройка звука; Настройка баланса/фейдера
- 48 Включение/выключение сабвуфера
- 51 Настройка Defeat
- 54 Настройка диска; Настройка источника; Изменение настроек языка
- 55 Настройка языка меню
- 56 Настройка радио; Изменение режима настроек экрана ТВ
- 57 Настройка AUX; Настройка режима AUX
- 58 Настройка RSE; Настройка AUX3; Настройка BLUETOOTH
- 59 Настройка автоподключения
- 60 Настройка пароля; Автоматический прием звонков
- 61 Операции настройки камеры; Настройка камеры
- 62 Настройка входа камеры
- 63 Настройка камеры Aux
- 64 Настройка перед использованием; О BLUETOOTH
- 65 Прием вызова; Завершение вызова; Настройка громкости рингтона
- 66 Набор номера из телефонной книги
- 67 Функция телефонной книги; Согласование телефонной книги
- 69 Выбор группы
- 70 Работа внешнего DVD-плеера
- 72 Работа ТВ приемника; Переключение в режим TV
- 73 Работа камеры заднего вида
- 76 Работа передней камеры; Работа камеры другого типа
- 79 Поиск по тегу
- 81 Поиск аудиофайла
- 83 Метка поиска
- 84 О дисках DVD
- 92 Технические характеристики
- 93 НЕ ЯВЛЯЕТСЯ ОТКАЗОУСТОЙЧИВЫМ.; CLASS 1
- 97 Установка и соединения; Предупреждение
- 101 Соединения
- 104 Пример системы
- 109 Declaration of Conformity