Магнитолы Alpine INE-W977BT - инструкция пользователя по применению, эксплуатации и установке на русском языке. Мы надеемся, она поможет вам решить возникшие у вас вопросы при эксплуатации техники.
Если остались вопросы, задайте их в комментариях после инструкции.
"Загружаем инструкцию", означает, что нужно подождать пока файл загрузится и можно будет его читать онлайн. Некоторые инструкции очень большие и время их появления зависит от вашей скорости интернета.

101
-RU
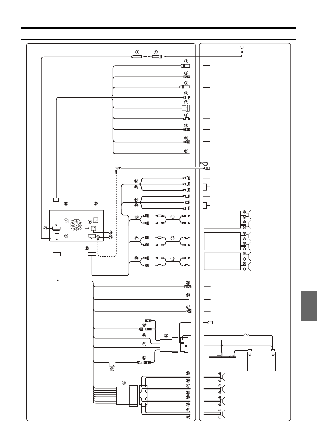
Соединения
К входному разъему управления
направляющей
К блоку интерфейсу рулевого
пульта ДУ
(Зеленый/Белый)
(Синий/Белый)
(Синий)
(Желтый/Синий)
(Желтый)
(Черный)
К усилителю или эквалайзеру
Тыловой левый
MIX CONT
STEERING REMOTE
BEEP/NAVIRG
REMOTE TURN-ON
POWER ANT
PARKING BRAKE
BATTERY
GND
Антенный ISO-разъем
IGNITION
(Красный)
К разъему видеовыхода iPod
К питанию антенны
К сигнальному проводу
стояночного тормоза
Батарея
(Зеленый/Черный)
Замок зажигания
(Желтый)
(Красный)
(Белый)
(Желтый)
(Красный)
(Белый)
Сабвуфер
Сабвуфер
Сабвуфер
Тыловой
левый
Тыловой
правый
Фронт.
левый
Фронт.
правый
Усилитель
К входному разъему
направляющей
К разъемам аудиовхода
(R, L)
К разъемам аудиовыхода
(R, L)
К разъему видеовхода
К разъему видеовыхода
IPOD VIDEO
CAMERA1
CAMERA2
К передней камере/камере
заднего вида
К задней камере/другого вида
Микрофон (в комплекте)
(Зеленый)
Фронтальный левый
Фронтальный правый
Тыловой правый
(Белый/Черный)
(Белый)
(Серый)
(Серый/Черный)
(Фиолетовый)
(Фиолетовый/Черный)
Динамики
Антенна
К плюсовой клемме сигнального
провода лампочки заднего хода
автомобиля
(Оранжевый/Белый)
REVERSE
К входному проводу ДУ
REMOTE IN
SPEED SENSOR
(Зеленый/Белый)
(Коричневый)
К выходному проводу ДУ
К линии приостановки скорости
автомобиля
REMOTE OUT
(Коричневый)
Содержание
- 4 Процедура настройки
- 5 Работа с устройствами BLUETOOTH; Функция телефона Hands-Free
- 6 Аудио BLUETOOTH; Дополнительное устройство
- 7 Информация
- 8 Инструкция по эксплуатации; Безопасная эксплуатация устройства; МЕРЫ; ПРЕДУПРЕЖДЕНИЕ; Этот символ обозначает важные инструкции.
- 9 НЕ РАЗБИРАТЬ И НЕ ИЗМЕНЯТЬ.; ВНИМАНИЕ
- 10 ПРИМЕЧАНИЕ
- 11 Принадлежности для дисков; воспроизводимые на; Воспроизводимые диски
- 12 ALL
- 13 Терминология дисков; Обращение с USB-накопителями
- 15 Свойства
- 16 О двойном экране
- 17 Положение отображения двойного экрана
- 18 Комплектация; Приступая к работе
- 19 Включение системы; Загрузка/извлечение диска; Загрузка диска
- 20 Настройка угла наклона экрана; Снятие и установка экрана; Снятие
- 21 Настройка уровня громкости; Использование My Favorites; Установка
- 22 Регистрация пользователя
- 23 Настройка My Favorites; Добавление My Favorites
- 24 Отображение изображения камеры
- 27 Переключение источников; Функция отключения экрана
- 28 Управление касанием; Выбор пункта в списке; О дисплее индикатора
- 29 Прослушивание радио; Радио
- 30 RDS
- 32 Воспроизведение; Повторное воспроизведение
- 35 Воспроизведение диска; DVD
- 36 В случае отображения экрана меню
- 37 Остановка воспроизведения; Перемотка вперед/назад; Отображение экрана главного меню
- 39 Поиск по номеру эпизода; Поиск нужного видеофайла; Переключение угла просмотра
- 41 Настройка языка; Настройка
- 42 Настройка датчика ДУ; Настройка защитного кода; Настройки формата; Настройка кода безопасности
- 43 Настройки экрана/подсветки; Настройка подсветки дисплея; Изменение цвета дисплея
- 44 Визуальная настройка; Настройка сенсорной панели
- 46 Настройка установки; Настройка цифрового выхода; Проверка регистрации DivX
- 47 Операции настройки звука; Настройка звука; Настройка баланса/фейдера
- 48 Включение/выключение сабвуфера
- 51 Настройка Defeat
- 54 Настройка диска; Настройка источника; Изменение настроек языка
- 55 Настройка языка меню
- 56 Настройка радио; Изменение режима настроек экрана ТВ
- 57 Настройка AUX; Настройка режима AUX
- 58 Настройка RSE; Настройка AUX3; Настройка BLUETOOTH
- 59 Настройка автоподключения
- 60 Настройка пароля; Автоматический прием звонков
- 61 Операции настройки камеры; Настройка камеры
- 62 Настройка входа камеры
- 63 Настройка камеры Aux
- 64 Настройка перед использованием; О BLUETOOTH
- 65 Прием вызова; Завершение вызова; Настройка громкости рингтона
- 66 Набор номера из телефонной книги
- 67 Функция телефонной книги; Согласование телефонной книги
- 69 Выбор группы
- 70 Работа внешнего DVD-плеера
- 72 Работа ТВ приемника; Переключение в режим TV
- 73 Работа камеры заднего вида
- 76 Работа передней камеры; Работа камеры другого типа
- 79 Поиск по тегу
- 81 Поиск аудиофайла
- 83 Метка поиска
- 84 О дисках DVD
- 92 Технические характеристики
- 93 НЕ ЯВЛЯЕТСЯ ОТКАЗОУСТОЙЧИВЫМ.; CLASS 1
- 97 Установка и соединения; Предупреждение
- 101 Соединения
- 104 Пример системы
- 109 Declaration of Conformity