Кондиционеры Daikin EWWQ-B-XS - инструкция пользователя по применению, эксплуатации и установке на русском языке. Мы надеемся, она поможет вам решить возникшие у вас вопросы при эксплуатации техники.
Если остались вопросы, задайте их в комментариях после инструкции.
"Загружаем инструкцию", означает, что нужно подождать пока файл загрузится и можно будет его читать онлайн. Некоторые инструкции очень большие и время их появления зависит от вашей скорости интернета.

D
–EIMWC00504-14RU - 51/68
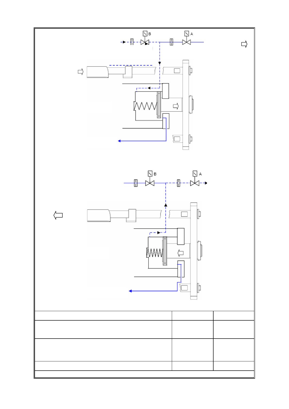
Усилие пружины + давление масла
дифференциальное давление всасывания/нагнетания = золотниковый клапан
перемещается к разгрузке
Дифференциальное давление всасывания/нагнетания > усилие пружины = золотниковый клапан перемещается к нагрузке
Д
ЕЙСТВИЕ МЕХАНИЗМА РЕГУЛИРОВАНИЯ ПРОИЗВОДИТЕЛЬНОСТИ
С
ОЛЕНОИДНЫЙ
КЛАПАН
А
1
С
ОЛЕНОИДНЫЙ
КЛАПАН
B
Нагрузка компрессора
Масло
вентилируется
из
цилиндра
регулятора
производительности.
Дифференциальное давление всасывания/нагнетания преодолевает усилие пружины
и перемещает золотниковый клапан в сторону положения максимальной нагрузки.
Под напряжением
(открыт)
Напряжение
отключено (закрыт)
Разгрузка компрессора
Масло под высоким давлением поступает в цилиндр регулятора
производительности. Усилие пружины вместе с давлением масла преодолевает
дифференциальное давление всасывания/нагнетания и перемещает
золотниковый клапан в сторону положения минимальной нагрузки.
Напряжение
отключено (закрыт)
Под напряжением
(открыт)
Положение удержания золотникового клапана
Золотниковый клапан гидравлически блокируется в положении нужной нагрузки.
Напряжение
отключено (закрыт)
Напряжение
отключено (закрыт)
Рис. 27 – Механизм регулирования производительности
Разгрузка
Carico Compressore
Нагрузка
Подача масла
Выпуск масла
Напряжение
отключено
(закрыт)
Под
напряжением
(
открыт)
Постоянный выпуск на всасывание
Напряжение
отключено
(закрыт)
Постоянный выпуск на всасывание
Под
напряжением
(
открыт)
Подача масла
Выпуск масла
Разгрузка компрессора
Нагрузка компрессора
Содержание
- 2 Содержание
- 4 Общая информация; ПРЕДОСТЕРЕЖЕНИЕ; Предупреждения для оператора; Техническая поддержка
- 7 НОМЕНКЛАТУРА; EWW Q 380 B - S S 0 01
- 10 Таблица 3 – EWWQC11B-SS~EWWQC15B – Технические данные
- 16 Уровни шума EWWQ B-SS
- 17 Эксплуатационные ограничения; Хранение; ПРЕДУПРЕЖДЕНИЕ
- 18 Рис. 1 – Эксплуатационные ограничения
- 19 Механическая установка; Транспортировка; Перемещение и подъем
- 20 Установка на месте и сборка
- 23 Установка реле расхода
- 24 Рис. 5 - Регулировка защитного реле расхода
- 25 Рис. 6 – Падение давления в испарителе – EWWQ B-SS; re; E F; Пад
- 26 Рис. 7 – Падение давления в испарителе – EWWQ B-SS; res; D E
- 27 Рис. 8 – Падение давления в испарителе – EWWQ B-XS; Water evaporator pressure drop - Proximus 3200 SE XE
- 28 Рис. 9 – Падение давления в испарителе – EWWQ B-XS; B C
- 29 Рис. 10 – Падение давления в конденсаторе – EWWQ B-SS; Water condenser pressure drop - Proximus 3200 SE ST
- 30 Рис. 11 – Падение давления в конденсаторе – EWWQ B-SS
- 31 Рис. 12 – Падение давления в конденсаторе – EWWQ B-XS; Water condenser pressure drop - Proximus 3200 SE XE
- 32 Рис. 13 – Падение давления в конденсаторе – EWWQ B-XS
- 33 – Падение давления при частичной рекуперации тепла – EWWQ B-SS; A B
- 34 A B C; Па
- 35 – Падение давления при частичной рекуперации тепла – EWWQ B-XS; A B C D
- 36 Water partial heat recovery pressure drop - Proximus 4200 SE XE
- 37 Электрическая установка; Общие технические условия
- 38 Таблица 12 – Электрические данные агрегата EWWQ B-SS
- 39 Таблица 13 – Электрические данные агрегата EWWQ B-XS
- 40 Двойное заданное значение – Электропроводка
- 42 Эксплуатация; Обязанности оператора; Описание холодильного цикла
- 43 WOE
- 47 Описание холодильного цикла с частичной рекуперацией тепла
- 50 Рис. 26 – Механизм регулирования холодопроизводительности
- 51 Рис. 27 – Механизм регулирования производительности
- 52 Предпусковые проверки; Общие положения
- 53 Агрегаты с внешним водяным насосом; Электропитание; Дисбаланс напряжения питания; max; Электропитание электронагревателей
- 54 Порядок запуска; Включение агрегата
- 56 Техническое обслуживание системы; Техническое обслуживание компрессора
- 58 Замена фильтра-осушителя
- 59 Порядок замены фильтра-осушителя
- 60 Замена масляного фильтра
- 62 Зарядка хладагента
- 63 Процедура дозаправки хладагента
- 64 Стандартные проверки
- 65 Контрольная карта; Измерения параметров воды; Электрические измерения
- 66 Обслуживание и ограниченная гарантия












