Кондиционеры Daikin EWWD-I-SS - инструкция пользователя по применению, эксплуатации и установке на русском языке. Мы надеемся, она поможет вам решить возникшие у вас вопросы при эксплуатации техники.
Если остались вопросы, задайте их в комментариях после инструкции.
"Загружаем инструкцию", означает, что нужно подождать пока файл загрузится и можно будет его читать онлайн. Некоторые инструкции очень большие и время их появления зависит от вашей скорости интернета.

D
–EIMWC00404-14RU - 34/88
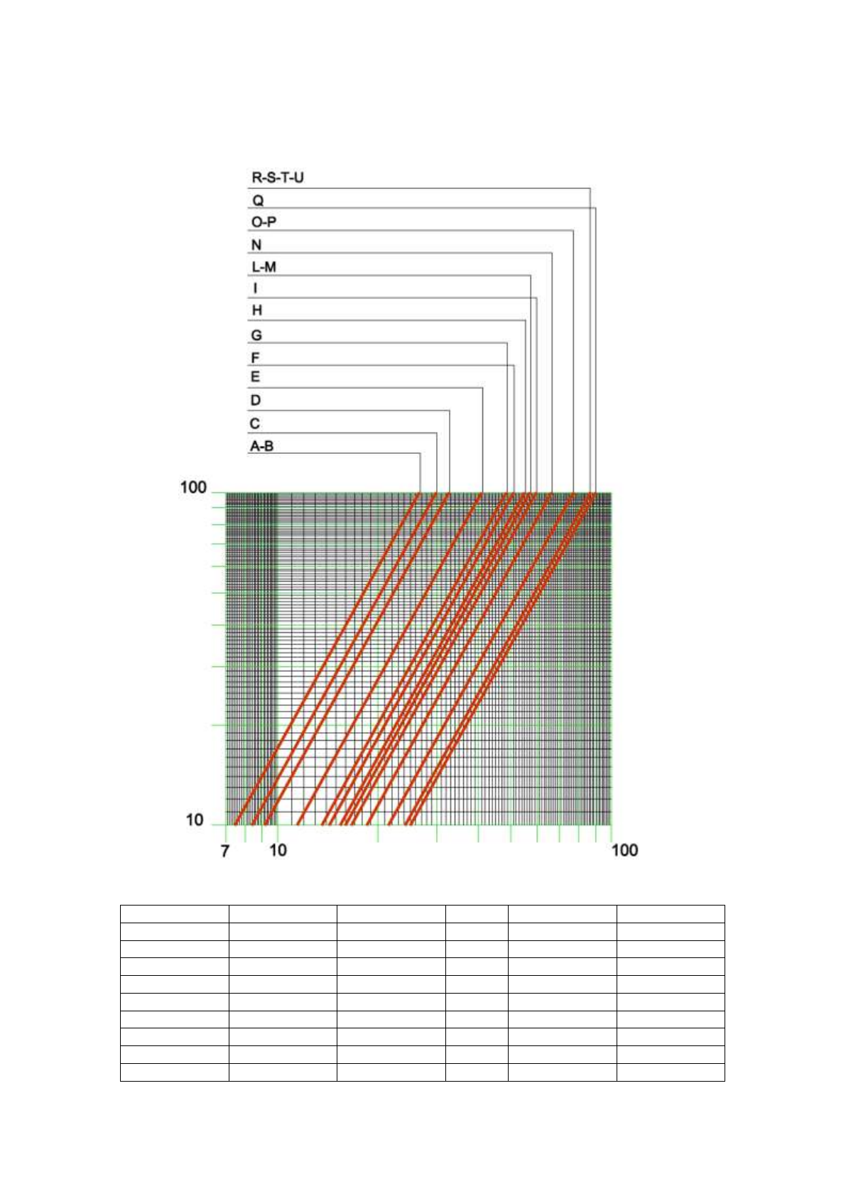
Падения давления
Испаритель
EWWD340~C18 I-SS
EWLD320~C17 I-SS
А
EWWD340 I-SS
EWLD320 I-SS
M
EWWDC10 I-SS
EWLD950 I-SS
B
EWWD400 I-SS
EWLD400 I-SS
N
--
EWLDC10 I-SS
C
EWWD460 I-SS
EWLD420 I-SS
O
EWWDC12 I-SS
EWLDC11 I-SS
D
EWWD550 I-SS
EWLD500 I-SS
P
EWWDC13 I-SS
EWLDC12 I-SS
E
EWWD650 I-SS
EWLD600 I-SS
Q
EWWDC14 I-SS
EWLDC13 I-SS
F
EWWD700 I-SS
EWLD650 I-SS
R
EWWDC15 I-SS
EWLDC14 I-SS
G
EWWD800 I-SS
EWLD750 I-SS
S
EWWDC16 I-SS
EWLDC15 I-SS
H
EWWD850 I-SS
EWLD800 I-SS
T
EWWDC17 I-SS
EWLDC16 I-SS
I
EWWD900 I-SS
EWLD850 I-SS
U
EWWDC18 I-SS
EWLDC17 I-SS
L
EWWD950 I-SS
EWLD900 I-SS
Расход воды (л/с)
Па
д
е
н
ие
д
а
вл
е
н
ия
(к
Па
)
Содержание
- 2 Содержание
- 6 Общие сведения; ВАЖНО; Предупреждения для оператора
- 9 Технические характеристики; Технические данные – EWWD I-SS
- 22 Уровни звукового давления
- 23 со звукопоглощающим шкафом
- 25 Эксплуатационные ограничения; Хранение; Эксплуатация
- 26 Рабочая зона
- 28 Монтажные работы; Доставка; ПРЕДУПРЕЖДЕНИЕ; Перемещение и подъем
- 33 Рис. 1 - Регулировка защитного реле расхода; Предохранительные клапаны контура хладагента
- 39 Падения давления
- 42 Монтаж электрической системы; Общие характеристики
- 43 Электрические характеристики
- 45 Нагреватели масла
- 46 Ограничения агрегата – электропроводка (дополнительно)
- 47 Указания по удаленной конденсаторной установки; Проектирование трубопроводов хладагента
- 49 Рис. 5 - Конденсатор расположен ниже чиллера; Определение размеров линии жидкости
- 50 Таблица 3 - Размеры линий жидкости; Подбор размеров линии нагнетания (горячего газа)
- 51 Таблица 4 - Размеры линий нагнетания; Заряд масла
- 52 Обязанности оператора; Описание цикла циркуляции хладагента
- 71 Предпусковые проверки; Общие положения
- 72 Агрегаты с внешним водяным насосом; Электропитание; Небаланс напряжения питания; max; Питание электронагревателей масла
- 73 Порядок запуска; Включение агрегата
- 74 Сезонное отключение
- 75 Техническое обслуживание системы; Техническое обслуживание компрессора
- 76 Рис. 27 - Установка устройств управления для компрессора Fr4
- 77 Плановое техническое обслуживание; Замена фильтра-осушителя
- 78 Порядок замены патрона фильтра-осушителя
- 79 Замена масляного фильтра
- 81 Порядок пополнения хладагента
- 82 Стандартные проверки
- 83 Карта проверок; Измерения на стороне воды
- 84 Электрические измерения
- 85 Гарантия на обслуживание и ограниченная гарантия
- 86 Утилизация