Sony STR-DA5600ES - инструкции и руководства
Усилитель Sony STR-DA5600ES - инструкции пользователя по применению, эксплуатации и установке на русском языке читайте онлайн в формате pdf
Инструкции:
Инструкция по эксплуатации Sony STR-DA5600ES
Краткое содержание
2 RU Во избежание пожара или поражения электрическим током нельзя подвергать аппарат воздействиям дождя и влаги. Для уменьшения вероятности пожара не закрывайте вентиляционные отверстия аппарата газетами, скатертями, шторами и т.п. Не размещайте источники открытого пламени, например, зажженные свечи...
4 RU О данном руководстве • В данном руководстве приведены инструкции для модели STR-DA560 0ES (ресивер). Проверьте номер Вашей модели в нижнем правом углу на передней панели. • В данном руководстве для иллюстраций используется модель для США/Канады, если не указано другого. Любые отличия в эксплуат...
6 RU Оглавление Описание и расположение компонентов .........................................9 Подготовка к эксплуатации Проверка подключения, соответствующего имеющимся компонентам ...................................... 22 1: Установка колонок ............................ 232: Подключение монитора ...
7 RU Прослушивание Rhapsody ................... 98Прослушивание SHOUTcast ............. 102Свойства прикладного программного обеспечения Setup Manager .......... 104 Использование Многозональных функций Что вы можете сделать с многозональной функцией ........... 106 Выполнение многозонового подключе...
9 RU Описание и расположение компонентов A ? / 1 (вкл/ожидание) Нажмите для включения или выключения ресивера. Пока включено питание, индикатор над кнопкой светится зеленым светом. Экономия электроэнергии в режиме ожидания. Когда “Control for HDMI” (стр. 146), “Server Function” (стр. 149), “Network ...
10 RU C MEMORY/ENTER, TUNING MODE, TUNING Нажмите для использования тюнера (FM/AM) и спутникового радиоприемника (SIRIUS) (Только модель для США/Канады). D Датчик дистанционного управления Принимает сигналы пульта дистанционного управления. E DIMMER Нажмите несколько раз для настройки яркости диспле...
11 RU A SW Светится при подключенном сабвуфере и подаче аудиосигнала через разъем SUBWOOFER. B Индикаторы воспроизводимых каналов Буквы (L, C, R и т. п.) указывают воспроизводимые каналы. Рамки вокруг букв варьируются, показывая как ресивер осуществляет понижающее микширование источника звука (на ос...
15 RU Задняя панель A Раздел DIGITAL ВХОД/ВЫХОД (стр. 27, 33, 39) Разъемы OPTICAL IN/OUT Разъемы COAXIAL IN Разъемы HDMI IN/OUT * (стр. 27, 28) B Разъемы управления для оборудования Sony и других внешних компонентов Разъемы IR REMOTE IN/OUT (стр. 43, 106)Разъемы TRIGGER OUT (стр. 140) Для подключени...
16 RU * Вы можете просматривать изображение выбранного входного сигнала при подключении разъемов HDMI OUT или MONITOR OUT к телевизору (стр. 27). Разъем ZONE 2 VIDEO OUT (Только модель для США/Канады) (стр. 108) Разъем RJ-45 служит для передачи видеосигнала на компонент в зоне 2. Для подключения исп...
18 RU Многофункциональный пульт дистанционного управления (RM-AAL031/RM-AAL032) Пульт дистанционного управления RM-AAL031 поставляется только с моделью для США/Канады, а пульт дистанционного управления RM-AAL032 поставляется только с европейской моделью. Пульт дистанционного управления RM-AAL031 исп...
21 RU wl DISPLAY Нажмите несколько раз для выбора информации, отображаемой на дисплее. , (Информация, показать текст) (Только европейская модель) Отображается информация, такая как текущий номер канала и режим экрана.В текстовом режиме: отображается скрытая информация (например, ответы викторины). e...
22 RU Проверка подключения, соответствующего имеющимся компонентам Если сверху ресивера приклеена предупреждающая наклейка, ее необходимо снять перед началом эксплуатации ресивера. Подготовка к эксплуатации Установка колонок См. раздел “1: Установка колонок” (стр. 23). Подключение монитора и видеоко...
23 RU П о д готовка к э к сплуатации 1: Установка колонок Данный ресивер позволяет вам использовать 7.1-канальную систему (7 колонок и один сабвуфер). 5.1-канальная система колонок Для полного наслаждения многоканальным окружающим звучанием, которое подобно театральному, необходимо пять колонок (две...
24 RU E Правая колонка окружающего звучания H Левая высокорасположенная колонка I Правая высокорасположенная колонка J Сабвуфер Советы •Угол A должен быть одинаковым. •При подключении 6.1-канальной акустической системы расположите заднюю колонку окружающего звучания за местом расположения зрителей. ...
25 RU П о д готовка к э к сплуатации Перед подключением шнуров убедитесь в отключении сетевого шнура переменного тока. A Монофонический аудиошнур (не прилагается) B Шнур громкоговорителя (не прилагается) A Передняя колонка A (L) B Передняя колонка A (R) C Центральная колонка D Колонка окружающего зв...
26 RU 2) При подключении только одной задней колонки окружающего звучания подключите ее к клеммам SURROUND BACK/ZONE 2 L. 3) Если используются передние высокорасположенные колонки, подключите их к клеммам FRONT B /FRONT HIGH. 4) Можно подключить задние колонки окружающего звучания и передние высокор...
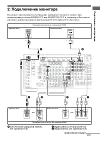
27 RU П о д готовка к э к сплуатации 2: Подключение монитора Вы можете просматривать изображение выбранного входного сигнала при подключении разъемов HDMI OUT или MONITOR OUT к телевизору. Вы можете управлять данным ресивером при помощи GUI (Graphical User Interface). A Оптический цифровой кабель (н...
28 RU D Компонентный видеокабель (не прилагается) E HDMI-кабель (не прилагается) Мы рекомендуем использовать кабель HDMI компании Sony. * Если телевизор поддерживает функцию Audio Return Channel (ARC), звук телевизора будет воспроизводиться через колонки, подключенные к разъему HDMI OUT A ресивера. ...
29 RU П о д готовка к э к сплуатации Digital, DTS, DSD и линейное PCM. Для дополнительной информации см. раздел “Форматы цифрового аудио, поддерживаемые ресивером” (стр. 90). • Аналоговые видеосигналы, подаваемые на вход разъема VIDEO, или на разъемы COMPONENT VIDEO, могут подаваться на выход как си...
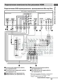
33 RU П о д готовка к э к сплуатации Подключение DVD-проигрывателя, проигрывателя Blu-ray Disc A Оптический цифровой кабель (не прилагается) B Коаксиальный цифровой кабель (не прилагается) C Аудиокабель (не прилагается) D Видеокабель (не прилагается) E Компонентный видеокабель (не прилагается) F Мон...
37 RU П о д готовка к э к сплуатации Подключение видеокамеры, игровой приставки C Аудио/видеокабель (не прилагается) Примечание Перед подключением шнуров убедитесь в отключении сетевого шнура переменного тока. Функция для преобразования видеосигналов Данный ресивер оснащен функцией преобразования ви...
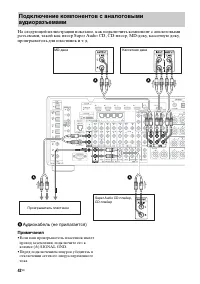
39 RU П о д готовка к э к сплуатации 4: Подключение аудиокомпонентов На следующем рисунке показано, как подключить Super Audio CD-плейер, CD-плейер, MD-деку и адаптер DIGITAL MEDIA PORT. A Коаксиальный цифровой кабель (не прилагается) B Оптический цифровой кабель (не прилагается) Примечания •При под...
43 RU П о д готовка к э к сплуатации 5: Подключение IR Blaster Подключите прилагаемый IR Blaster к компонентам, подключенным к ресиверу. При помощи экранного пульта дистанционного управления вы можете управлять компонентами, подключенными к ресиверу через IR Blaster. Разместите компоненты и IR Blast...
44 RU 6: Подключение антенн Подключите прилагаемую рамочную антенну AM и проволочную антенну FM. * Форма разъема варьируется в зависимости от региона. Примечания •Для предотвращения шумовых перекрестных помех расположите рамочную антенну AM как можно дальше от ресивера и других компонентов. •Не забу...
45 RU П о д готовка к э к сплуатации 7: Подключение к локальной сети Выполнение конфигурации вашей домашней локальной сети с использованием DLNA-совместимых устройств.Если ваш компьютер подключен к Интернету, вы также можете подключить к Интернету ресивер, посредством проводного подключения LAN. При...
46 RU На следующей иллюстрации показан пример конфигурации домашней локальной сети с ресивером и компьютером.Мы рекомендуем вам использовать проводное подключение. Примечания •При использовании беспроводного подключения воспроизведение аудио или видео на компьютере может иногда прерываться. •Подключ...
47 RU П о д готовка к э к сплуатации 8: Подготовка ресивера и пульта дистанционного управления Подключите прилагаемый сетевой шнур переменного тока к разъему AC IN ресивера, затем включите сетевой шнур переменного тока в сетевую розетку. Примечания •Перед подключением сетевого шнура переменного тока...
48 RU Перезагрузка ресивера В случае отказа кнопок ресивера или пульта дистанционного управления вследствие неполадок в работе ресивера перезагрузите ресивер. 1 Нажмите кнопку ? / 1 для выключения ресивера. 2 Нажмите и удерживайте ? / 1 10 секунд. Ресивер перезагрузится. Когда индикатор над ? / 1 на...
50 RU Примечания •Если вы не знаете полного сопротивления колонок, обратитесь к инструкции по эксплуатации, которая прилагается к колонкам. (Данная информация часто указывается на задней стороне колонки.) •Если все подключенные колонки имеют номинальное сопротивление 8 Ом или выше, установите “Imped...
51 RU П о д готовка к э к сплуатации 6 Нажмите RETURN/EXIT O . Примечание Эта настройка доступна, если в установленной конфигурации колонок отсутствуют задние колонки окружающего звучания и передние высокорасположенные колонки. Вы можете выбрать передние колонки, которые вы хотите включить. Последов...
53 RU П о д готовка к э к сплуатации обнаруженные колонки (например, 5/4.1 и т. п.). Если нужно изменить количество используемых колонок, то после автокалибровки следует вручную повторно выбрать нужную конфигурацию колонок.В дальнейшем можно восстановить конфигурацию колонок, в которой присутствуют ...
56 RU Появляется экран выбора типа калибровки. 2 Последовательными нажатиями V / v выберите тип автокалибровки, затем нажмите . Результаты измерений сохранены. 3 Нажмите b . Появится экран выхода. 4 Нажмите для выбора “Exit”. Примечания •После отображения результатов компенсации частотной характерис...
57 RU П о д готовка к э к сплуатации Если в пункте 7 процедуры “Выполнение автокалибровки” (стр. 53) отображается предупреждение, примите предупреждение и используйте ресивер без изменений. Или повторите автокалибровку, если необходимо. В случае сбоя при калибровке 1 Нажмите B / b для выбора “Yes”, ...
60 RU 12: Подготовка компьютера к использованию в качестве сервера Сервер – это устройство, которое передает контент (музыку, фотографии и видео) на DLNA-устройство домашней локальной сети.После установки прикладного программного обеспечения*, которое имеет DLNA-совместимую функцию сервера, можно с ...
61 RU П о д готовка к э к сплуатации Примечание Sony не гарантирует безошибочной работы на всех компьютерах, отвечающих требованиям к системе. Другое программное обеспечение, работающее на фоне, может повлиять на работу этого программного обеспечения. При использовании VAIO Media plus как серверного...
62 RU Руководство по использованию экранного дисплея Вы можете отобразить меню ресивера на экране телевизора и выбрать на экране телевизора функцию, которую вы хотите использовать, нажав V / v / B / b и на пульте дистанционного управления.Для отображения меню ресивера на экране телевизора, убедитесь...
63 RU П о д готовка к э к сплуатации Включение и выключение “GUI MODE” Нажмите GUI MODE. “GUI MODE ON” или “GUI MODE OFF” отображается в окне дисплея ресивера в зависимости от выбранного режима. Обзор основных меню При нажатии OPTIONS, отображается меню опций для выбранного основного меню. Вы можете...
65 RU Вос произ веден и е Воспроизведение звука/изображений от компонента, подключенного к ресиверу 1 Выберите “ Input”, затем нажмите или b . На экране телевизора появится список позиций меню. 2 Выберите нужный компонент, затем нажмите . Экран меню исчезнет и появится экран воспроизведения внешнего...
68 RU 3 Выберите композицию, которую вы хотите воспроизвести с использованием компонента, подключенного к адаптеру DIGITAL MEDIA PORT. 4 Нажмите MASTER VOLUME +/– для регулировки громкости. Управление TDM-iP50 с использованием меню GUI ресивера Убедитесь, что параметр “System GUI” был выбран в дейст...
69 RU Вос произ веден и е 4 Нажмите MASTER VOLUME +/– для регулировки громкости. 1 Воспроизведите композицию, которую вы хотите прослушать, выполнив действия, описанные в разделе “Управление TDM-iP50 с использованием меню GUI ресивера” (стр. 68). 2 Нажмите OPTIONS. Откроется меню опций. 3 Выберите “...
70 RU Вы можете изменить экран управления при помощи меню GUI. Режим DMPORT Control поддерживается адаптерами DIGITAL MEDIA PORT такими как TDM-iP50. Этот режим не поддерживается другими адаптерами. 1 Выберите нужный адаптер DIGITAL MEDIA PORT в окне “ Music” или “ Video”, а затем нажмите или b . 2 ...
71 RU Н аст рой к а Прослушивание радиопередач FM/AM Вы можете прослушивать радиопередачи в диапазоне FM и AM на встроенном тюнере. Перед использованием тюнера убедитесь в подключении антенн FM и AM к ресиверу (стр. 44). Совет Шаг настройки для непосредственной настройки представлен ниже.•Диапазон F...
75 RU Н аст рой к а 3 Выберите “Name Input”, а затем нажмите . На экране появится многофункциональная программируемая клавиатура. 4 Нажмите V / v / B / b и для выбора символов по одному для ввода названия. 5 Выберите “Finish”, а затем нажмите . Введенное вами название будет зарегистрировано. Для отм...
76 RU XM”. В настоящее время услуги “Лучшее из XM” недоступны подписчикам SIRIUS в Канаде. Следите за новостями от SIRIUS Канала, используя нижеуказанные номера и веб-адреса. Для ограничения прослушивания каналов имеются семейные пакеты программ, исключающие нежелательные для детей программы. Для оф...
81 RU Н аст рой к а 5 Нажмите SHIFT, затем при помощи цифровых кнопок введите новый 4-значный код блокирования. Отображается приглашение “To confirm, enter your new lock code again.”. 6 Нажмите SHIFT, затем еще раз введите новый код блокирования при помощи цифровых клавиш. Отображается сообщение “Th...
82 RU Список сообщений Появляющееся сообщение Пояснение Рекомендации по устранению Antenna Error Антенна подключена неправильно. Проверьте подключение между домашним тюнером SiriusConnect и антенной. Acquiring Signal Плохие условия приема. Попробуйте переместить антенну в другое место. Для дополните...
83 RU Насла ж дение окр у ж а ю щ и м звуча ние м Воспроизведение с 2-канальным звучанием Вы можете переключить выход звука на 2-канальное звучание независимо от формата записи используемого вами программного обеспечения, подключенного воспроизводящего компонента или настроек звукового поля ресивера...
84 RU Для прослушивания музыки через наушники, подключенные к ресиверу Примечание •“2ch Analog Direct” недоступен в следующих случаях.– При воспроизведении контента с устройств домашней сети. – Если выбран вход HDMI или многоканальный вход. Звуковое поле Эффект Headphone (2ch) Этот режим выбирается ...
85 RU Насла ж дение окр у ж а ю щ и м звуча ние м Воспроизведение с многоканальным окружающим звучанием Режим Auto Format Direct (A.F.D.) позволяет Вам прослушивать высококачественный звук и выбирать режим декодирования для прослушивания 2-канального стереозвучания как многоканального звучания. Неск...
87 RU Насла ж дение окр у ж а ю щ и м звуча ние м Для отключения эффекта окружающего звучания для MUSIC Нажмите 2CH/A.DIRECT или A.F.D. Примечания •Звуковые поля для музыки не будут работать в следующих случаях.– Выбран многоканальный вход.– Если входные сигналы Dolby TrueHD имеют частоту дискретиза...
89 RU Насла ж дение окр у ж а ю щ и м звуча ние м Для отключения эффекта окружающего звучания для MOVIE Нажмите 2CH/A.DIRECT или A.F.D. Примечания •Звуковые поля для фильмов не будут работать в следующих случаях.– Выбран многоканальный вход.– Если входные сигналы Dolby TrueHD имеют частоту дискретиз...
90 RU Форматы цифрового аудио, которые могут декодироваться ресивером, зависят от разъемов входа цифрового аудио подключенных компонентов.Данный ресивер поддерживает следующие аудиоформаты. a) Если воспроизводящий компонент не поддерживает данный формат, аудиосигналы выводятся в другом формате. Для ...
91 RU Исп о льзовани е ф у нкций локаль ной сети О сетевых функциях ресивера • Вы можете наслаждаться контентом (музыка, фотографии и видео), хранящимся на DLNA-совместимом устройстве (DLNA CERTIFIED™ Products) с изображением логотипа, авторизованного DLNA (стр. 92). • Вы можете наслаждаться аудиома...
92 RU Просмотр контента, хранящегося на сервере Сервер – это устройство, которое передает контент (музыку, фотографии и видео) на DLNA-устройство домашней локальной сети.Используя ресивер, вы можете воспроизводить музыку, фотографии и видео, хранящиеся на сервере. 1 Выберите “ Music”, “ Photo” или “...
93 RU Исп о льзовани е ф у нкций локаль ной сети В “My Library” можно зарегистрировать избранный контент, воспроизводимый из “ Music”, “ Photo” или “ Video”. 1 Нажмите OPTIONS во время воспроизведения контента. 2 Выберите “Add track (picture, movie) to My Library”, а затем нажмите . 3 Выберите регис...
94 RU 2 Выберите “Repeat” или “Shuffle”, затем нажмите . 3 Выберите режим из следующего, затем нажмите . x Repeat Повторно воспроизводит одну или все композиции.• Off Отключает режим повторного воспроизведения. • One Повторно воспроизводит одну композицию. • All Повторно воспроизводит все композиции...
96 RU Примечания •Аудиоматериалы, передаваемые с ресивера, невозможно воспроизводить на двух или более устройствах домашней сети одновременно. Если на одном устройстве уже воспроизводится контент с ресивера, любое воспроизведение контента с ресивера на другом устройстве невозможно. •При управлении т...
97 RU Исп о льзовани е ф у нкций локаль ной сети Использование контроллера С помощью устройства, выполняющего функции контроллера домашней сети, возможны следующие операции.– Воспроизведение с помощью ресивера контента, хранящегося на сервере– Управление ресивером посредством компьютера на базе Wind...
98 RU 3 С помощью контроллера домашней сети выберите ресивер, который будет использоваться для воспроизведения. Руководствуйтесь инструкцией по эксплуатации конкретного устройства. Прослушивание Rhapsody Подключив свой ресивер к Интернету, вы сможете наслаждаться прослушиванием Rhapsody Digital Musi...
99 RU Исп о льзовани е ф у нкций локаль ной сети Перед использованием Rhapsody Digital Music Service необходимо зарегистрировать учетную запись при помощи вашего компьютера.За дополнительной информацией обращайтесь на www.rhapsody.com/sonystr.Зайдите с использованием вашей учетной записи на ресивере...
101 RU Исп о льзовани е ф у нкций локаль ной сети 5 Выберите “Finish”, а затем нажмите . Дождитесь отображения результатов поиска. 6 Нажмите b для выбора результата поиска. 7 Выберите в результатах поиска композицию, которую хотите слушать, затем нажмите . Экран воспроизведения появится на экране те...
105 RU Исп о льзовани е ф у нкций локаль ной сети 3 Установите прикладное программное обеспечение Setup Manager, следуя инструкциям, появляющимся в сообщениях на экране. С помощью прикладной программы Setup Manager на прилагаемом к ресиверу диске CD-ROM можно обновлять программное обеспечение ресиве...
106 RU Что вы можете сделать с многозональной функцией Вы можете наслаждаться изображениями и звуком от подключенного к ресиверу компонента в зоне, отличной от основной зоны. Например, Вы можете просматривать DVD в основной зоне и прослушивать CD в зоне 2 или зоне 3. Используя ИК-ретранслятор (не пр...
107 RU Испо льз о вание Мн огозона л ь н ы х ф у нкци й 2 Звук выводится из колонок в зоне 2 с помощью ресивера и другого усилителя. A ИК-ретранслятор (не прилагается) B Колонки C Sony Усилитель/Ресивер * Вы также можете подключить гнездо ZONE 2 COMPONENT VIDEO OUT. Основная зона Зона 2 Телевизор мо...
108 RU ZONE 2 VIDEO OUT (разъем RJ-45) может использоваться для пользовательской установки квалифицированными лицами.Разъем ZONE 2 VIDEO OUT (разъем RJ-45) служит для передачи исходного видеосигнала на видеовход компонентов зоны 2. За дополнительной информацией обращайтесь к дилеру. Примечание Этот ...
111 RU Испо льз о вание Мн огозона л ь н ы х ф у нкци й Совет Если для данного параметра установить значение “VARIABLE”, уровень сигнала на клеммах ZONE 2 AUDIO OUT и ZONE 2 SPEAKERS будет изменяться взаимозависимо. Переключение настройки зоны на пульте дистанционного управления Первоначально пульт ...
112 RU 1 Включите основной ресивер (данный ресивер). 2 В случае, показанном на иллюстрации 1- 2 (стр. 106), включите усилитель в зоне 2. 3 Нажмите ZONE. Пульт дистанционного управления переключится на зону 2. 4 Нажмите ? / 1 . Функция зоны будет активирована. 5 Нажмите MENU. Меню ресивера показывает...
114 RU Использование функции “BRAVIA” Sync Функция “BRAVIA” Sync совместима с телевизорами Sony, Blu-ray Disc/DVD-плейерами, аудио-видео усилителями и т. п., которые имеют функцию Контроль по HDMI.Подключив компоненты Sony, совместимые с “BRAVIA” Sync, при помощи кабеля HDMI (не прилагается), можно ...
115 RU Использ о ван и е д р угих ф у н кций 1 Нажмите AMP. Ресивером можно управлять при помощи пульта дистанционного управления. 2 Нажмите MENU. Меню ресивера показывается на экране телевизора. 3 Выберите “ Settings” в меню, а затем нажмите или b . 4 Выберите “HDMI”, а затем нажмите или b . 5 Выбе...
116 RU Использования функции воспроизведения одним нажатием клавиши видеокамеры 1 Включите функцию Контроль по HDMI на ресивере и на видеокамере. 2 Подключите видеокамеру к разъему HDMI IN 1, IN 2 или IN 6 (стр. 28). Ресивер и телевизор включатся одновременно, и звук и изображение будут выводиться ч...
119 RU Использ о ван и е д р угих ф у н кций Переключение между цифровым и аналоговым звучанием При подключении компонентов одновременно к цифровым и аналоговым входным разъемам ресивера, можно зафиксировать режим аудиовхода за одним из них или переключаться между ними, в зависимости от содержания, ...
127 RU Использ о ван и е д р угих ф у н кций Использование подключения к двухканальному усилителю При использовании задних колонок окружающего звучания и передних высокорасположенных колонок можно выделить клеммы SURROUND BACK/ZONE 2 передним колонкам для использования с подключением к двухканальном...
128 RU Использование меню настроек С помощью меню настроек можно отрегулировать различные настройки колонок, звуковых эффектов, многозональной функции и т. д.Для отображения меню ресивера на экране телевизора убедитесь, что ресивер находится в режиме “GUI MODE”, выполнив действие, приведенное в разд...
129 RU Р е гу лир о вка нас т р о ек Auto Calibration Служит для выполнения автокалибровки. Для дополнительной информации см. раздел “10: Автоматическая калибровка настроек соответствующей колонки (Auto Calibration)” (стр. 52). Примечание Результаты измерений будут перезаписаны и сохранены в Positio...
131 RU Р е гу лир о вка нас т р о ек Можно установить функцию A.P.M. (Automatic Phase Matching) для функции DCAC (Digital Cinema Auto Calibration) (стр. 52). x OFF Не активировать функцию A.P.M. x AUTO Функция A.P.M. включается или выключается автоматически. Примечания •Даже если установить данную ф...
132 RU •Данная функция не работает в следующих случаях.– Если входные сигналы DTS-HD имеют частоту дискретизации 88,2 кГц и выше. – Если входные сигналы Dolby TrueHD имеют частоту дискретизации 176,4 кГц и выше. •Сигналы с частотой дискретизации 88,2 кГц и выше всегда воспроизводятся с частотой 44,1...
133 RU Р е гу лир о вка нас т р о ек Настройка Speaker Вы можете отрегулировать каждую колонку вручную. Уровни колонок можно отрегулировать и после завершения автокалибровки. Примечание Настройки Speaker действуют только для текущего “Seating Position”. Вы можете установить полное сопротивление коло...
134 RU Для регулирования уровня колонки Можно отрегулировать уровень каждой колонки (центральной, левой/правой окружающего звучания, левой/правой задней окружающего звучания, левой/правой передней высокорасположенной, сабвуфера). 1 Выберите на экране колонку, для которой хотите отрегулировать уровен...
135 RU Р е гу лир о вка нас т р о ек • SMALL В случае искажения звука или отсутствия эффектов окружающего звучания при воспроизведении многоканального окружающего звука выберите “SMALL” для активации контура переадресации низких частот и вывода низких частот каждого канала на сабвуфер или другие кол...
136 RU * Если подключена только одна задняя колонка окружающего звучания, отображается “SB”. Вы можете выбрать колонки для воспроизведения тестового сигнала. 3 Отрегулируйте “Level:”, а затем нажмите . Для вывода тестового сигнала из рядом расположенных колонок Вы можете выводить тестовый сигнал из ...
137 RU Р е гу лир о вка нас т р о ек Позволяет сжимать динамический диапазон звуковой композиции. Это может оказаться удобным, если вы захотите смотреть фильмы при низких уровнях громкости поздним вечером. Сжатие динамического диапазона возможно только с источниками сигналов Dolby Digital. x OFF Дин...
138 RU Настройки Surround В окне Sound Field Select можно выбрать звуковое поле и настроить уровень эффекта и т. д.Подробные сведения о звуковом поле приведены в разделе “Наслаждение окружающим звучанием” (стр. 83). Примечание Позиции настроек, которые вы можете регулировать в каждом меню, меняются ...
139 RU Р е гу лир о вка нас т р о ек Настройка EQ Вы можете использовать следующие параметры для регулирования качества тембра (уровня низких/высоких частот) передних, центральной и колонок окружающего/заднего окружающего звучания. Примечания •Данная функция не работает в следующих случаях.– Выбран ...
140 RU Регулировка громкости для зоны 2 Вы можете отрегулировать громкость звука в главной зоне.Если параметр “Sur Back Assign” установлен на “ZONE2” в меню настройки Speaker, также можно регулировать громкость в зоне 2.Если установить “Zone2 Line Out Level” на “VARIABLE”, громкость можно будет регу...
141 RU Р е гу лир о вка нас т р о ек При выборе опции “Input” появится дисплей настройки, позволяющий включить/выключить триггер каждого входа. Нажмите V / v для выбора входа, а затем нажмите для установки флажка. x HDMI A (только для “Main”) Позволяет включить или выключить вывод импульсов триггеро...
142 RU Позволяет ввести задержку звукового сопровождения и уменьшить временной интервал между звуком и показываемым изображением. x HDMI AUTO Временная задержка между аудиовыходом и изображением на дисплее, для монитора, подключенного через подключение HDMI, будет регулироваться автоматически на осн...
143 RU Р е гу лир о вка нас т р о ек Позволяет вам сохранить атмосферу театра при низких уровнях громкости. Данная функция может быть использована с другими звуковыми полями. При просмотре фильма поздним вечером вы сможете четко расслышать диалог даже при низком уровне громкости. x OFF x ON Night Mo...
144 RU Настройка Video Выполнение настроек для видео. Позволяет преобразовать разрешение входных аналоговых видеосигналов. x DIRECT Позволяет вам подавать на выход видеосигналы без преобразования. x AUTO x 480i/576i x 480p/576p x 720p x 1080i x 1080p z : Видеосигналы преобразуются и выводятся через ...
145 RU Р е гу лир о вка нас т р о ек a) Разрешение устанавливается автоматически в зависимости от подключенного монитора. b) Если телевизор подключен к разъемам, отличным от HDMI, сигналы 480i/576i выводятся при установке “Resolution” на “AUTO”. c) Выводятся сигналы 480p/576p, даже если установлено ...
146 RU Настройка HDMI Выполняет требуемые настройки для компонентов, подключенных к разъемам HDMI. Позволяет вам включать или выключать функцию, управляющую компонентами, подключенными к разъему HDMI при помощи кабеля HDMI. x OFF x ON Примечание Если установить “Control for HDMI” на “ON”, “Audio Out...
147 RU Р е гу лир о вка нас т р о ек Позволяет вам настроить выход HDMI аудиосигналов от компонента, выполняющего воспроизведение, подключенного к ресиверу через подключение HDMI. x TV+AMP Звук воспроизводится через колонки телевизора и колонки, подключенные к ресиверу. Примечания •Качество звука во...
148 RU Позволяет вам выводить входные видеосигналы, подаваемые на разъем HDMI IN, непосредственно на разъем HDMI OUT. x OFF Входные сигналы от разъема HDMI IN выводятся через видеопроцессор. x ON Входные сигналы от разъема HDMI IN выводятся непосредственно. Примечание Установите “Video Direct” на “O...
149 RU Р е гу лир о вка нас т р о ек 4 Выберите IP-адрес. На экране телевизора появится экранная клавиатура. 5 Нажмите V / v / B / b и для выбора символов по одному для ввода IP-адреса. 6 Выберите “Finish”, а затем нажмите . 7 Нажмите b для отображения следующего экрана. 8 Повторите процедуру действ...
150 RU 2 Выберите из списка контроллер, которому будет разрешено управление ресивером, а затем нажмите , чтобы поставить флажок. Если поставить флажок для “Auto Permission”, автоматически будут отмечены все обнаруженные контроллеры. 3 Выберите “Finish”, а затем нажмите . Отмена настройки Выберите “C...
151 RU Р е гу лир о вка нас т р о ек Настройка Quick Click При помощи экранного пульта дистанционного управления можно настраивать управляющие компоненты, подключенные к ресиверу.Подробнее об использовании экранного пульта дистанционного управления см. под заголовком “Управление каждым компонентом п...
152 RU Настройка System Индивидуальная установка настроек ресивера. Позволяет включать и выключать режим управления для технического обслуживания и ремонта. x OFF x ON Выбирает язык для экранных сообщений. x English x Español x Français x Deutsch Позволяет включать и выключать функцию, автоматически...
155 RU Р е гу лир о вка нас т р о ек В каждом меню доступны следующие опции. “ xx …” в таблице обозначает параметр для каждой позиции. Список меню (в окне дисплея) Меню Позиция Параметр Первона- чальная настройка AUTO CALIBRATION AUTO CAL START? 5 4 3 2 1 MEASURING: TONE MEASURING: T.S.P. MEASURING:...
159 RU Р е гу лир о вка нас т р о ек Изменение индикации Вы можете проверить звуковое поле и т. п. путем изменения информации на дисплее. 1 Выберите вход, информацию которого вы хотите просмотреть. 2 Несколько раз нажмите DISPLAY. При каждом нажатии DISPLAY индикация на дисплее будет изменяться след...
162 RU Вы можете управлять компонентами, подключенными к ресиверу, с использованием функций “Menu” и “10 key” Quick Click. Следующее пояснение приводит примеры нормальной работы. В зависимости от компонента его работа может отличаться, или компонент может не работать совсем. Вкладка Menu Сцена 1-16 ...
163 RU У п р а вле ние ка ж д ы м к о мпоне н том п ри помощ и эк ранн ого пуль та ди станц и онног о упр а вления ( Q ui c k Clic k) Вкладка 10 key G Return (Exit) Выберите для возврата к предыдущему меню или для выхода из меню. H Top Menu (Guide) Выбирайте для воспроизведения главного меню DVD-пле...
165 RU У п р а вле ние ка ж д ы м к о мпоне н том п ри помощ и эк ранн ого пуль та ди станц и онног о упр а вления ( Q ui c k Clic k) Для управления проектором выберите ( ) на вкладке Common. E Menu Выберите для отображения меню компонентов, подключенных к ресиверу. F Exit Выберите для выхода из мен...
167 RU У п р а вле ние ка ж д ы м к о мпоне н том п ри помощ и эк ранн ого пуль та ди станц и онног о упр а вления ( Q ui c k Clic k) Настройка компонентов, управляемых при помощи экранного пульта дистанционного управления Установка исходного компонента 1 Выберите “ Settings” в меню, а затем нажмите...
168 RU Автоматическое выполнение последовательности нескольких команд с помощью Quick Click (Выполнение макрокоманд) Вы легко можете использовать функцию макроса с Quick Click. 1 Выберите “ Settings”, а затем нажмите или b . 2 Выберите “Quick Click”, а затем нажмите или b . 3 Выберите “Macro”, а зат...
174 RU Программирование пульта дистанционного управления Вы можете запрограммировать пульт дистанционного управления согласно индивидуальной настройке так, чтобы он соответствовал компонентам, подключенным к вашему ресиверу. Вы можете даже запрограммировать пульт дистанционного управления для управл...
175 RU Управле н и е к а жд ым к о мпо н е н т о м с по мощ ь ю мно го ф ункци онально го пу л ь та д и с та н ц и онного у п р а в л ения Цифровые коды в нижеуказанных таблицах позволяют управлять компонентами, изготовленными не Sony, а также компонентами Sony, которыми пульт дистанционного управле...
181 RU Управле н и е к а жд ым к о мпо н е н т о м с по мощ ь ю мно го ф ункци онально го пу л ь та д и с та н ц и онного у п р а в л ения 3 Нажмите кнопку, куда вы хотите сохранить новую команду. Для кнопок, отмеченных звездочкой на иллюстрации выше, нажмите SHIFT и затем нажмите кнопку. Кнопка вхо...
182 RU Кнопка RM SET UP мигнет дважды, и процесс удаления будет завершен.Если процесс запоминания окажется безуспешным, кнопка RM SET UP мигнет пять раз. Попытайтесь повторить процесс еще раз, начиная с действия 2. 5 Нажмите RM SET UP для завершения процесса удаления. Удаление всего содержимого памя...
183 RU Допо лнит ель н ая инф орма ция Меры предосторожности О безопасности При попадании какого-либо твердого предмета или жидкости внутрь корпуса выньте вилку ресивера из розетки и проверьте ресивер у квалифицированного обслуживающего персонала перед дальнейшей эксплуатацией. Об источниках питания...
184 RU Об эксплуатации Перед подключением других компонентов, не забудьте выключить ресивер и отсоединить его от сети электропитания. О чистке Выполняйте чистку корпуса, панели и регуляторов мягкой тканью, слегка смоченной раствором нейтрального моющего средства. Не используйте абразивные губки, чис...
187 RU Допо лнит ель н ая инф орма ция Невозможно выполнить запись. • Проверьте правильность подключения компонентов (стр. 39). • Выберите компонент-источник (стр. 65). Индикатор MULTI CHANNEL DECODING не светится синим цветом. • Убедитесь, что воспроизводящий компонент подключен к цифровому разъему...
188 RU • В зависимости от подключенного воспроизводящего компонента “HDMI A + B” может не работать. • Убедитесь, что кабели правильно и надежно подключены к компонентам. • В зависимости от воспроизводящего компонента может потребоваться его настройка. Обратитесь к инструкции по эксплуатации, прилага...
189 RU Допо лнит ель н ая инф орма ция Невозможно настроиться на радиостанции. • Убедитесь в надежном подключении антенн. Отрегулируйте антенны и, при необходимости, подключите наружную антенну. • Во избежание возникновения помех устанавливайте антенну спутникового приемника на расстоянии от шнуров ...
191 RU Допо лнит ель н ая инф орма ция – В зависимости от подключенного компонента и телевизора, вам, возможно, придется настроить компонент и телевизор. Обратитесь к инструкции по эксплуатации, прилагаемой к каждому компоненту и телевизору. – Измените вход ресивера на вход HDMI, подключенный к комп...
193 RU Допо лнит ель н ая инф орма ция В случае возникновения неисправности на дисплее появится код из двух цифр и сообщение. Вы сможете проверить состояние системы по данному сообщению. Обратитесь к следующей таблице для решения проблемы. Если какая-либо проблема не может быть устранена, обратитесь...
194 RU Технические характеристики Секция усилителя ВЫХОДНАЯ МОЩНОСТЬНоминальная выходная мощность при стереофоническом режиме 1) 2) (8 Ом 20 Гц – 20 кГц, суммарный коэффициент гармоник 0,09%):130 Вт + 130 Вт 3) 120 Вт + 120 Вт 4) Опорная выходная мощность при стереофоническом режиме(4 Ом 20 Гц – 20 ...
197 RU Допо лнит ель н ая инф орма ция Примечания •Не поддерживает файлы с защитой DRM.•В силу особенностей некоторых файлов иногда они могут не воспроизводиться, даже отвечая вышеуказанным требованиям. •Относительно форматов, определенных в требованиях DLNA серверу необходимо предлагать контент, к ...
199 RU Допо лнит ель н ая инф орма ция Алфавитный указатель Цифровые 12V Trigger 140 2-канала 83 2ch Analog Direct 83 2ch Stereo (режим) 83 4 Ω 49 5.1-канала 23 7.1-канала 23 8 Ω 49 А Аудио 141 В Видео 67 , 144 Видеомагнитофон 36 Воспроизведение Музыка 95 Выбор Calibration Type 56 , 155 Д Дисплей 11...
Sony Усилители Инструкции
-
Sony STR-DA1200ES
Инструкция по эксплуатации
-
Sony STR-DA1500ES
Инструкция по эксплуатации
-
Sony STR-DA3300ES
Инструкция по эксплуатации
-
Sony STR-DA3700ES
Инструкция по эксплуатации
-
Sony STR-DA5200ES
Инструкция по эксплуатации
-
Sony STR-DA5300ES
Инструкция по эксплуатации
-
Sony STR-DA5400ES
Инструкция по эксплуатации
-
Sony STR-DA5500ES
Инструкция по эксплуатации
-
Sony STR-DA5700ES
Инструкция по эксплуатации
-
Sony STR-DA5800ES
Инструкция по эксплуатации
-
Sony STR-DA6400ES
Инструкция по эксплуатации
-
Sony STR-DA7100ES
Инструкция по эксплуатации
-
Sony STR-DE445
Инструкция по эксплуатации
-
Sony STR-DE545
Инструкция по эксплуатации
-
Sony STR-DG520
Инструкция по эксплуатации
-
Sony STR-DH100
Инструкция по эксплуатации
-
Sony STR-DH500
Инструкция по эксплуатации
-
Sony STR-DH510
Инструкция по эксплуатации
-
Sony STR-DH720
Инструкция по эксплуатации
-
Sony STR-DH730
Инструкция по эксплуатации