Bosch Tronic Heat 3500 18 ErP - инструкции и руководства
Котел Bosch Tronic Heat 3500 18 ErP - инструкции пользователя по применению, эксплуатации и установке на русском языке читайте онлайн в формате pdf
Инструкции:
Инструкция по эксплуатации Bosch Tronic Heat 3500 18 ErP
1
2
3
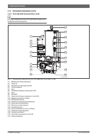
4
5
6
7
8
9
10
11
12
13
14
15
16
17
18
19
20
Bosch Котлы Инструкции
-
Bosch BWC 42
Инструкция по эксплуатации
-
Bosch Tronic 5000 H ErP
Инструкция по эксплуатации
-
Bosch WBN 6000
Инструкция по эксплуатации
-
Bosch WBN 6000-12 CR/HR N/L (Gaz 6000 W)
Инструкция по эксплуатации
-
Bosch WBN 6000-18 CR/HR N/L (Gaz 6000 W)
Инструкция по эксплуатации
-
Bosch WBN 6000-24 CR/HR N/L (Gaz 6000 W)
Инструкция по эксплуатации
-
Bosch WBN6000-12C RN S5700 7736900358
Инструкция по эксплуатации
-
Bosch WBN6000-18C RN S5700 7736900197
Инструкция по эксплуатации
-
Bosch WBN6000-18H RN S5700 7736900199
Инструкция по эксплуатации
-
Bosch WBN6000-24C RN S5700 7736900198
Инструкция по эксплуатации
-
Bosch WBN6000-24H RN S5700 7736900200
Инструкция по эксплуатации
-
Bosch ZBR 42-3 A (Condens 7000 W)
Инструкция по эксплуатации
-
Bosch ZSA 24-2 AD (Gaz 4000 W)
Инструкция по эксплуатации
-
Bosch ZSA 24-2 KD (Gaz 4000 W)
Инструкция по эксплуатации
-
Bosch ZSC 24-3 MFA (GAZ 7000 W)
Инструкция по эксплуатации
-
Bosch ZSC 24-3 MFK (GAZ 7000 W)
Инструкция по эксплуатации
-
Bosch ZSC 35-3 MFA (GAZ 7000 W)
Инструкция по эксплуатации
-
Bosch ZWA 24-2 AD (Gaz 4000 W)
Инструкция по эксплуатации
-
Bosch ZWA 24-2 KD (Gaz 4000 W)
Инструкция по эксплуатации
-
Bosch ZWB 28-3 C (Condens 3000 W)
Инструкция по эксплуатации