Страница 2 - Газовый отопительный котёл
Технический паспорт и инструкция по монтажу и техническому обслуживанию для специалистов Газовый отопительный котёл Gaz 6000 W 6 720 806 464-00.1O ok reset press 5s mode WBN 6000-18/24 CR/HR N/L 6 720 805 134 (2013/04) RU
Страница 3 - Содержание; Влияние колен в системе отвода дымовых газов . . 10
2 | Содержание Gaz 6000 W 6 720 805 134 (2013/04) Содержание 1 Пояснения символов и указания по технике безопасности . . . . . . . . . . . . . . . . . . . . . . . . . . . . . . . . . . . . . . . . 3 1.1 Пояснения условных обозначений . . . . . . . . . . . . . . . . 3 1.2 Общие правила техники безопа...
Страница 4 - Пояснения символов и указания по технике безопасности; Пояснения условных обозначений; Знак
Пояснения символов и указания по технике безопасности | 3 6 720 805 134 (2013/04) Gaz 6000 W 14.2 Контрольный список работ по проведению осмотров и технического обслуживания . . . . . . . . . . . . . . . . . . . .32 15 Сообщения на дисплее . . . . . . . . . . . . . . . . . . . . . . . . . . . . . . ...
Страница 5 - Сведения о котле; Вид котла; Вид газа
4 | Сведения о котле Gaz 6000 W 6 720 805 134 (2013/04) Передача владельцу При передаче проинструктируйте владельца о правилах обслуживания и условиях эксплуатации отопительной системы. ▶ Объясните основные принципы обслуживания, при этом обратите особое внимание на действия, влияющие на безопасност...
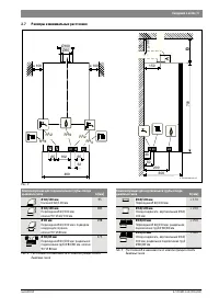
Страница 6 - Размеры и минимальные расстояния; Таб. 4 Расстояние A в зависимости от комплектующих отвода
Сведения о котле | 5 6 720 805 134 (2013/04) Gaz 6000 W 2.7 Размеры и минимальные расстояния Рис. 3 400 ≥ 100 700 300 200 150 ≥ 100 ≥ 100 B 6 720 806 640-02.1O Ø100 Ø60 32 65 65 102 R1/2 60 30 R3/4 R1/2 R3/4 R3/4 A Комплектующие для горизонтальной трубы отвода дымовых газов A [мм] Ø 60/100 мм Колено...
Страница 7 - Конструкция прибора
6 | Сведения о котле Gaz 6000 W 6 720 805 134 (2013/04) 2.8 Конструкция прибора Рис. 4 [1] Расширительный бак [2] Нагнетающий вентилятор [3] Камера сгорания [4] Горелка [5] Электрод розжига [6] Предохранительный клапан (отопительный контур) [7] Автоматический воздухоотводчик [8] Насос котлового конт...
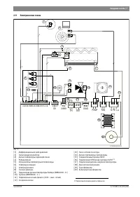
Страница 8 - Электрическая схема
Сведения о котле | 7 6 720 805 134 (2013/04) Gaz 6000 W 2.9 Электрическая схема Рис. 5 [1] Дифференциальное реле давления [2] Нагнетающий вентилятор [3] Датчик температуры подающей линии [4] Реле давления [5] Ограничитель температуры котловой воды [6] Электрод ионизации [7] Электрод розжига [8] Газо...
Страница 9 - Технические данные; Единица
8 | Сведения о котле Gaz 6000 W 6 720 805 134 (2013/04) 2.10 Технические данные WBN 6000-18 WBN 6000-24 Единица измерения Природный газ Сжиженный газ Природный газ Сжиженный газ Макс. номинальная теплопроизводительность (P макс ) 80/60 °C кВт 18 18 24,0 24,0 Макс. номинальная тепловая нагрузка (Q ма...
Страница 10 - Предписания; Указания по монтажу; Длина дымовой трубы / м
Предписания | 9 6 720 805 134 (2013/04) Gaz 6000 W 3 Предписания Следует соблюдать следующие рекомендации и предписания (приводимый ниже список необходимо согласовывать и дополнять):• принятые в стране строительные нормы• требования местных газовых служб• ГОСТ Р 51733-2001• ГОСТ 19910-94• ГОСТ 20448...
Страница 11 - Выбор ступени вентилятора; Действует правило: 1 x; Плохое горение при неправильно
10 | Отвод дымовых газов Gaz 6000 W 6 720 805 134 (2013/04) 4.3 Выбор ступени вентилятора 4.3.1 Влияние колен в системе отвода дымовых газов Дополнительные колена в системе подачи воздуха/отвода дымовых газов снижают максимально допустимую длину трубы. Снижение зависит от системы отвода дымовых газо...
Страница 13 - Отвод дымовых газов; Отвод дымовых газов по CEN
12 | Отвод дымовых газов Gaz 6000 W 6 720 805 134 (2013/04) 4.4 Отвод дымовых газов по CEN Рис. 6 Горизонтальный отвод дымовых газов по B 22 1) Колено 90 ° на котле учтено в максимальной длине. Рис. 7 Вертикальный отвод дымовых газов по B 22 Рис. 8 Горизонтальный отвод дымовых газов по C 12 с концен...
Страница 14 - Колено 90 ° на котле учтено в максимальной длине.
Отвод дымовых газов | 13 6 720 805 134 (2013/04) Gaz 6000 W Рис. 10 Горизонтальный отвод дымовых газов по C 12 с отдельной трубой 1) Колено 90 ° на котле учтено в максимальной длине. Рис. 11 Вертикальный отвод дымовых газов по C 32 с отдельной трубой Рис. 12 Отвод дымовых газов по C 52 с отдельной т...
Страница 15 - Установка котла; Важные указания
14 | Установка котла Gaz 6000 W 6 720 805 134 (2013/04) 5 Установка котла 5.1 Важные указания ▶ Перед монтажом получить разрешение от предприятия газоснабжения и от ведомства по пожарной безопасности дымоходов. Вода для заполнения и подпитки отопительной системы Вода, непригодная для заполнения и по...
Страница 16 - Выбор места монтажа; Рис. 14 Монтажный шаблон
Установка котла | 15 6 720 805 134 (2013/04) Gaz 6000 W Рис. 13 I Предварительное давление 0,2 бар II Предварительное давление 0,5 бар (первоначальная установка) III Предварительное давление 0,75 бар IV Предварительное давление 1,0 бар V Предварительное давление 1,2 бар t V Температура подающей лини...
Страница 17 - Рис. 15 Подвешивание котла на крюки; Откиньте блок управления вниз; Монтаж трубопроводов; Подача воды
16 | Установка котла Gaz 6000 W 6 720 805 134 (2013/04) ▶ Снять упаковку, соблюдая при этом приведенные на упаковке указания. ▶ Проверить указанную на заводской табличке страну назначения и соответствие вида газа, поступающего от газоснабжающего предприятия ( стр. 6). 1. Вставьте дюбели. 2. Вверни...
Страница 18 - Подключение к системе отвода дымовых газов; Рис. 17 Крепление переходника; Электрические соединения; Общие указания; Предохранители; Подключение прибора
Электрические соединения | 17 6 720 805 134 (2013/04) Gaz 6000 W 5.7 Подключение к системе отвода дымовых газов ▶ Проверьте, установлено ли уплотнение на патрубке отвода дымовых газов. ▶ Монтировать газоотводную арматуру и закрепить ее прилагаемыми винтами. Рис. 17 Крепление переходника [1] Винты [2...
Страница 19 - Подключение блока управления
18 | Электрические соединения Gaz 6000 W 6 720 805 134 (2013/04) 6.3 Подключение блока управления Откиньте блок управления вниз 1. Отверните винты.2. Потяните блок управления вниз.3. Откиньте блок управления вниз. Рис. 20 6.3.1 Подключение регулятора on/off или регулятора Open- Therm Котел можно экс...
Страница 20 - Ввод в эксплуатацию; Показания на дисплее; Рис. 26 Показания на дисплее; Перед вводом в эксплуатацию
Ввод в эксплуатацию | 19 6 720 805 134 (2013/04) Gaz 6000 W 7 Ввод в эксплуатацию Рис. 25 [1] Сливной шланг [2] Кран обратной линии отопления (дополнительная комплектация) [3] Кран холодной воды (дополнительная комплектация) [4] Газовый кран (закрыт) (дополнительная комплектация) [5] Горячая вода [6...
Страница 21 - Включение / выключение котла; Первое включение / установка ступени вентилятора; Настройка температуры горячей воды; Применение; Таб. 19 Максимальная температура подающей линии
20 | Ввод в эксплуатацию Gaz 6000 W 6 720 805 134 (2013/04) 7.3 Включение / выключение котла Первое включение / установка ступени вентилятора В заводской поставке установлена ступень вентилятора 0, т. е. вентилятор и горелка не включаются. ▶ Включите котёл кнопкой «Stand-by» ( рис. 27). На дисплее...
Страница 22 - Установка летнего режима; Защита от замерзания отопительной системы; Проведение термической дезинфекции; Общие положения
Проведение термической дезинфекции | 21 6 720 805 134 (2013/04) Gaz 6000 W 7.8 Установка летнего режима Насос отопительного контура и с ним отопление выключены. Горячее водоснабжение и электропитание для регулирования отопления и таймера продолжают действовать. Чтобы установить летний режим:▶ Нажима...
Страница 23 - Насос отопительного контура; Защита насоса от заклинивания; Настройки сервисного меню; Работа с сервисным меню; Выбор сервисной функции
22 | Насос отопительного контура Gaz 6000 W 6 720 805 134 (2013/04) 9 Насос отопительного контура 9.1 Смещение характеристической кривой котлового насоса Скорость вращения котлового насоса можно изменить на клеммной коробке насоса. Рис. 29 [1] Характеристическая кривая для положения переключателя 1 ...
Страница 24 - Обзор сервисных функций; Сервисные функции
Настройки сервисного меню | 23 6 720 805 134 (2013/04) Gaz 6000 W 10.2 Обзор сервисных функций 10.2.1 Меню 1 Для вызова сервисной функции в этом меню:▶ Одновременно нажмите и держите нажатыми кнопки «Назад», «+» и « – » до появления на дисплее L.1 . ▶ Нажмите кнопку «ok», чтобы выполнить настройки в...
Страница 27 - Перенастройка на другой вид газа; Переоборудование на другой вид газа; Рис. 30 Подвешенный на раме блок управления для; Метод регулировки давления на форсунках
26 | Перенастройка на другой вид газа Gaz 6000 W 6 720 805 134 (2013/04) 11 Перенастройка на другой вид газа Первоначальная установка для котла, работающего на природном газе, соответствует природному газу Н. Для согласования с различными длинами труб отвода дымовых газов требуется установить ступен...
Страница 28 - Измерение параметров дымовых газов; Регулировка мощности котла
Измерение параметров дымовых газов | 27 6 720 805 134 (2013/04) Gaz 6000 W Проверка сетевого давления газа ▶ Выключите котёл и закройте газовый кран, отсоедините U- образный манометр и заверните уплотнительный [1] винт. ▶ Отверните уплотнительный винт на штуцере измерения подаваемого давления газа (...
Страница 29 - Измерение содержания CO в дымовых газах; Охрана окружающей среды/утилизация; Упаковка; Проверка/техобслуживание
28 | Охрана окружающей среды/утилизация Gaz 6000 W 6 720 805 134 (2013/04) 12.3 Измерение содержания CO в дымовых газах Для измерения необходим зонд со множеством отверстий. ▶ Для обеспечения теплоотдачи открыть вентили радиаторов или точку отбора горячей воды. ▶ Включить котел и подождать несколько...
Страница 30 - Описание различных рабочих шагов; Вызов последней сохранённой неисправности
Проверка/техобслуживание | 29 6 720 805 134 (2013/04) Gaz 6000 W Важные указания • Необходимы следующие измерительные приборы: – газоанализатор для измерения содержания CO 2 , O 2 , CO и температуры дымовых газов – манометр 0 - 30 мбар (разрешение минимум 0,1 мбар) • Специальные инструменты не требу...
Страница 31 - Рис. 36 Проверка сетчатого фильтра в трубе холодной воды (вид на; Ни в коем случае не
30 | Проверка/техобслуживание Gaz 6000 W 6 720 805 134 (2013/04) 14.1.3 Проверьте сетчатый фильтр в трубе холодной воды (WBN 6000-..C..) 1. Снимите скобу с турбины.2. Выньте сетчатый фильтр из турбины вверх.3. Проверьте загрязнение сетчатого фильтра. Рис. 36 Проверка сетчатого фильтра в трубе холодн...
Страница 32 - Рис. 40 Демонтаж датчика температуры горячей воды (вид на котёл; Показания манометра
Проверка/техобслуживание | 31 6 720 805 134 (2013/04) Gaz 6000 W 14.1.6 Проверка расширительного бака (см. также стр. 14) При ежегодной проверке расширительного бака необходимо: ▶ Сбросить давление в котле.▶ При необходимости установить предварительное давление расширительного бака в соответствии со...
Страница 34 - Устранение неисправностей; Таб. 27 Показания на дисплее; EA; Таб. 28 Специальные показания дисплея
Сообщения на дисплее | 33 6 720 805 134 (2013/04) Gaz 6000 W 15 Сообщения на дисплее На дисплее может быть показано следующее (таб. 27 и 28): 16 Сбои 16.1 Устранение неисправностей Регулятор котла контролирует работу всех приборов регулирования, управления и безопасности. Если во время работы возник...
Страница 35 - Сбои; Неисправности, показываемые на дисплее; Дисплей
34 | Сбои Gaz 6000 W 6 720 805 134 (2013/04) 16.2 Неисправности, показываемые на дисплее Дисплей Описание Устранение A7 Датчик температуры горячей воды неисправен. ▶ Проверить наличие повреждений или короткого замыкания датчика температуры и его провода, замените при необходимости ( стр. 31). Ad Н...
Страница 36 - Неисправности, не показываемые на дисплее; Fd; Таб. 30 Неисправности без индикации на дисплее
Сбои | 35 6 720 805 134 (2013/04) Gaz 6000 W 16.3 Неисправности, не показываемые на дисплее F7 Хотя котел отключён, определяется пламя. ▶ Проверьте загрязнение электродов, при необходимости замените. ▶ Проверьте систему отвода дымовых газов, при необходимости очистите или отремонтируйте. ▶ Проверьте...
Страница 37 - Характеристики датчиков; допустимая погрешность
36 | Сбои Gaz 6000 W 6 720 805 134 (2013/04) 16.4 Характеристики датчиков 16.4.1 Датчик температуры подающей линии 16.4.2 Датчик температуры горячей воды Температура/ °C допустимая погрешность измерений 10 % Сопротивление/ 0 33 242 10 19 947 20 12 394 30 7 947 40 5 242 50 3 548 60 2 459 70 1 7...
Страница 39 - Акт сдачи котла в эксплуатацию; для каждого котла заполнить собственный протокол!
38 | Акт сдачи котла в эксплуатацию Gaz 6000 W 6 720 805 134 (2013/04) 18 Акт сдачи котла в эксплуатацию Заказчик/пользователь установки: Фамилия, имя Улица, № Телефон/факс Почтовый индекс, город Монтажная фирма: Номер заказа: Тип котла ( для каждого котла заполнить собственный протокол! ) Серийный ...
Страница 41 - ГАРАНТИЙНЫЙ ТАЛОН; FD
40 | ГАРАНТИЙНЫЙ ТАЛОН Gaz 6000 W 6 720 805 134 (2013/04) 19 ГАРАНТИЙНЫЙ ТАЛОН Тип оборудования: Заводской и Серийный номер: FD Название, адрес, телефон фирмы продавца: (место для печати) Дата продажи: Фамилия и подпись Продавца: Адрес установки оборудования:Телефон:Данные мастера, осуществившего пу...
Страница 42 - монтажу и эксплуатации изделия; В интересах Вашей безопасности
ГАРАНТИЙНЫЙ ТАЛОН | 41 6 720 805 134 (2013/04) Gaz 6000 W ГАРАНТИЙНЫЕ ОБЯЗАТЕЛЬСТВА 1. Гарантия предоставляется на четко определенные характеристики товара или отсутствие недостатков согласно соответствующему уровню техники. 2. Гарантийные сроки. 2.1. Срок гарантии завода изготовителя — 24 месяца с ...