Aiken MCB 200/050 Captain 50M 110102039 - инструкции и руководства
Компрессор Aiken MCB 200/050 Captain 50M 110102039 - инструкции пользователя по применению, эксплуатации и установке на русском языке читайте онлайн в формате pdf
Инструкции:
Инструкция по эксплуатации Aiken MCB 200/050 Captain 50M 110102039
1
2
3
4
5
6
7
8
9
10
11
12
13
14
15
16
17
18
19
20
21
22
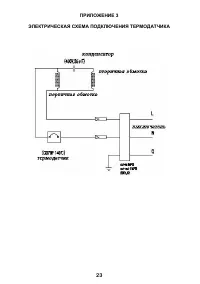
23
24
Aiken Компрессоры Инструкции
-
Aiken MCA 160/006 Hunter 6M 110101021
Инструкция по эксплуатации
-
Aiken MCA 200/025 Ranger 25M 110101023
Инструкция по эксплуатации
-
Aiken MCA 200/050 Ranger 50M 110101024
Инструкция по эксплуатации
-
Aiken MCB 160/020 Corporal 20M 110102036
Инструкция по эксплуатации
-
Aiken MCB 160/050 Corporal 50M 110102037
Инструкция по эксплуатации
-
Aiken MCB 200/016 Pioneer 16M 110102035
Инструкция по эксплуатации
-
Aiken MCB 200/025 Captain 25M 110102038
Инструкция по эксплуатации
-
Aiken MCB 240/025 Major 25M 110102040
Инструкция по эксплуатации
-
Aiken MCB 240/050 Major 50M 110102043
Инструкция по эксплуатации
-
Aiken MCB 280/025 Colonel 25M 110102044
Инструкция по эксплуатации
-
Aiken MCB 280/050 Colonel 50M 110102045
Инструкция по эксплуатации
-
Aiken MCB 354/050 110103033
Инструкция по эксплуатации
-
Aiken MCB 354/100 110103034
Инструкция по эксплуатации
-
Aiken MCB 356/025 Marshal 25M 110102046
Инструкция по эксплуатации
-
Aiken MCB 356/050 Marshal 50M 110102047
Инструкция по эксплуатации
-
Aiken MCB 376/100 Marshal 100M 110102048
Инструкция по эксплуатации
-
Aiken MCB 478/100 110103037
Инструкция по эксплуатации
-
Aiken MCB 575/100 110103038
Инструкция по эксплуатации