Aiken MCB 354/100 110103034 - Инструкция по эксплуатации

Aiken MCB 354/100 110103034

Компрессор Aiken MCB 354/100 110103034 - инструкция пользователя по применению, эксплуатации и установке на русском языке. Мы надеемся, она поможет вам решить возникшие у вас вопросы при эксплуатации техники.

Если остались дополнительные вопросы — свяжитесь с нами через контактную форму.

1 Страница 1
2 Страница 2
3 Страница 3
4 Страница 4
5 Страница 5
6 Страница 6
7 Страница 7
8 Страница 8
9 Страница 9
10 Страница 10
11 Страница 11
12 Страница 12
13 Страница 13
14 Страница 14
15 Страница 15
16 Страница 16
17 Страница 17
18 Страница 18
19 Страница 19
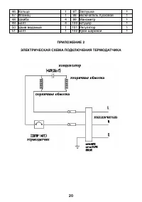
20 Страница 20
21 Страница 21
Страница: / 21
Загрузка инструкции

Инструкция
по эксплуатации

Ременной компрессор AIKEN MCB 354/100 110103034

Цены на товар на сайте:

http://kompressory.vseinstrumenti.ru/remennye/aiken/remennoy_kompressor_aiken_mcb_354_100_11010
3034/

Отзывы и обсуждения товара на сайте:

http://kompressory.vseinstrumenti.ru/remennye/aiken/remennoy_kompressor_aiken_mcb_354_100_11010
3034/#tab-Responses

"Загрузка инструкции" означает, что нужно подождать пока файл загрузится и можно будет его читать онлайн. Некоторые инструкции очень большие и время их появления зависит от вашей скорости интернета.

Характеристики

Другие модели - Компрессоры Aiken

Все компрессоры Aiken